小度生活
首页
美食营养
手工爱好
生活家居
返回
小度生活
首页
美食营养
游戏数码
手工爱好
生活家居
健康养生
运动户外
职场理财
情感交际
母婴教育
时尚美容
知识问答
搜索
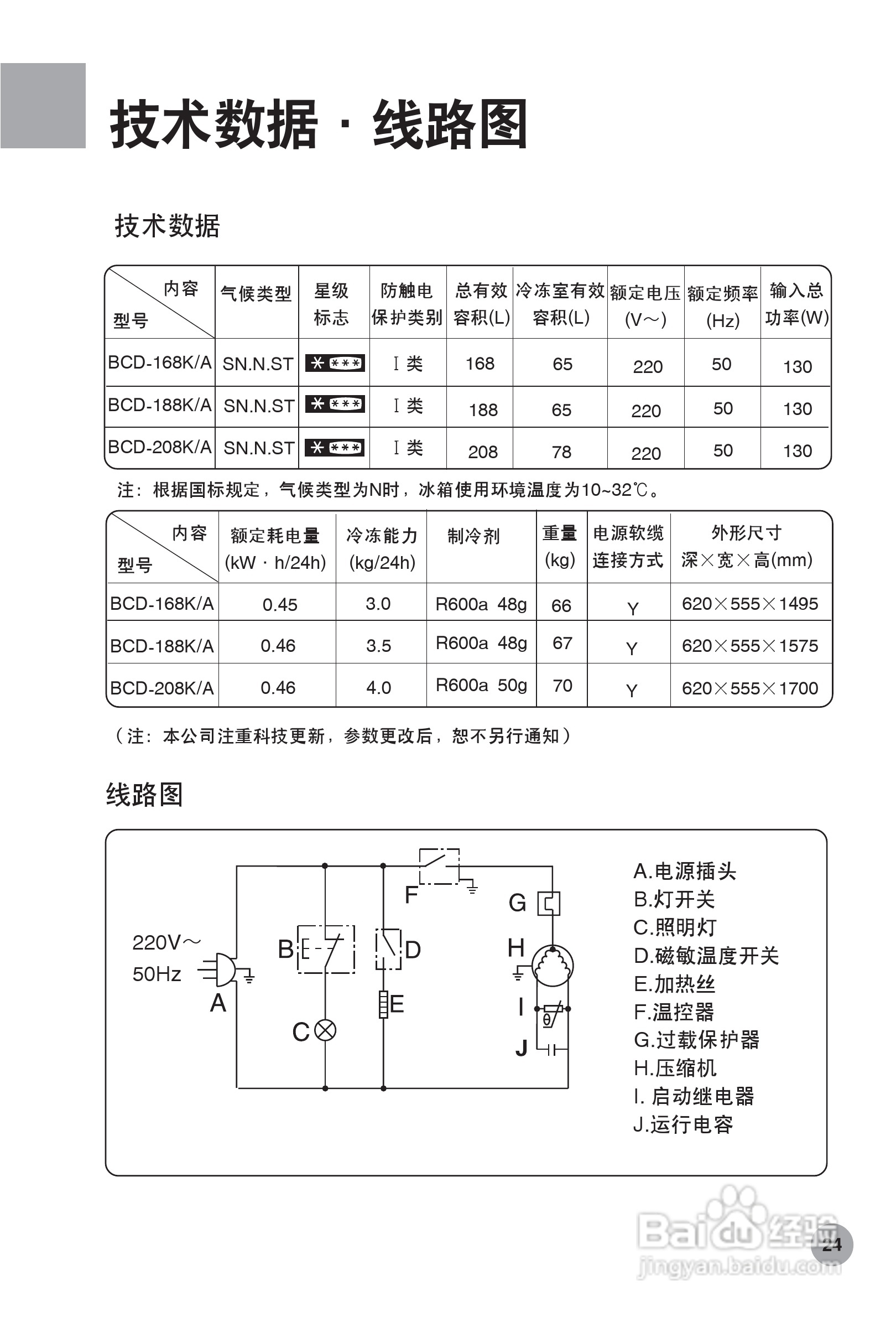
海尔节能冰箱BCD-208CJN/A型说明书:[1]
2025-11-24 12:51:57
(共篇)
下一篇:
声明:
本网站引用、摘录或转载内容仅供网站访问者交流或参考,不代表本站立场,如存在版权或非法内容,请联系站长删除,联系邮箱:site.kefu@qq.com。
相关推荐
海尔冰箱BCD-208CJN型说明书:[1]
阅读量:42
海尔冰箱BCD-208CJN型说明书:[2]
阅读量:21
海尔冰箱BCD-208CJN型说明书:[3]
阅读量:44
海尔冰箱BCD-188CJN/A型说明书:[1]
阅读量:29
海尔冰箱BCD-188CJN/A型说明书:[2]
阅读量:38
猜你喜欢
凌空的意思
香港有什么好吃的
who是什么意思
哭笑不得的意思
瑜伽的作用
什么叫市盈率
山东山西的山是指什么山
开盘是什么意思
what是什么意思
怨恨的意思
猜你喜欢
临床是什么意思
鞋底什么材质好
笑容可掬的意思
法图麦是什么意思
才高八斗的意思
什么牌子的护肤品好
百无聊赖的意思
stars是什么意思
全险包括什么
直男是什么意思啊