小度生活
首页
美食营养
手工爱好
生活家居
返回
小度生活
首页
美食营养
游戏数码
手工爱好
生活家居
健康养生
运动户外
职场理财
情感交际
母婴教育
时尚美容
知识问答
生活知识
搜索
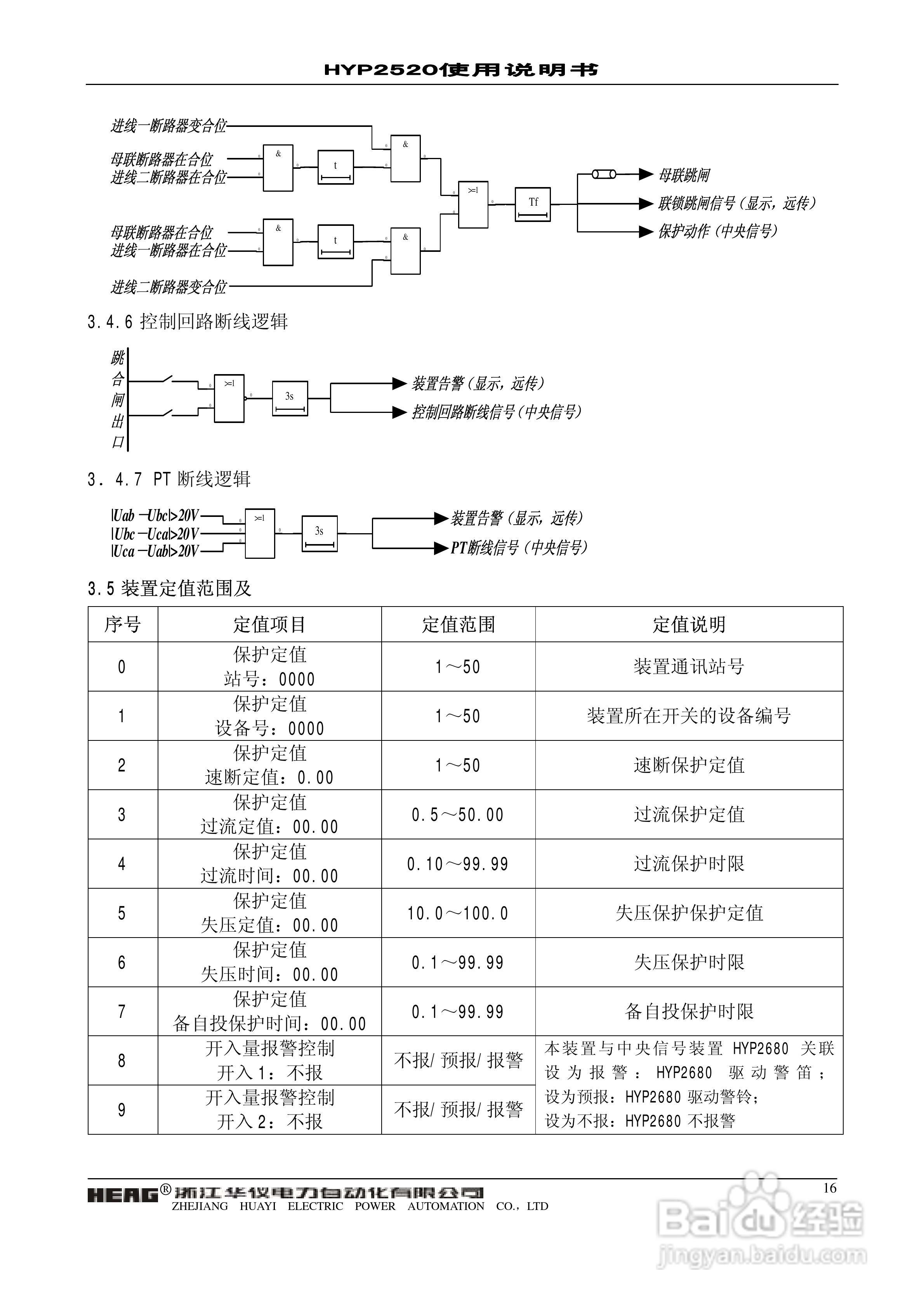
华仪电力HYP2520微机母联备自投保护监控装置使用说明:[2]
2025-10-23 02:51:41
本篇为《华仪电力HYP2520微机母联备自投保护监控装置使用说明》,主要介绍该产品的使用方法以及常见故障解决方案。
(共篇)
上一篇:
声明:
本网站引用、摘录或转载内容仅供网站访问者交流或参考,不代表本站立场,如存在版权或非法内容,请联系站长删除,联系邮箱:site.kefu@qq.com。
相关推荐
华仪电力HYP2520微机母联备自投保护监控装置使用说明:[1]
阅读量:56
华仪电力HYP2410微机异步电动机保护监控装置使用说明:[2]
阅读量:90
华仪电力HYP2410微机异步电动机保护监控装置使用说明:[1]
阅读量:142
UT-9961A分段备自投保护测控装置使用说明书:[2]
阅读量:88
微机继电保护测试仪交流试验操作方法
阅读量:146
猜你喜欢
什么感冒药效果好
若的意思
week是什么意思
幸福的意思
什么牌子的雨伞好
素昧平生的意思
斯巴达是什么意思
频繁的意思
本是同根生相煎何太急的意思
uhd是什么意思
猜你喜欢
滞销是什么意思
腿短穿什么裤子
猫狗像什么打一成语
什么是酒精过敏
补佳乐什么时候吃
老司机开车什么意思
做月子要吃什么最好
有板有眼的意思
early是什么意思
学而时习之的意思