小度生活
首页
美食营养
手工爱好
生活家居
返回
小度生活
首页
美食营养
游戏数码
手工爱好
生活家居
健康养生
运动户外
职场理财
情感交际
母婴教育
时尚美容
知识问答
生活知识
生活百科
搜索
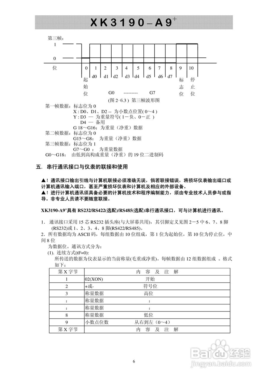
XK3190-A9+称重显示控制器使用说明书:[1]
2026-03-30 17:44:50
本篇为《XK3190-A9+称重显示控制器使用说明书》,主要介绍该产品的使用方法以及常见故障解决方案。
(共篇)
下一篇:
声明:
本网站引用、摘录或转载内容仅供网站访问者交流或参考,不代表本站立场,如存在版权或非法内容,请联系站长删除,联系邮箱:site.kefu@qq.com。
相关推荐
如何校正、使用电子称
阅读量:104
电子秤如何校准
阅读量:26
150kg电子秤校准方法
阅读量:177
电子秤如何校准
阅读量:171
霸王电子秤校正方法
阅读量:75
猜你喜欢
谢谢英文怎么写
血红蛋白高是怎么回事
电脑开机密码怎么改
玫瑰精油怎么用
qq怎么申请
怎么改微博名字
怎么录歌
cf斗地主怎么玩
瓶盖打不开怎么办
怎么预防尿毒症
猜你喜欢
一个月来两次月经怎么回事
中华联合车险怎么样
戒指尺寸怎么量
心怎么折
获奖感言怎么写
电脑怎么备份
word页眉怎么设置
beef怎么读
悦翔v3怎么样
专业用英语怎么说