小度生活
首页
美食营养
手工爱好
生活家居
返回
小度生活
首页
美食营养
游戏数码
手工爱好
生活家居
健康养生
运动户外
职场理财
情感交际
母婴教育
时尚美容
知识问答
生活知识
搜索
奥图玛投影机EP727型说明书:[3]
2025-10-17 11:47:01
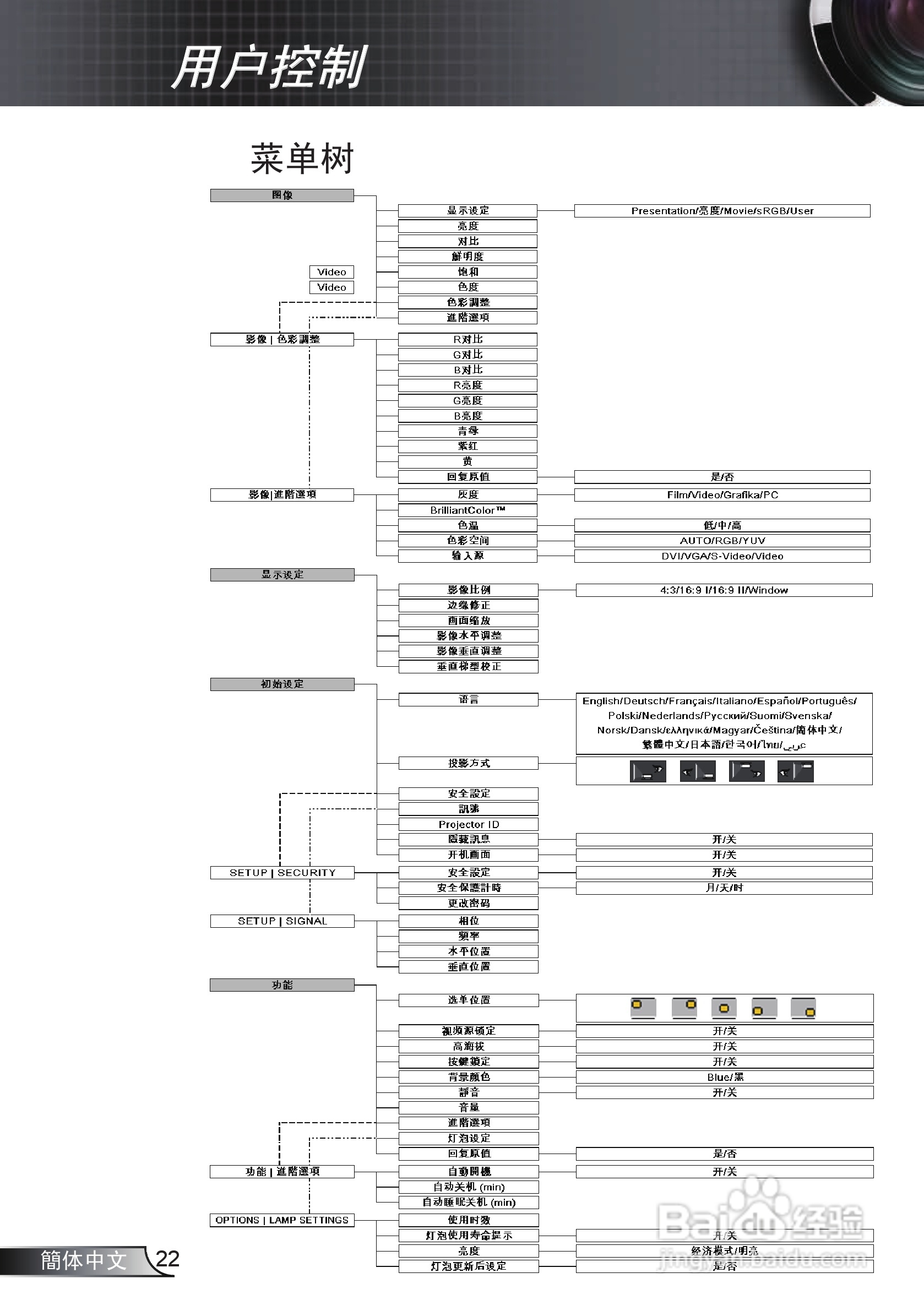
本篇为《奥图玛投影机EP727型说明书》,主要介绍该产品的使用方法以及常见故障解决方案。
(共篇)
上一篇:
|
下一篇:
声明:
本网站引用、摘录或转载内容仅供网站访问者交流或参考,不代表本站立场,如存在版权或非法内容,请联系站长删除,联系邮箱:site.kefu@qq.com。
相关推荐
奥图玛投影机EP727型说明书:[2]
阅读量:25
奥图玛投影机EP727型说明书:[5]
阅读量:189
奥图玛投影机EP735型说明书:[3]
阅读量:112
奥图玛投影机EP739H型说明书:[3]
阅读量:162
投影机的安装与调试
阅读量:187
猜你喜欢
有什么好看的动画
行色匆匆的意思
四面八方是什么意思
电磁炉什么牌子最好
size是什么意思
giao是什么意思
什么是志愿兵
黯然神伤的意思
梦寐以求的意思
wave是什么意思
猜你喜欢
night是什么意思
fl是什么意思
七月初七什么节
次月是什么意思
其的意思
工作性质是什么意思
阿鲁巴什么意思
本末倒置的意思
心宽体胖的意思
hobby是什么意思