小度生活
首页
美食营养
手工爱好
生活家居
返回
小度生活
首页
美食营养
游戏数码
手工爱好
生活家居
健康养生
运动户外
职场理财
情感交际
母婴教育
时尚美容
知识问答
生活知识
搜索
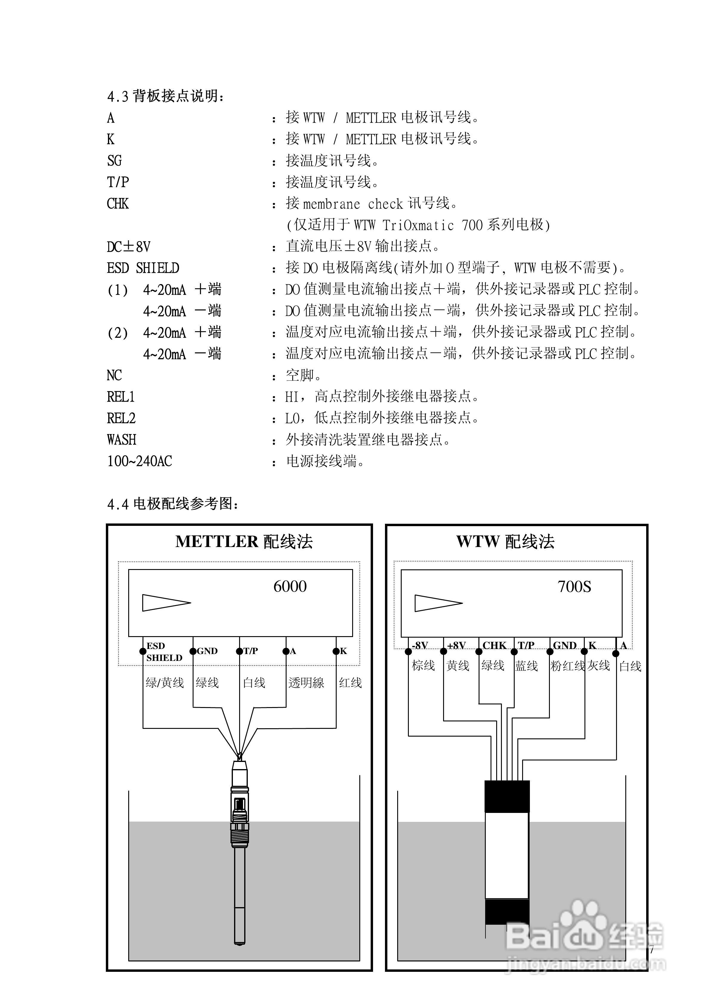
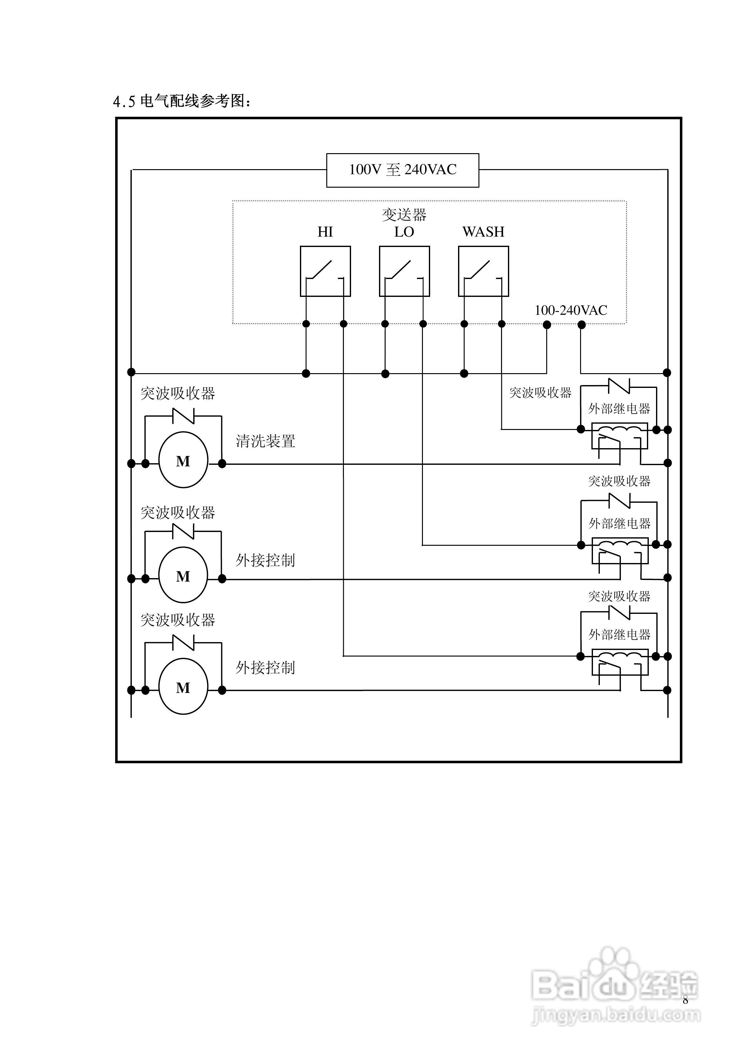
DO溶解氧变送器DC-5300操作说明书:[1]
2026-02-19 07:56:36
本篇为《DO溶解氧变送器DC-5300操作说明书》,主要介绍该产品的使用方法以及常见故障解决方案。
(共篇)
下一篇:
声明:
本网站引用、摘录或转载内容仅供网站访问者交流或参考,不代表本站立场,如存在版权或非法内容,请联系站长删除,联系邮箱:site.kefu@qq.com。
相关推荐
DO溶解氧变送器DC-5300操作说明书:[3]
阅读量:164
DO溶解氧变送器DC-5300操作说明书:[2]
阅读量:190
Pisco DO500-DO550溶解氧控制器/变送器使用说明书:[5]
阅读量:113
Pisco DO500-DO550溶解氧控制器/变送器使用说明书:[4]
阅读量:166
荧光法溶解氧JC-DO6000安装步骤
阅读量:21
猜你喜欢
四什么八什么的成语
help是什么意思
arms是什么意思
尿黄是什么原因引起的
api是什么意思
营销是什么
watch是什么意思
谚语是什么意思
路肩是什么意思
胸部胀痛什么原因
猜你喜欢
天珠是什么材质
cake是什么意思
摩羯是什么动物
在什么中成长作文
什么是什么
share是什么意思
挪车打什么电话可以联系到车主
地球是什么形状
shmily是什么意思
咳血是什么原因引起的