台达DTE10T系列主机操作手册:[1]
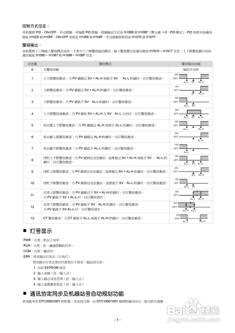
本篇为《台达DTE10T系列主机操作手册》,主要介绍该产品的使用方法以及常见故障解决方案。
![台达DTE10T系列主机操作手册:[1]](https://exp-picture.cdn.bcebos.com/def72c6c576699cf7bf912d6a885e036e3915e03.jpg)
![台达DTE10T系列主机操作手册:[1]](https://exp-picture.cdn.bcebos.com/3c42a5ea3e863048e4e9ea61c33104ebf7a75203.jpg)
![台达DTE10T系列主机操作手册:[1]](https://exp-picture.cdn.bcebos.com/836a6aee1c324b18de86b14453a7263349844803.jpg)
![台达DTE10T系列主机操作手册:[1]](https://exp-picture.cdn.bcebos.com/4a6d48ee7b7f860ee5dfd84177f5ee0d3bcebe03.jpg)
![台达DTE10T系列主机操作手册:[1]](https://exp-picture.cdn.bcebos.com/732a12e265e7340fc7d2299635b9763e20c2b403.jpg)
![台达DTE10T系列主机操作手册:[1]](https://exp-picture.cdn.bcebos.com/2083a5d6e1d06de831cbbb90ca93cee8b104ac03.jpg)
![台达DTE10T系列主机操作手册:[1]](https://exp-picture.cdn.bcebos.com/40d2d0e8b004541b60a5cf93869a310e1699a603.jpg)
![台达DTE10T系列主机操作手册:[1]](https://exp-picture.cdn.bcebos.com/304f0999e92abab8faea574b4814f1c594eea103.jpg)
![台达DTE10T系列主机操作手册:[1]](https://exp-picture.cdn.bcebos.com/f0848bee41c1b72713f93b3d1a2ca5cadde89803.jpg)
![台达DTE10T系列主机操作手册:[1]](https://exp-picture.cdn.bcebos.com/01bd69f7980e5f208adb626ebd20b93acc898e03.jpg)
声明:本网站引用、摘录或转载内容仅供网站访问者交流或参考,不代表本站立场,如存在版权或非法内容,请联系站长删除,联系邮箱:site.kefu@qq.com。
阅读量:142
阅读量:118
阅读量:176
阅读量:71
阅读量:156
本篇为《台达DTE10T系列主机操作手册》,主要介绍该产品的使用方法以及常见故障解决方案。
![台达DTE10T系列主机操作手册:[1]](https://exp-picture.cdn.bcebos.com/def72c6c576699cf7bf912d6a885e036e3915e03.jpg)
![台达DTE10T系列主机操作手册:[1]](https://exp-picture.cdn.bcebos.com/3c42a5ea3e863048e4e9ea61c33104ebf7a75203.jpg)
![台达DTE10T系列主机操作手册:[1]](https://exp-picture.cdn.bcebos.com/836a6aee1c324b18de86b14453a7263349844803.jpg)
![台达DTE10T系列主机操作手册:[1]](https://exp-picture.cdn.bcebos.com/4a6d48ee7b7f860ee5dfd84177f5ee0d3bcebe03.jpg)
![台达DTE10T系列主机操作手册:[1]](https://exp-picture.cdn.bcebos.com/732a12e265e7340fc7d2299635b9763e20c2b403.jpg)
![台达DTE10T系列主机操作手册:[1]](https://exp-picture.cdn.bcebos.com/2083a5d6e1d06de831cbbb90ca93cee8b104ac03.jpg)
![台达DTE10T系列主机操作手册:[1]](https://exp-picture.cdn.bcebos.com/40d2d0e8b004541b60a5cf93869a310e1699a603.jpg)
![台达DTE10T系列主机操作手册:[1]](https://exp-picture.cdn.bcebos.com/304f0999e92abab8faea574b4814f1c594eea103.jpg)
![台达DTE10T系列主机操作手册:[1]](https://exp-picture.cdn.bcebos.com/f0848bee41c1b72713f93b3d1a2ca5cadde89803.jpg)
![台达DTE10T系列主机操作手册:[1]](https://exp-picture.cdn.bcebos.com/01bd69f7980e5f208adb626ebd20b93acc898e03.jpg)