小度生活
首页
美食营养
手工爱好
生活家居
返回
小度生活
首页
美食营养
游戏数码
手工爱好
生活家居
健康养生
运动户外
职场理财
情感交际
母婴教育
时尚美容
知识问答
生活知识
生活百科
搜索
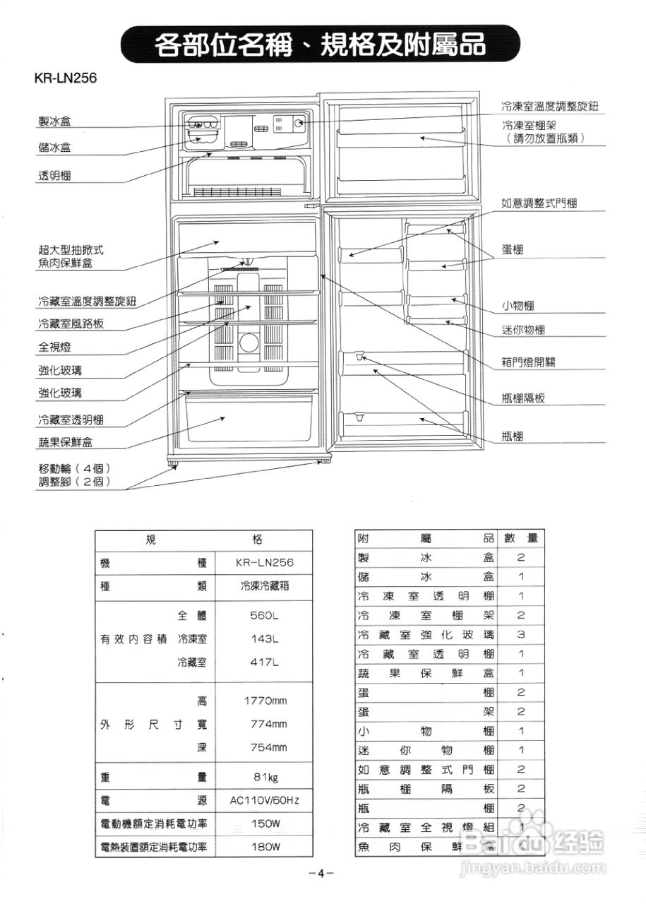
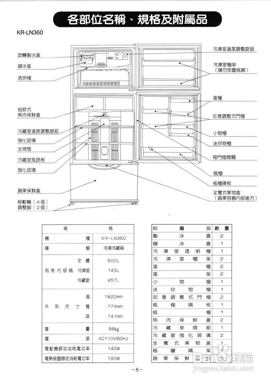
歌林KR-LN360型电冰箱使用说明书
2026-03-25 05:39:09
/>
声明:
本网站引用、摘录或转载内容仅供网站访问者交流或参考,不代表本站立场,如存在版权或非法内容,请联系站长删除,联系邮箱:site.kefu@qq.com。
相关推荐
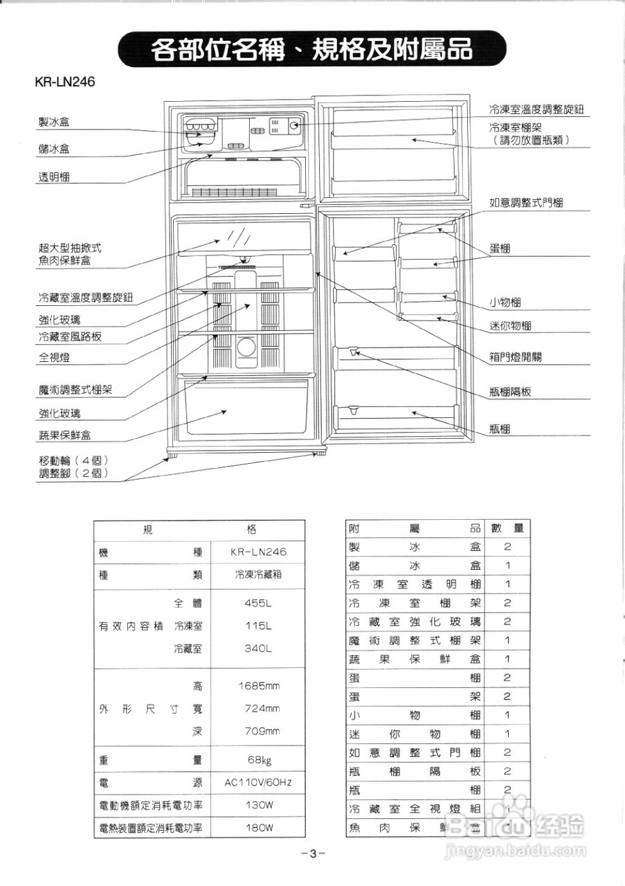
歌林KR-LN256型电冰箱使用说明书
阅读量:129
歌林KR-Q350型电冰箱使用说明书
阅读量:192
歌林KR-P250型电冰箱使用说明书
阅读量:169
歌林KR-P350型电冰箱使用说明书
阅读量:57
使用说明书wf2651使用指南
阅读量:188
猜你喜欢
电脑如何进入安全模式
电脑不读u盘怎么办
如何快速去青春痘
监狱生活电影
松鼠的生活习性
我的乱欲生活
假如生活欺骗了你剧情介绍
cf fps低怎么办
手心经常出汗是什么原因
4001895555是什么电话
猜你喜欢
3d touch怎么用
also是什么意思
怎么刷显卡bios
如何补肾壮阳小方法
割礼是什么意思
男人如何保养
皮卡丘是什么意思
怎么去除毛孔
文件被覆盖怎么恢复
如何治疗过敏性鼻炎