小度生活
首页
美食营养
手工爱好
生活家居
返回
小度生活
首页
美食营养
游戏数码
手工爱好
生活家居
健康养生
运动户外
职场理财
情感交际
母婴教育
时尚美容
知识问答
生活知识
搜索
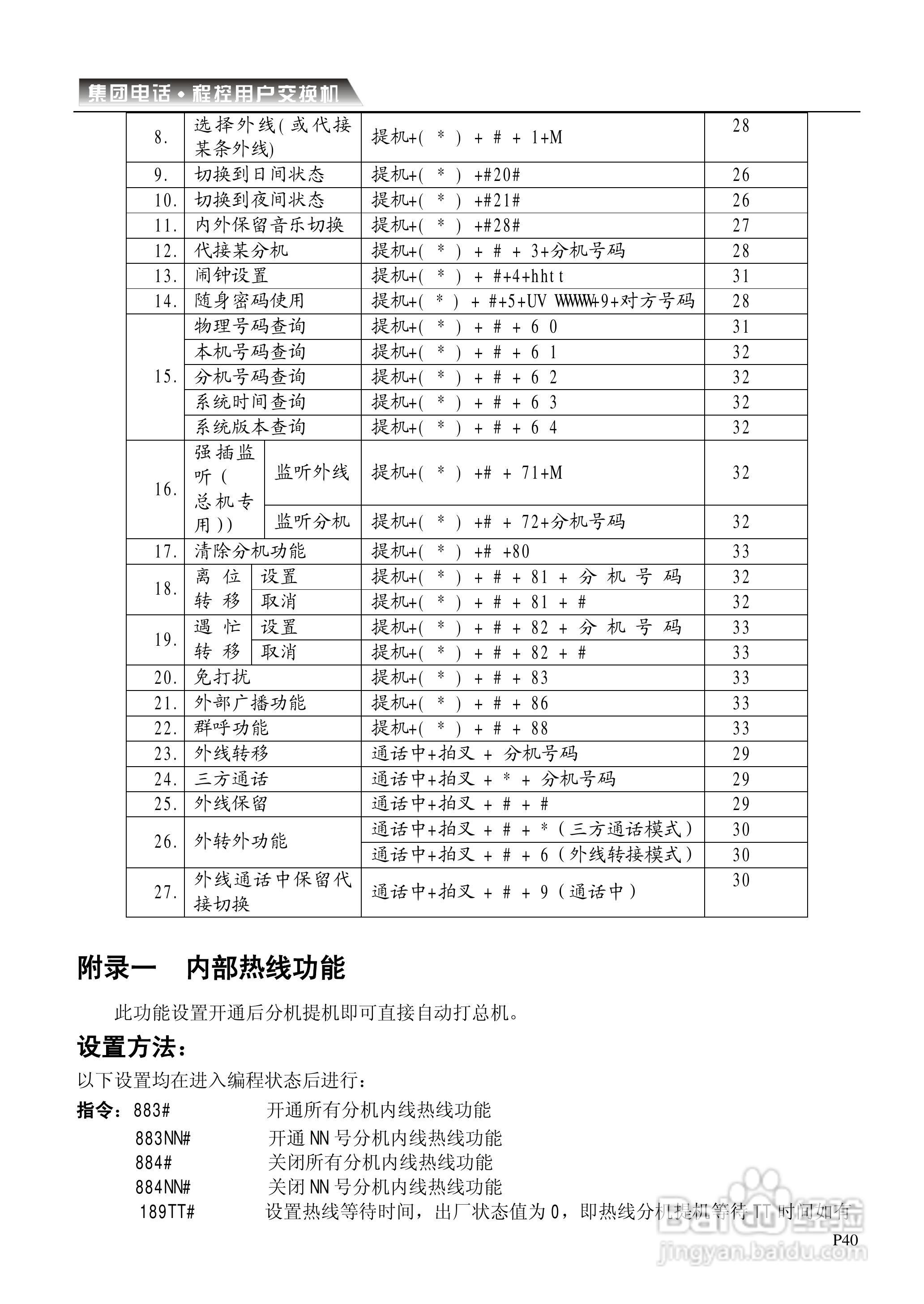
CDX-CP电话交换机系统说明书:[5]
2025-11-06 01:50:39
本篇为《CDX-CP电话交换机系统说明书》,主要介绍该产品的使用方法以及常见故障解决方案。
(共篇)
上一篇:
声明:
本网站引用、摘录或转载内容仅供网站访问者交流或参考,不代表本站立场,如存在版权或非法内容,请联系站长删除,联系邮箱:site.kefu@qq.com。
相关推荐
CDX-CP电话交换机系统说明书:[1]
阅读量:83
CDX-II型集团电话程控交换机说明书
阅读量:58
电话交换机怎么设置
阅读量:99
CDX-V磁粉探伤仪说明书
阅读量:47
电话交换机的配置教程
阅读量:96
猜你喜欢
燕窝什么时候吃最佳
nse是什么意思
恭喜乔迁的祝福语
茁壮成长的意思
采风是什么意思
钓鱼执法是什么意思
obvious什么意思
fill是什么意思
solo的意思
pressure是什么意思
猜你喜欢
瑞雪初降的意思
怨天尤人是什么意思
有什么好玩的腾讯游戏
meter是什么意思
judy是什么意思
千呼万唤的意思
汽车除味用什么最好
有点方是什么意思
庞然大物是什么意思
abs系统是什么意思