小度生活
首页
美食营养
手工爱好
生活家居
返回
小度生活
首页
美食营养
游戏数码
手工爱好
生活家居
健康养生
运动户外
职场理财
情感交际
母婴教育
时尚美容
知识问答
生活知识
生活百科
搜索
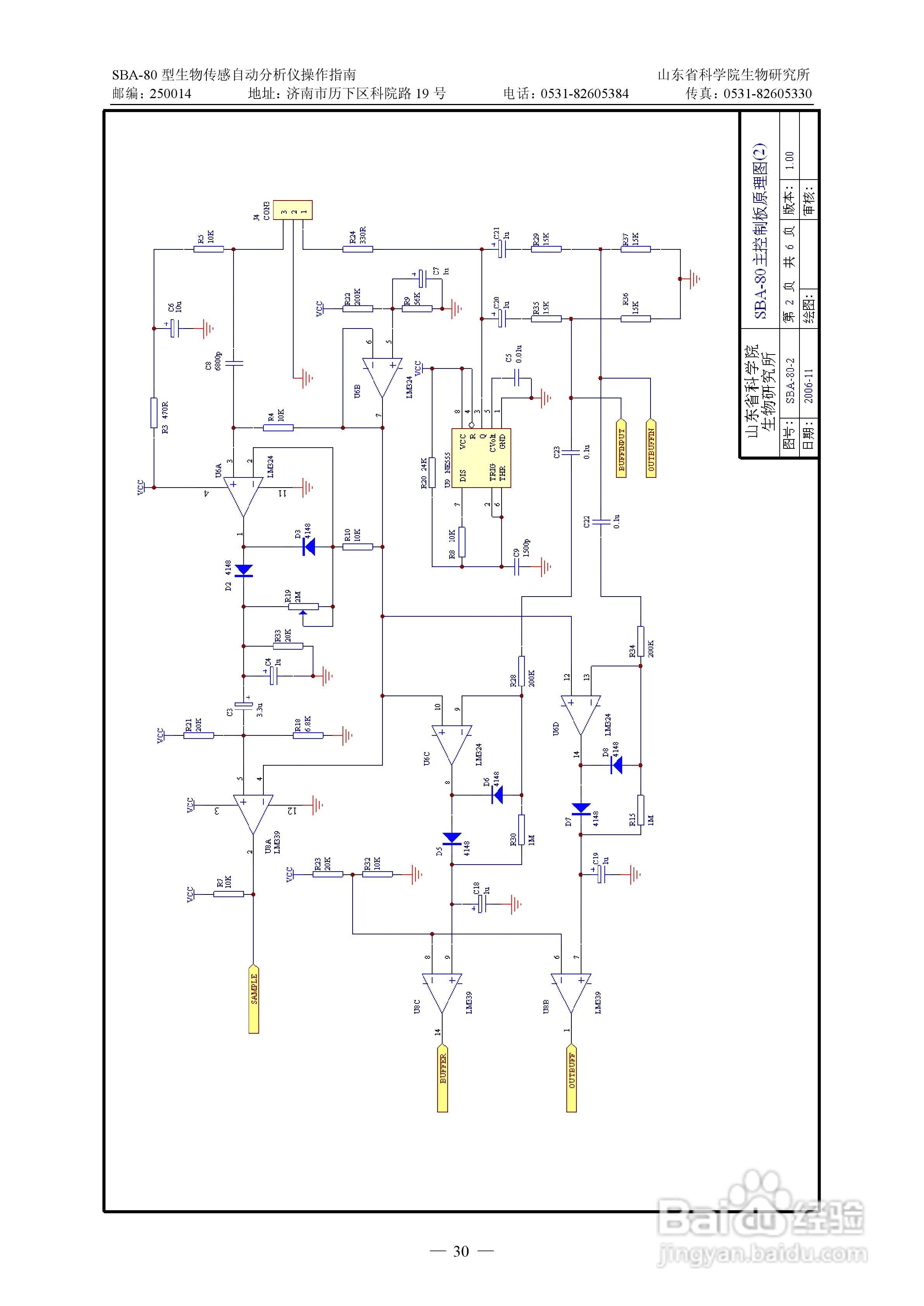
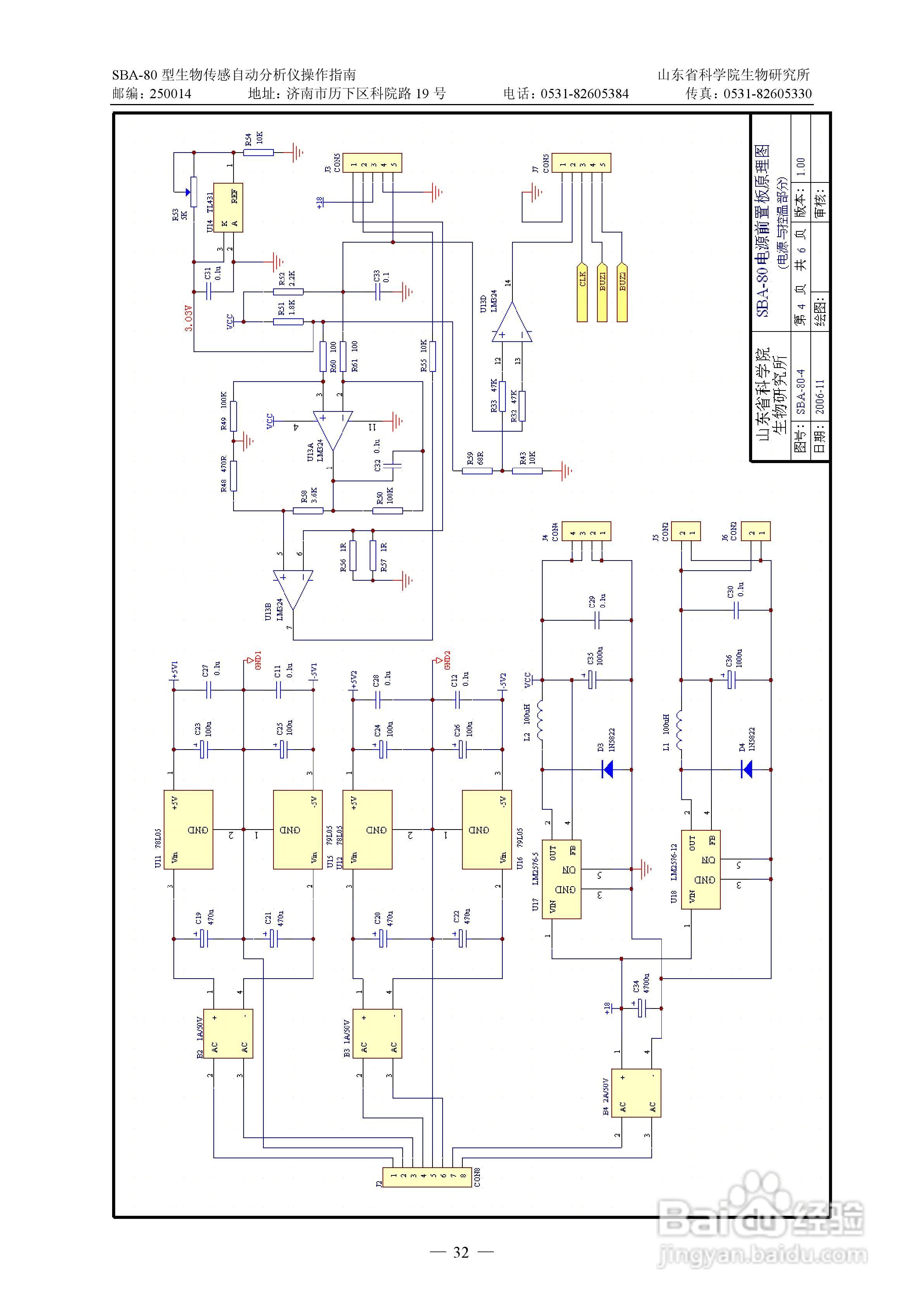
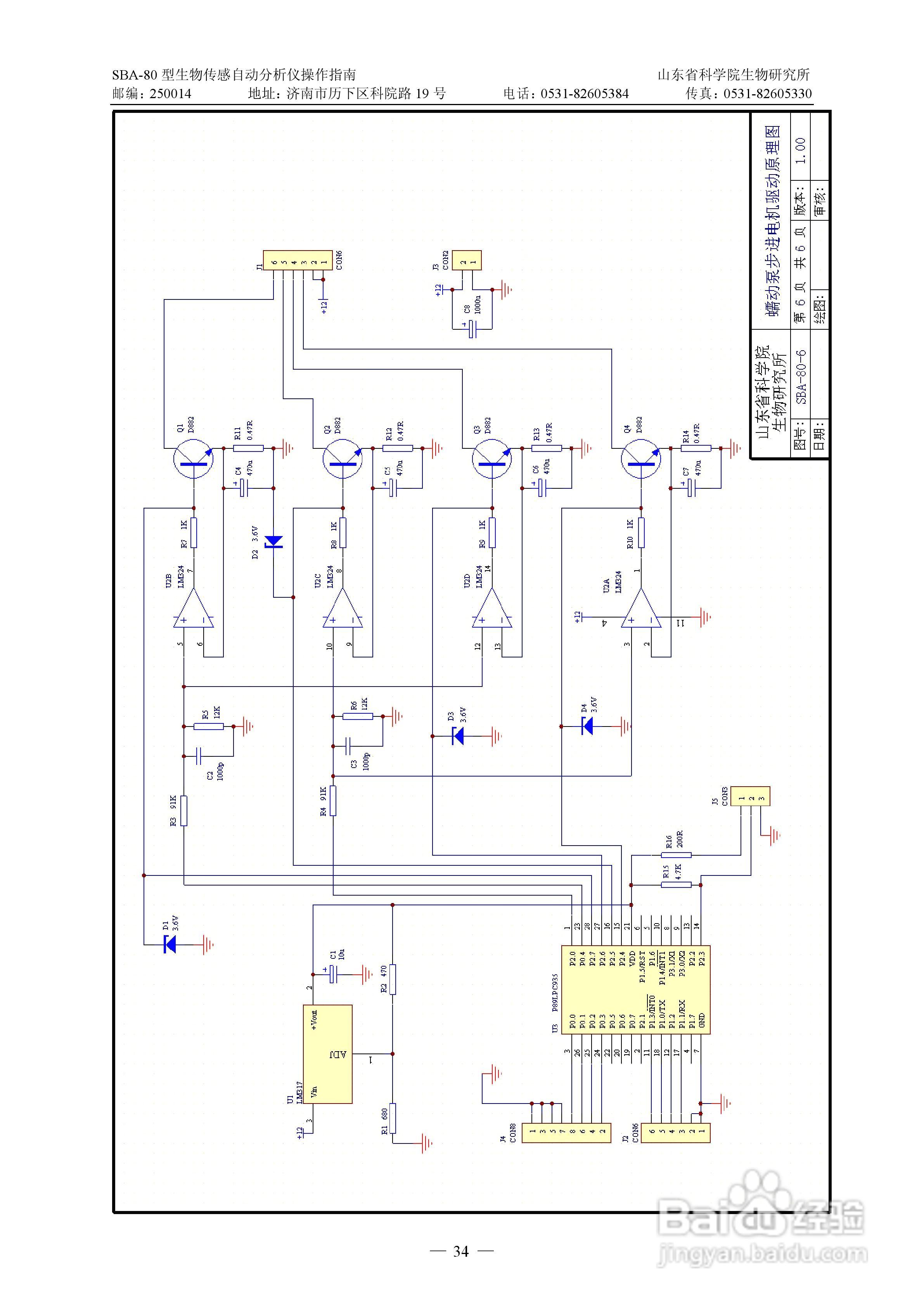
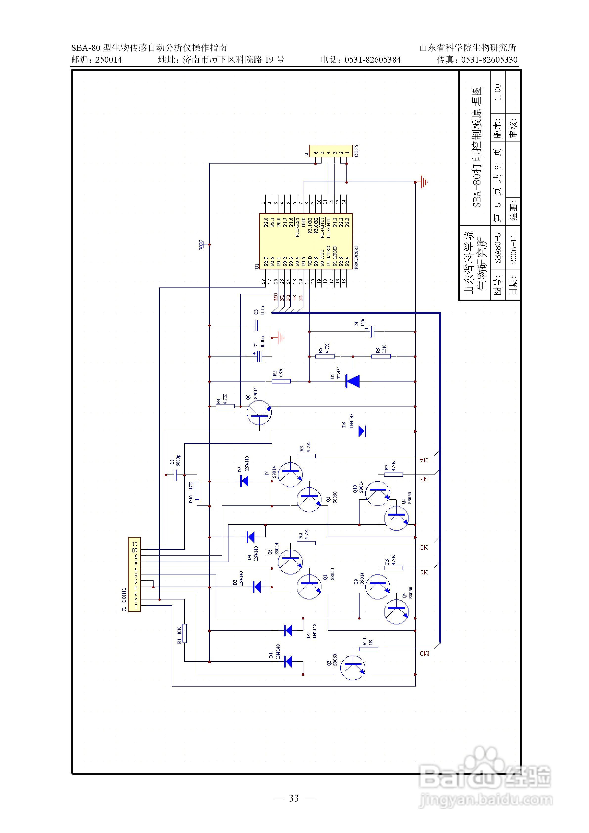
SBA-80 型生物传感自动分析仪操作说明书:[4]
2026-04-22 04:32:03
本篇为《SBA-80 型生物传感自动分析仪操作说明书》,主要介绍该产品的使用方法以及常见故障解决方案。
(共篇)
上一篇:
声明:
本网站引用、摘录或转载内容仅供网站访问者交流或参考,不代表本站立场,如存在版权或非法内容,请联系站长删除,联系邮箱:site.kefu@qq.com。
相关推荐
SBA-80 型生物传感自动分析仪操作说明书:[3]
阅读量:143
IFM 电子液位传感器LK10操作说明书:[3]
阅读量:146
IFM 电子液位传感器LK10操作说明书:[1]
阅读量:184
IFM 电子液位传感器LK10操作说明书:[2]
阅读量:115
矿用风速传感器
阅读量:186
猜你喜欢
工程造价是什么
计算机应用技术是学什么的
什么笔记本好
结婚三十年是什么婚
存量房是什么意思
前列腺肥大是什么原因引起
pb是什么
白脱是什么
vcc是什么意思
什么是动词
猜你喜欢
股票pe是什么意思
飞行模式是什么意思
996是什么
恍然大悟的反义词是什么
9月30日是什么星座
什么是法人
安排是什么意思
腿抽筋是什么原因
有过多少不眠的夜晚是什么歌
红加绿是什么颜色