小度生活
首页
美食营养
手工爱好
生活家居
返回
小度生活
首页
美食营养
游戏数码
手工爱好
生活家居
健康养生
运动户外
职场理财
情感交际
母婴教育
时尚美容
知识问答
生活知识
生活百科
搜索
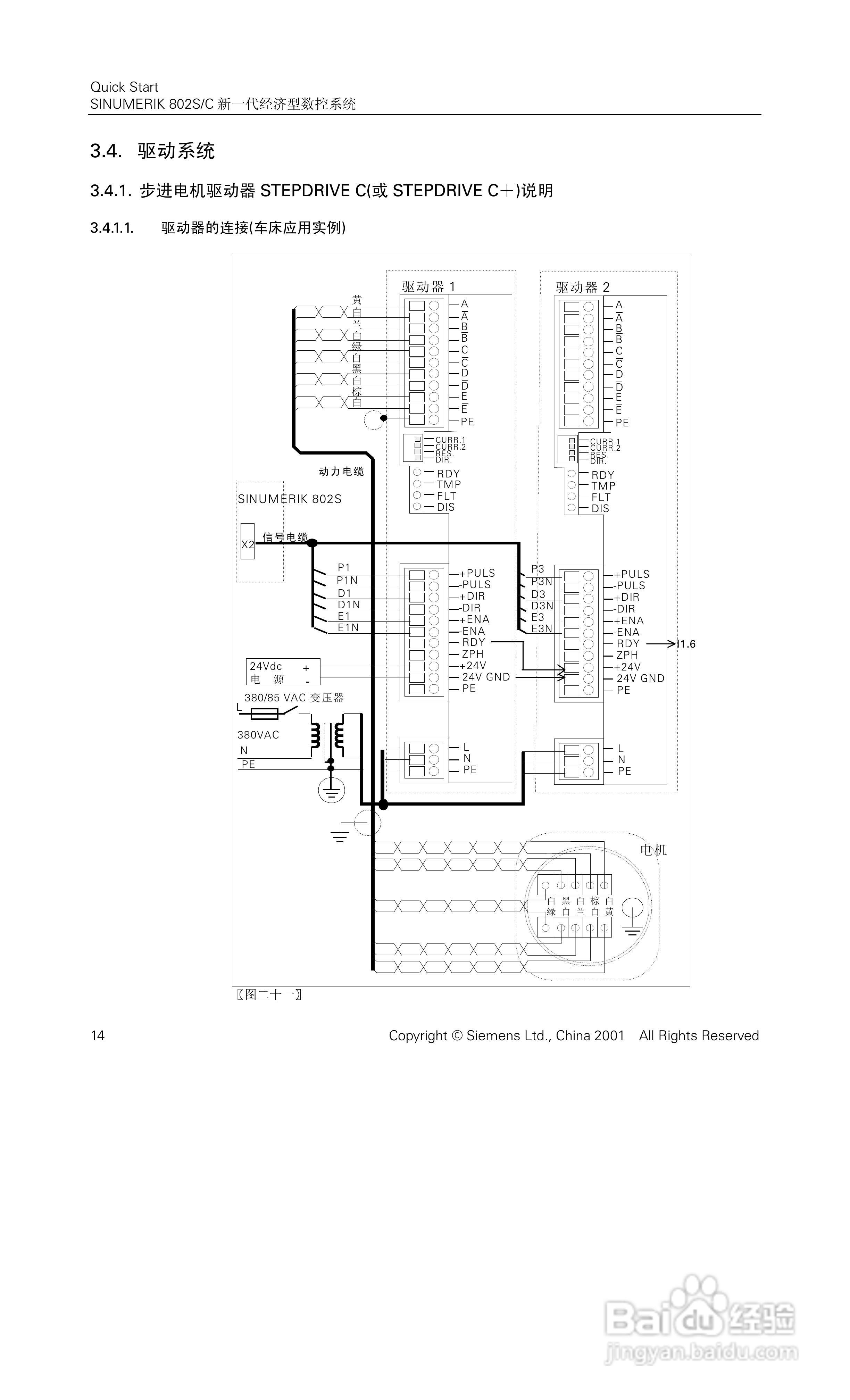
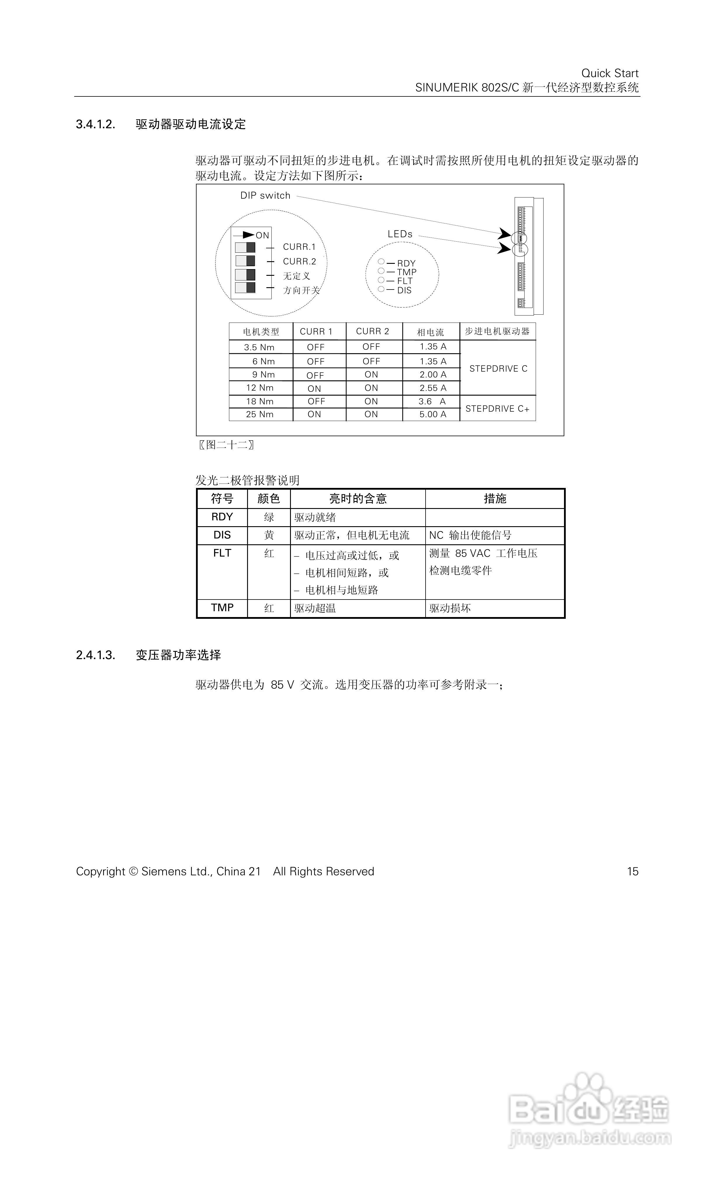
STEPDRIVE C步进电机驱动器说明手册:[2]
2026-04-02 17:53:58
本篇为《STEPDRIVE C步进电机驱动器说明手册》,主要介绍该产品的使用方法以及常见故障解决方案。
(共篇)
上一篇:
|
下一篇:
声明:
本网站引用、摘录或转载内容仅供网站访问者交流或参考,不代表本站立场,如存在版权或非法内容,请联系站长删除,联系邮箱:site.kefu@qq.com。
相关推荐
STEPDRIVE C步进电机驱动器说明手册:[7]
阅读量:183
扶桑花的养护方法
阅读量:168
华硕笔记本如何使用老毛桃启动u盘安装win8系统
阅读量:138
计算机意外重启或遇到错误修复方法
阅读量:73
安柏AT4310如何设置连接电脑得到温升数据?
阅读量:134
猜你喜欢
教育费附加怎么算
嘉实多机油怎么样
手机拍照声音怎么关
怎么消除脂肪粒
婴儿坐飞机怎么买票
在网上怎么赚钱
独生子女证怎么办
唱歌怎么换气
qq人脸识别怎么解除
妈咪宝贝纸尿裤怎么样
猜你喜欢
ppt模板怎么下载
证书风险怎么解决
怎么设置双面打印
卫新洗衣液怎么样
乐尔康按摩器怎么样
21世纪不动产怎么样
热感冒怎么办
怎么踩水
怎么给照片换底色
皮毛一体怎么清洗