小度生活
首页
美食营养
手工爱好
生活家居
返回
小度生活
首页
美食营养
游戏数码
手工爱好
生活家居
健康养生
运动户外
职场理财
情感交际
母婴教育
时尚美容
知识问答
生活知识
生活百科
搜索
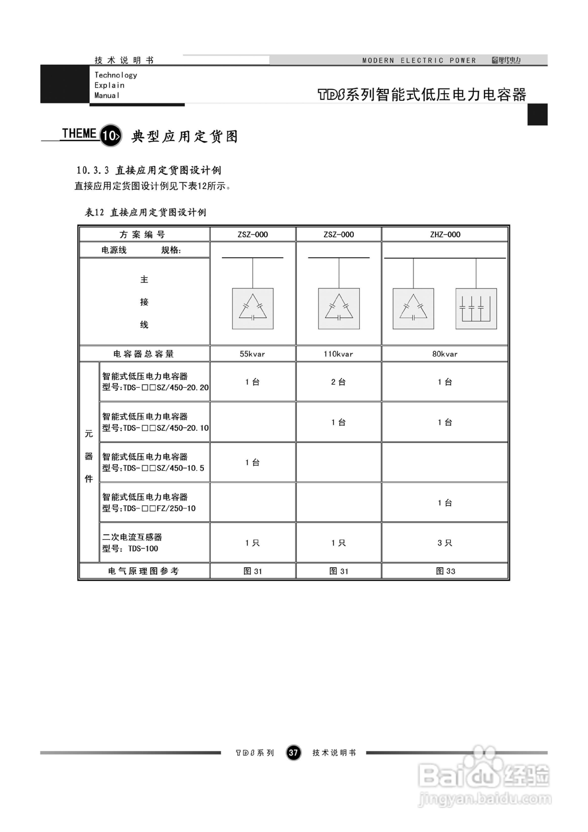
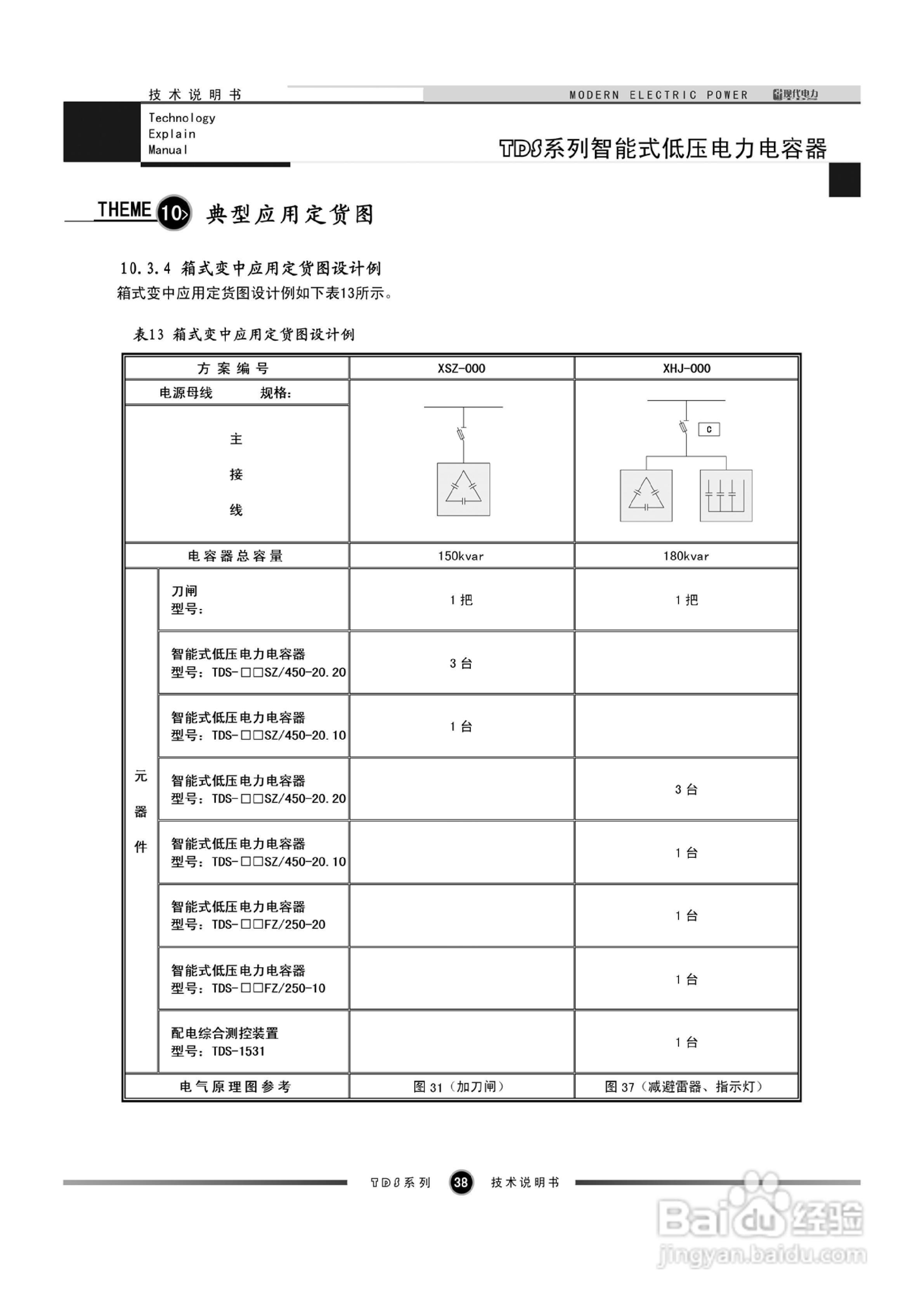
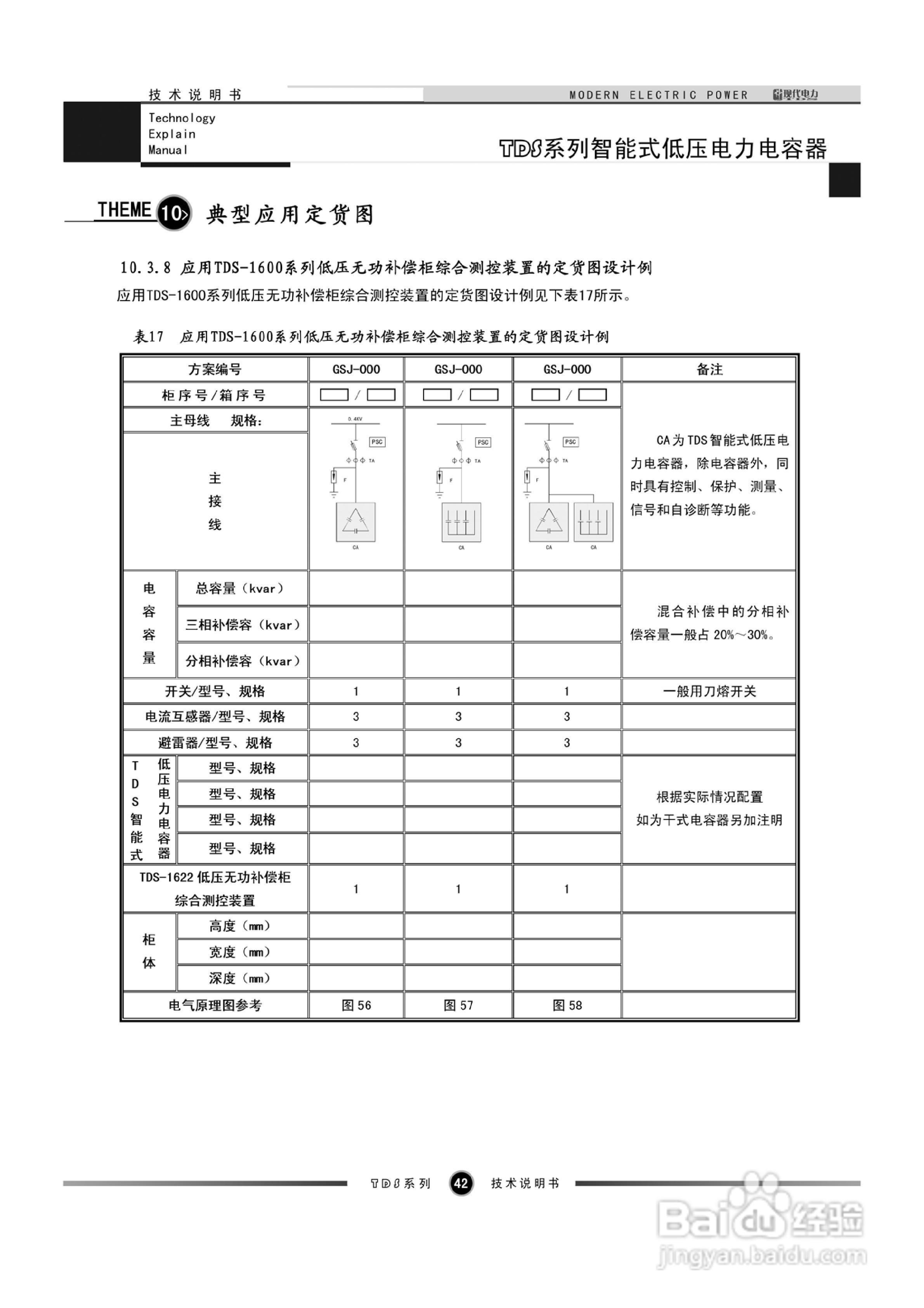
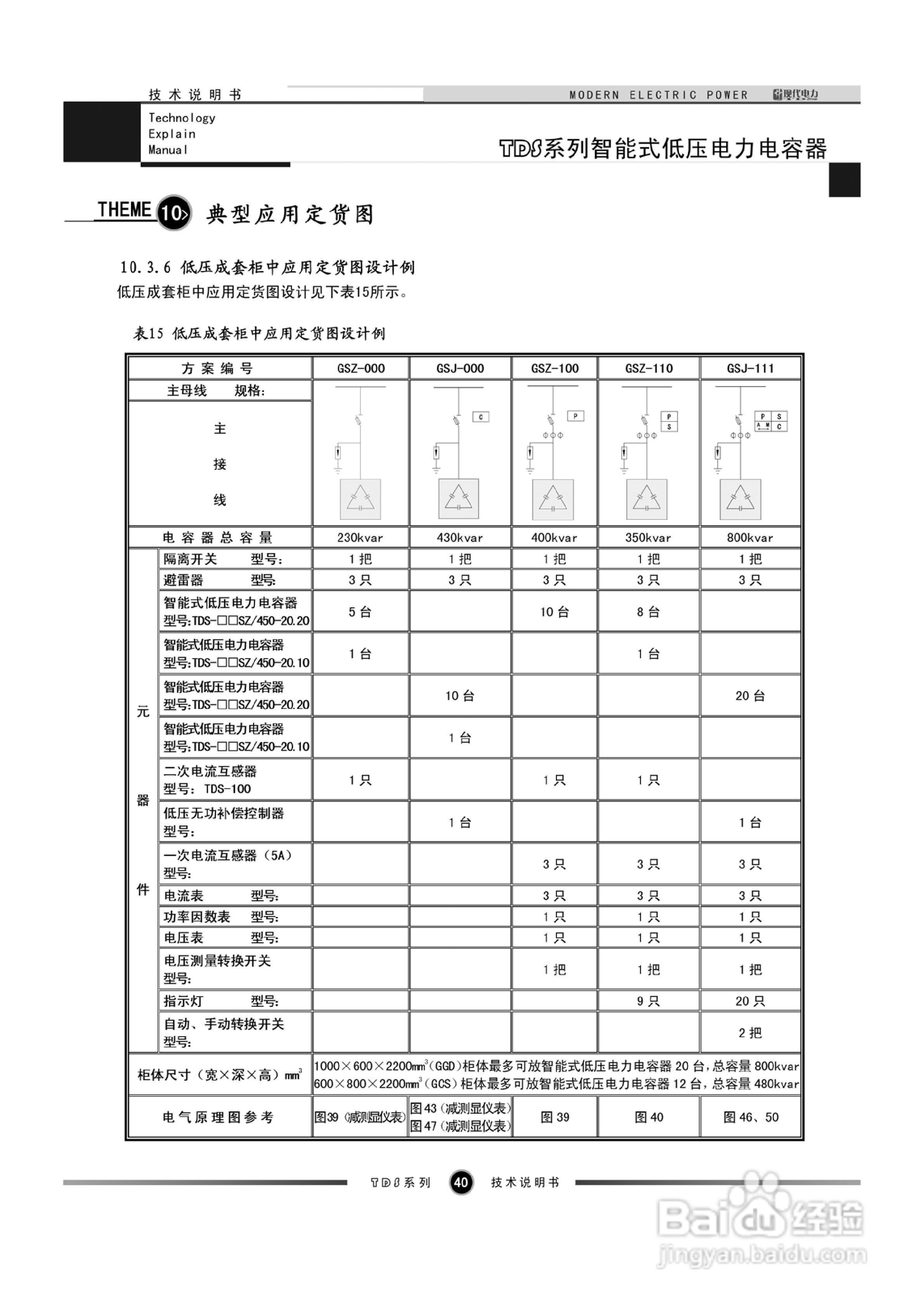
TDS系列智能式低压电力电容器技术说明书:[5]
2026-05-24 09:43:51
本篇为《TDS系列智能式低压电力电容器技术说明书》,主要介绍该产品的使用方法以及常见故障解决方案。
(共篇)
上一篇:
|
下一篇:
声明:
本网站引用、摘录或转载内容仅供网站访问者交流或参考,不代表本站立场,如存在版权或非法内容,请联系站长删除,联系邮箱:site.kefu@qq.com。
相关推荐
TDS系列智能式低压电力电容器技术说明书:[4]
阅读量:174
智能电容器如何选择
阅读量:101
如何网购智能电容器
阅读量:87
如何测试电容器
阅读量:170
薄膜电容器的制造
阅读量:46
猜你喜欢
洛丽塔什么意思
生理知识
半枝莲的功效与作用
中国知识产权
四君子是指什么
高中物理必修一知识点
金盏花的功效与作用
读大学究竟读什么读后感
安全帽的作用
十万个冷知识
猜你喜欢
金荞麦片的功效与作用
黄精的功效与作用禁忌
知柏地黄丸的作用与功效与副作用
墨守成规什么意思
辛夷的功效与作用
高水平运动员
标题的作用
葱白水的功效与作用
什么是证件号码
决明子菊花茶的功效与作用及禁忌