小度生活
首页
美食营养
手工爱好
生活家居
返回
小度生活
首页
美食营养
游戏数码
手工爱好
生活家居
健康养生
运动户外
职场理财
情感交际
母婴教育
时尚美容
知识问答
生活知识
生活百科
搜索
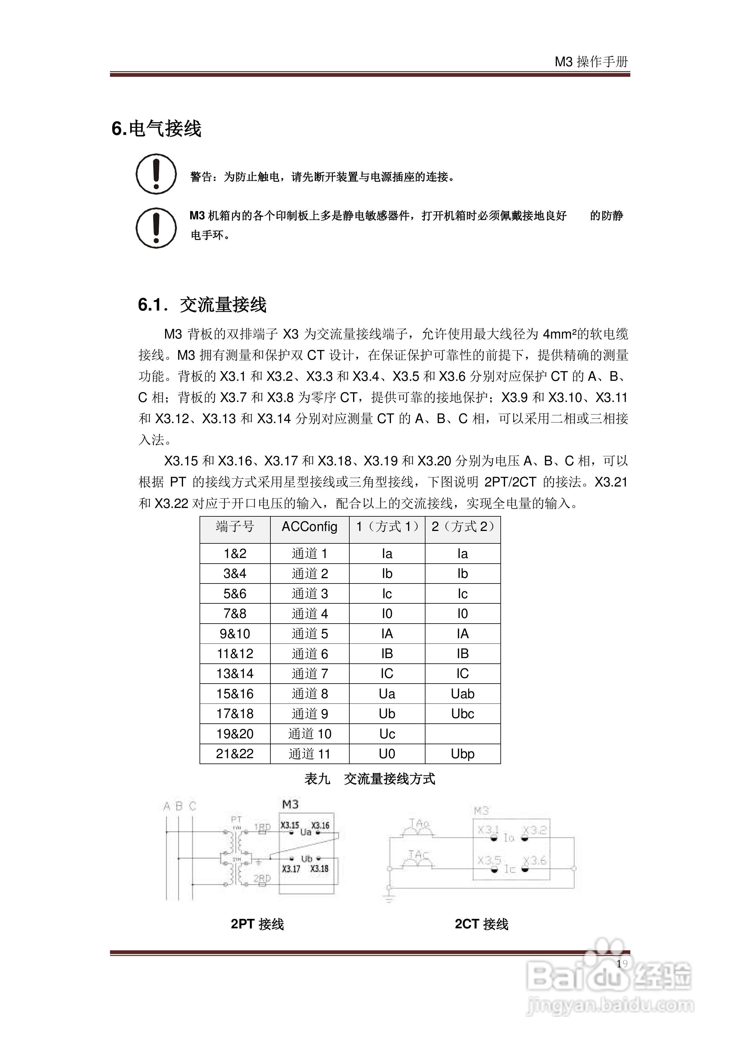
INIX M3系列可编程微机继电保护装置操作手册:[3]
2026-04-18 22:42:12
本篇为《INIX M3系列可编程微机继电保护装置操作手册》,主要介绍该产品的使用方法以及常见故障解决方案。
(共篇)
上一篇:
|
下一篇:
声明:
本网站引用、摘录或转载内容仅供网站访问者交流或参考,不代表本站立场,如存在版权或非法内容,请联系站长删除,联系邮箱:site.kefu@qq.com。
相关推荐
微机继电保护测试仪装置硬件结构操作
阅读量:100
昂立ONLLY系列微机型继电保护测试系统用户手册:[10]
阅读量:139
昂立ONLLY系列微机型继电保护测试系统用户手册:[9]
阅读量:186
昂立ONLLY系列微机型继电保护测试系统用户手册:[16]
阅读量:90
昂立ONLLY系列微机型继电保护测试系统用户手册:[17]
阅读量:195
猜你喜欢
season怎么读
海尔热水器怎么用
拉肚子怎么办
脖子上长了小肉粒怎么回事
纵贯线为什么解散
我为什么要入党
逝怎么读
林氏木业家具怎么样
企业所得税怎么算
张柏芝为什么离婚
猜你喜欢
炖菜的做法大全
小米粥怎么煮好吃又营养
葡萄用英语怎么说
skirt怎么读
忒怎么读
路由器密码忘记了怎么重新设置
怎么煮鸡蛋
端午节粽子的做法
尿酸高怎么办
衍怎么读