小度生活
首页
美食营养
手工爱好
生活家居
返回
小度生活
首页
美食营养
游戏数码
手工爱好
生活家居
健康养生
运动户外
职场理财
情感交际
母婴教育
时尚美容
知识问答
生活知识
生活百科
搜索
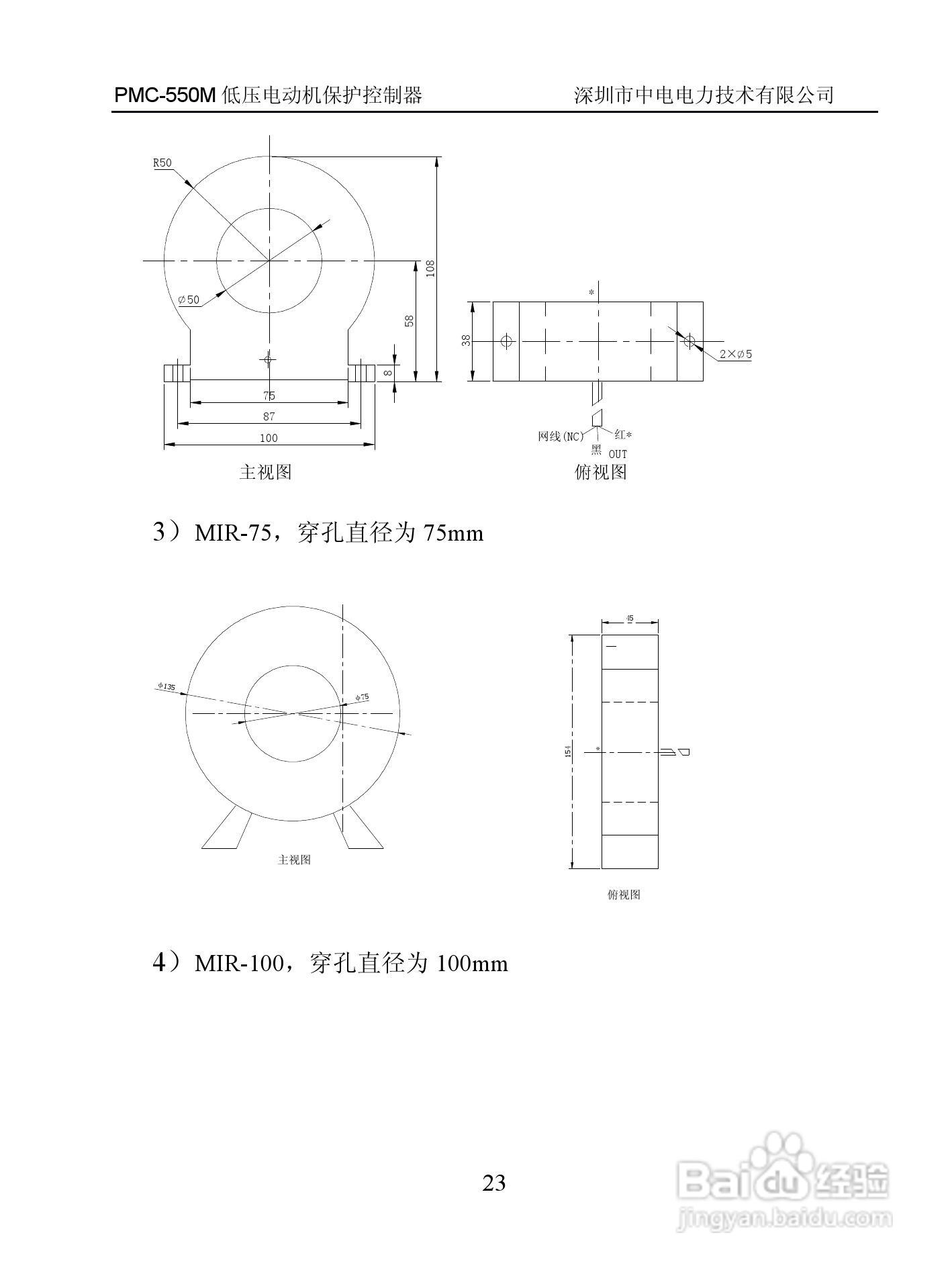
PMC-550M低压电动机保护控制器用户手册:[3]
2026-03-26 14:16:51
本篇为《PMC-550M低压电动机保护控制器用户手册》,主要介绍该产品的使用方法以及常见故障解决方案。
(共篇)
上一篇:
|
下一篇:
声明:
本网站引用、摘录或转载内容仅供网站访问者交流或参考,不代表本站立场,如存在版权或非法内容,请联系站长删除,联系邮箱:site.kefu@qq.com。
相关推荐
电动机长期低压运行怎么办
阅读量:104
PMC如何确保订单达成
阅读量:140
PMC工作职责的解析?
阅读量:152
企业如何建立PMC体系
阅读量:26
电动机保护器选型基本原则
阅读量:122
猜你喜欢
如何修复u盘
如何让胸自然变大
怎么查成考成绩
怎么关闭端口
如何增强孩子免疫力
野兔子肉怎么做好吃
血压低怎么办吃什么好得快
如何训练狗
梦见老公出轨了是什么征兆
如何搜索文件
猜你喜欢
山神的休闲生活
生活大爆炸
如何引导学生自主学习
充气娃娃怎么用视频
如何煮绿豆汤
脸上红血丝如何去除
腿上有红色的血纹是怎么回事
如何让胸自然变大
秒拍的视频怎么下载
mg怎么样