小度生活
首页
美食营养
手工爱好
生活家居
返回
小度生活
首页
美食营养
游戏数码
手工爱好
生活家居
健康养生
运动户外
职场理财
情感交际
母婴教育
时尚美容
知识问答
生活知识
生活百科
搜索
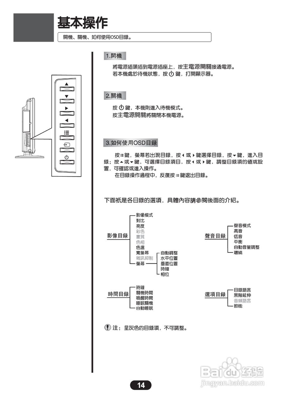
三洋SMT-22KE3液晶显示器使用说明书:[2]
2026-05-27 00:27:07
(共篇)
上一篇:
|
下一篇:
声明:
本网站引用、摘录或转载内容仅供网站访问者交流或参考,不代表本站立场,如存在版权或非法内容,请联系站长删除,联系邮箱:site.kefu@qq.com。
相关推荐
三洋SMT-22KHE3液晶显示器使用说明书:[2]
阅读量:93
三洋SMT-22KHE3液晶显示器使用说明书:[3]
阅读量:68
三洋SMT-42KE5液晶显示器使用说明书:[3]
阅读量:90
三洋SMT-55KIE3液晶显示器使用说明书:[3]
阅读量:77
三洋SMT-24KH5液晶显示器使用说明书:[3]
阅读量:128
猜你喜欢
311是什么意思
中外合作办学什么意思
断章取义什么意思
运动会加油稿50字集合
鼓励的反义词是什么
什么是低钾血症
486是什么意思
爱是什么作文
一等功退伍有什么待遇
运动会的广播稿
猜你喜欢
一次什么的尝试作文
bios是什么意思
piano什么意思
人力资源管理学什么
无土养殖泥鳅
苹果11什么时候上市
什么是有限公司
兰州有什么特产
心悦会员有什么用
tx什么意思