小度生活
首页
美食营养
手工爱好
生活家居
返回
小度生活
首页
美食营养
游戏数码
手工爱好
生活家居
健康养生
运动户外
职场理财
情感交际
母婴教育
时尚美容
知识问答
生活知识
搜索
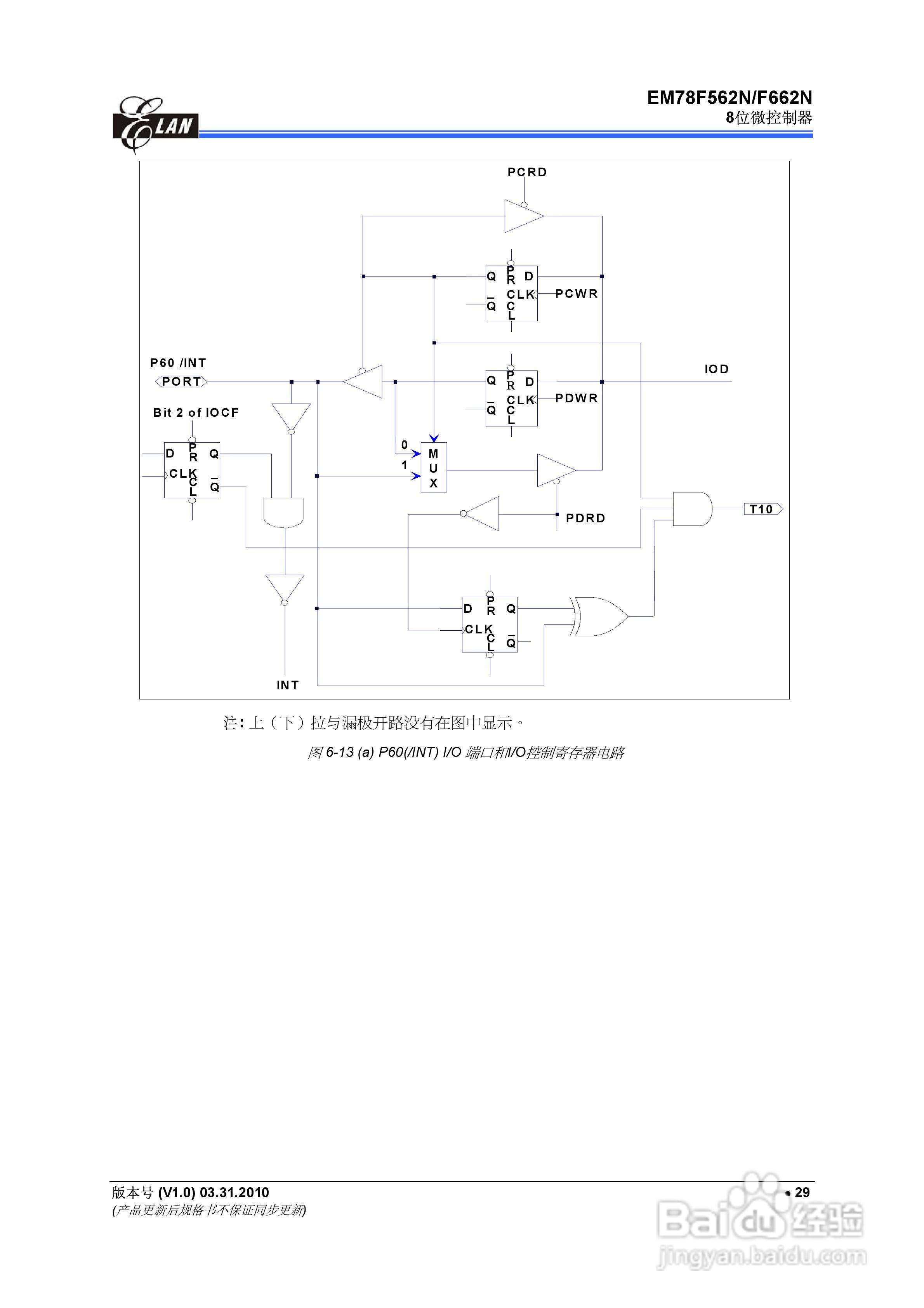
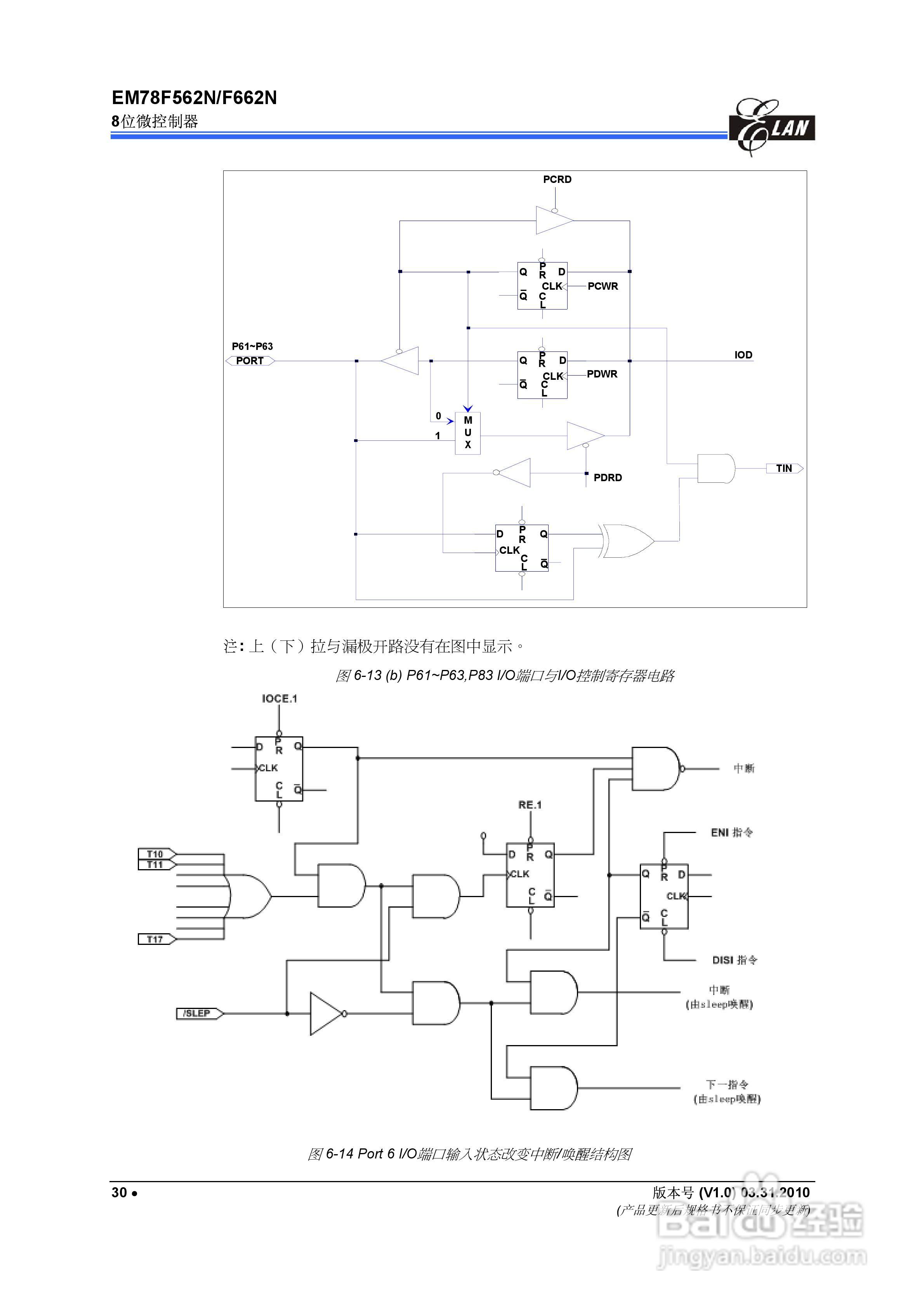
EM78F562N/F662N 8位微控制器说明书:[4]
2026-02-12 23:20:35
本篇为《EM78F562N/F662N 8位微控制器说明书》,主要介绍该产品的使用方法以及常见故障解决方案。
(共篇)
上一篇:
|
下一篇:
声明:
本网站引用、摘录或转载内容仅供网站访问者交流或参考,不代表本站立场,如存在版权或非法内容,请联系站长删除,联系邮箱:site.kefu@qq.com。
相关推荐
EM78F562N/F662N 8位微控制器说明书:[8]
阅读量:128
TOSHIBA TMP86PM46NG 8位微控制器说明书:[4]
阅读量:91
Winbond W78E365 8位微控制器说明书:[4]
阅读量:152
8位风格照片工坊中怎么调整色盘
阅读量:163
8位无保qq怎么上保
阅读量:54
猜你喜欢
九寨沟什么时候去最好
倜傥的意思
成人高考什么时候出成绩
指纹锁什么牌子最好
什么是泰山石
呲牙是什么意思
梦见洪水是什么意思
伏地魔是什么意思
一无所有的意思
奢望的意思
猜你喜欢
step文件用什么打开
卡起码韩语什么意思
嗤笑的意思
护发精油什么牌子好
轩的意思
披荆斩棘是什么意思
捷报的意思
刑克是什么意思
什么是麻醉药品
蓝底配什么颜色的字