小度生活
首页
美食营养
手工爱好
生活家居
返回
小度生活
首页
美食营养
游戏数码
手工爱好
生活家居
健康养生
运动户外
职场理财
情感交际
母婴教育
时尚美容
知识问答
生活知识
生活百科
搜索
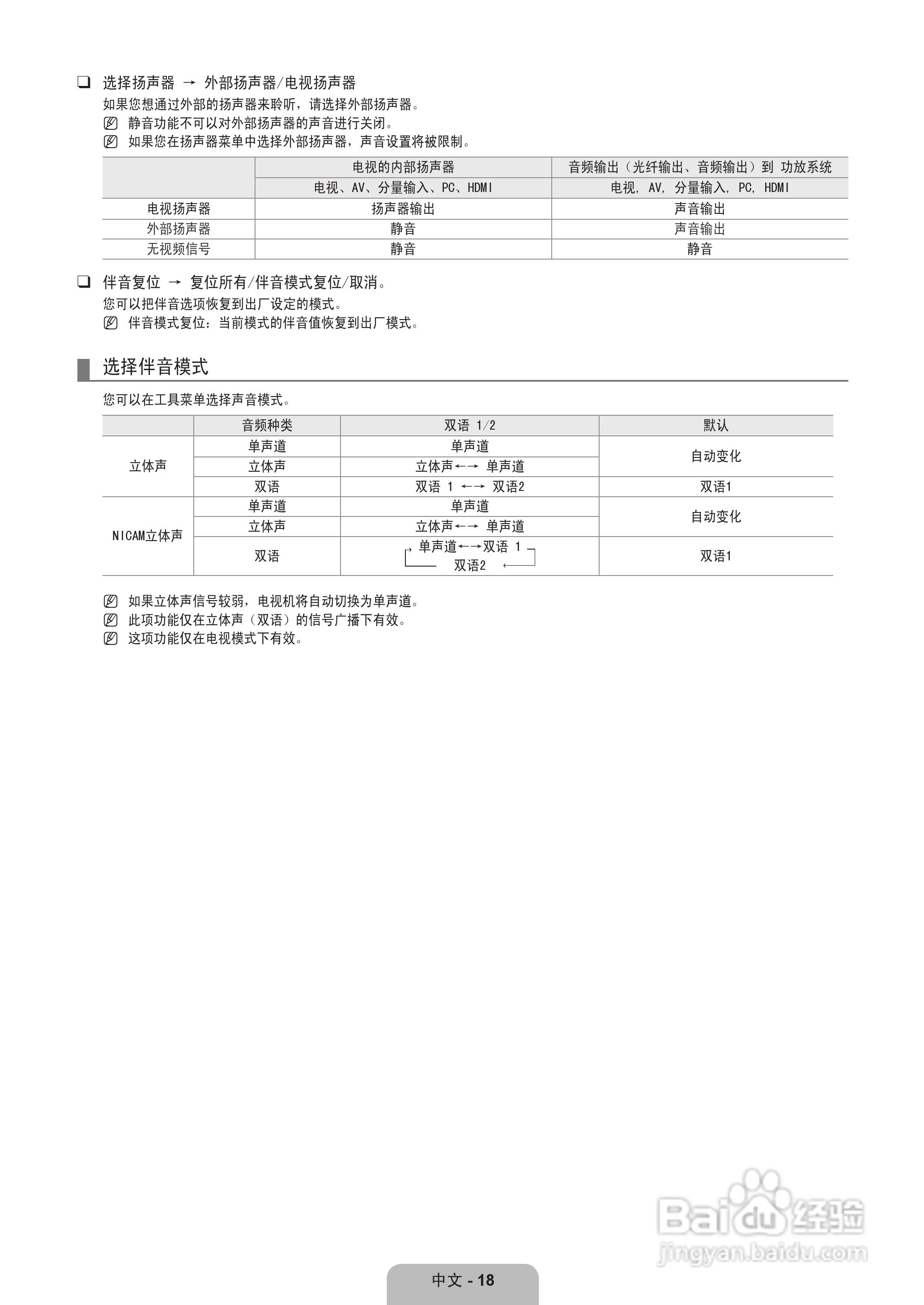
三星UA40B6000VF液晶彩电使用说明书:[3]
2026-03-30 04:29:00
(共篇)
上一篇:
|
下一篇:
声明:
本网站引用、摘录或转载内容仅供网站访问者交流或参考,不代表本站立场,如存在版权或非法内容,请联系站长删除,联系邮箱:site.kefu@qq.com。
相关推荐
三星UA32B6000VF液晶彩电使用说明书:[3]
阅读量:57
三星UA32B6000VF液晶彩电使用说明书:[4]
阅读量:84
三星UA32B6000VF液晶彩电使用说明书:[7]
阅读量:104
三星UA32B6000VF液晶彩电使用说明书:[5]
阅读量:164
三星UA60C6900VF液晶彩电使用说明书:[3]
阅读量:55
猜你喜欢
仙草是什么
thing是什么意思
phone什么意思
delicious什么意思
半月板是什么
什么是脱脂牛奶
什么是文学
health是什么意思
refuse是什么意思
itunes是什么
猜你喜欢
感恩节在什么时候
心猿意马是什么意思
想一个人是什么感觉
仙人跳什么意思
肺气肿是什么病严重吗
变频空调是什么意思
多汗是什么原因
什么是断桥铝门窗
氪金是什么意思
什么杀毒软件好用