DFXL-T输电线路异频参数测试系统使用说明书
仪器主特点:
1. 快速准确完成线路的正序电容,正序阻抗,零序电容,零序阻抗等参数的测量,还可以测量线路间互感和耦合电容(线路直阻采用专门的HVLR线路直阻仪进行测量);
2. 抗干扰能力强,能在异频信号与工频干扰信号之比为1:10的条件下准确测量;
3. 外部接线简单,仅需一次接入被测线路的引下线就可以完成全部的线路参数测量;
4. 仪器以DSP数字信号处理器为内核,实现测试电源、仪表、计算模型集成化,将一卡车的设备浓缩为一台仪器。大屏幕汉字显示液晶,旋转鼠标操作方式,面板汉字微型打印机打印结果,操作十分简便;
5. 测试过程快捷,仪器自动完成测试方式控制、升压降压控制和数据测量和计算,并打印测量结果,一个序参数的测量约一分钟就能完成,试验时间缩短,工作量大大减小,5分钟内可完成传统方法两个小时的工作量;
6. 测量精度高,仪器本身提供接近工频的异频电源(47.5Hz和52.5Hz),轻松分离工频及杂波干扰,有效地实现小信号的高精度测量;
7. 解决了现有测试手段存在的测试接线倒换烦琐、抗干扰、稳定度、精度等方面存在的问题。
8. 可以保存2048组测试数据,并能够通过USB接口导出到上位计算机进行数据管理及报告生成。
技术参数:
1.仪器供电电源:三相,~380V±10%,15A,50Hz (有效值)
2.仪器内部异频电源特性:
最大输出电压:三相,0~200V(有效值,<±1%)
最大输出电流:5A
输出频率:47.5Hz,52.5Hz (<±0.1HZ)
有功功率:功率因数在0.1~1.0时,±0.5%读数±1个字
最大输出功率:三相3´3kW(9kW)
具备测量两相线路的功能(包括直流输电线路和电气化铁路牵引线路)
3.测量范围:
电容: 0.1~30μF;
阻抗: 0.1~400Ω;
阻抗角: 0°~360°;
线路长度从0.3km到400km均应能够稳定准确测试
4.测量分辨率:
电容: 0.01μF;
阻抗: 0.01Ω;
阻抗角: 0.01°
5. 测量准确度:
电容:≥1μF时,±1%读数±0.01μF;
<1μF时,±3%读数±0.01μF;
阻抗:≥1Ω时,±1%读数±0.01Ω;
<1Ω时,±3%读数±0.01Ω;
阻抗角:测试条件:电流>0.1A;
±0.3°(电压>1.0V), ±0.5°(电压:0.2V~1.0V)
6.保护功能,仪器具有过流、过压、接地等保护功能。
仪器面板带有三相保险,过流过压都是通过保险保护仪器安全和操作人员安全(前提是按照高压试验安全操作要求,将仪器大地端子可靠接地),不会烧坏仪器。
7.波形畸变率:正弦波,畸变率<2%。
8.绝缘性能、抗震性能
使用方法介绍:
测试接线
1.仪器现场测试接线
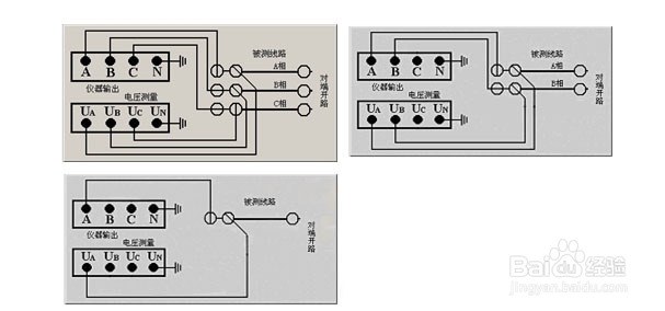
测试开始前,将测量端的线路引下线可靠接入大地,并将面板左上角的仪器接地端子可靠接入大地,然后分别将电源输出信号地N和电压输入信号地UN分别可靠接入大地,将测试电源输出端子A、B、C连接到线路测量引下线仪器电源侧,最后将电压测量端子UA、UB、UC接入线路引下线线路侧,如图5-1,仪器测试接线完成后,再打开线路引下线的接地,以保证设备和操作人员安全。
仪器测试采用四极法原理,被测线路需要电流引下线3根,电压引下线3根,电流测试线位于测试电源侧,电压引下线位于线路侧,以消除测量端的测试线和接触电阻的影响。如果测试引下线只引出3个端子,尽量用截面积足够大的导线,并保证与线路测量端可靠连接,避免引入较大的接线误差。
仪器测试接线极为简捷,只需一次接入上述测试线,通过仪器自动控制测量方式和被测线路对端接线方式配合,即可完成所有序参数测量,大大提高测试效率和操作安全性。零序测试时,仪器内部已经将A、B、C三相短接输出。但电压测试通道会测试到引线电阻,导致引起额外的误差。如果线路很短,为确保测试准确度,零序阻抗测试时,请严格按照接线图接线。仪器内部已经将N、UN、左上角的仪器接地端等三个柱子可靠连接,现场接线时可以只连接左上角的仪器接地端到大地就可以了。
2.正序参数测试接线及对端操作
在正序电容(正序开路)测试中,被测线路对端(相对于测量端)开路,将仪器电源输出引至被测线路测量端外侧电流引下线,电压测量输入端接至电压引下线,三相、两相、单相回路的测试接线如图5-1所示。

图5-1 正序电容测试接线及对端操作示意图
进行正序阻抗(正序短路)测试时,将对端短接接地,如图5-2。实际测量中,由于仪器测试电源三相平衡度较高,对端完全可以接地,不会引入超过精度要求的测量误差。这样,可以与零序阻抗测试时的对端状况保持一致,简化对端操作,提高工作效率。

图5-2 正序阻抗测试接线及对端操作示意图
3.零序参数测试接线及对端操作
在零序电容(零序开路)测试中,通过仪器内部的控制回路切换测试信号连接方式,实际的测试接线相当于图5-3所示的连接关系。零序电容测试中,测量端三相短接,仪器只输出一相测试电源到被测线路。对端保持三相开路状态,不影响测试准确度,与正序电容状态一致,可以简化对端操作,提高工作效率。

零序阻抗(零序短路)测试时,将对端线路短接,并可靠接至大地,如图5-4所示,其余信号引线与零序电容测量时保持一致。
4.互感测试接线及对端操作
测试两条输电线路间的互感时,被测线路测量端和对端三相分别短接,对端接大地,将仪器输出C和电压测量端子UC分别接入被测线路1的测试引下线,被测线路2的测量端引下线接入面板互感测量端子UH(UC),端子UL(UN)接大地,如图5-5所示。
5.耦合电容测试接线及对端操作
测试两条输电线路间的耦合电容时,被测线路1,2的测量端和对端三相分别短接,对端不接地,被测线路1的电流引下线接至仪器输出端C,电压引下线接至电压测量端UC,被测线路2的首端分别接至UN和N端,N端接大地,如图5-6。
图5-6的电路实际上测量的是线路1、2之间的耦合电容和被测线路1的零序电容之和,所以进行耦合电容测试前应先测量被测线路1的零序电容。
