小度生活
首页
美食营养
手工爱好
生活家居
返回
小度生活
首页
美食营养
游戏数码
手工爱好
生活家居
健康养生
运动户外
职场理财
情感交际
母婴教育
时尚美容
知识问答
生活知识
生活百科
搜索
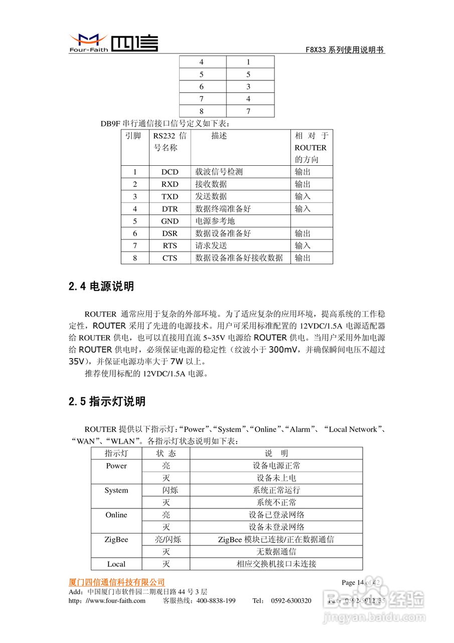
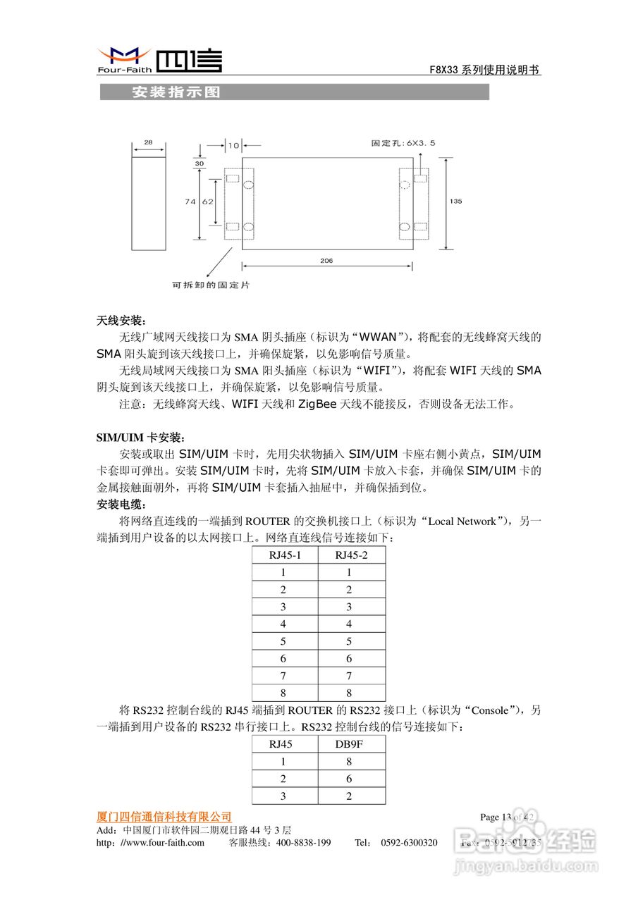
四信F8633路由器使用说明书:[2]
2026-03-27 01:30:00
本篇为《四信F8633路由器使用说明书》,主要介绍该产品的使用方法以及常见故障解决方案。
(共篇)
上一篇:
|
下一篇:
声明:
本网站引用、摘录或转载内容仅供网站访问者交流或参考,不代表本站立场,如存在版权或非法内容,请联系站长删除,联系邮箱:site.kefu@qq.com。
相关推荐
路由器如何使用
阅读量:189
路由器怎么设置密码
阅读量:111
路由器密码怎么修改
阅读量:63
如何查看路由器的宽带密码
阅读量:126
工业4G路由器测速方法
阅读量:71
猜你喜欢
生活大爆炸第一季
痛风发作时应如何缓解疼痛
健身教练证书怎么考
如何理财投资
如何做排骨汤
牛肉怎么做好吃易烂
如何安装固态硬盘
如何生双胞胎
get是什么意思啊
生活中的一个小镜头
猜你喜欢
警校生活
cad怎么导出jpg
浙江师范大学行知学院怎么样
蓝色光标怎么样
蚂蚁的生活环境
女朋友来月经怎么照顾
婴儿不吃饭怎么办
飞机如何起飞
ps中如何抠图
离婚手续如何办理