小度生活
首页
美食营养
手工爱好
生活家居
返回
小度生活
首页
美食营养
游戏数码
手工爱好
生活家居
健康养生
运动户外
职场理财
情感交际
母婴教育
时尚美容
知识问答
生活知识
搜索
NEC NP61/NP41手提式投影机使用手册:[3]
2025-11-05 07:04:15
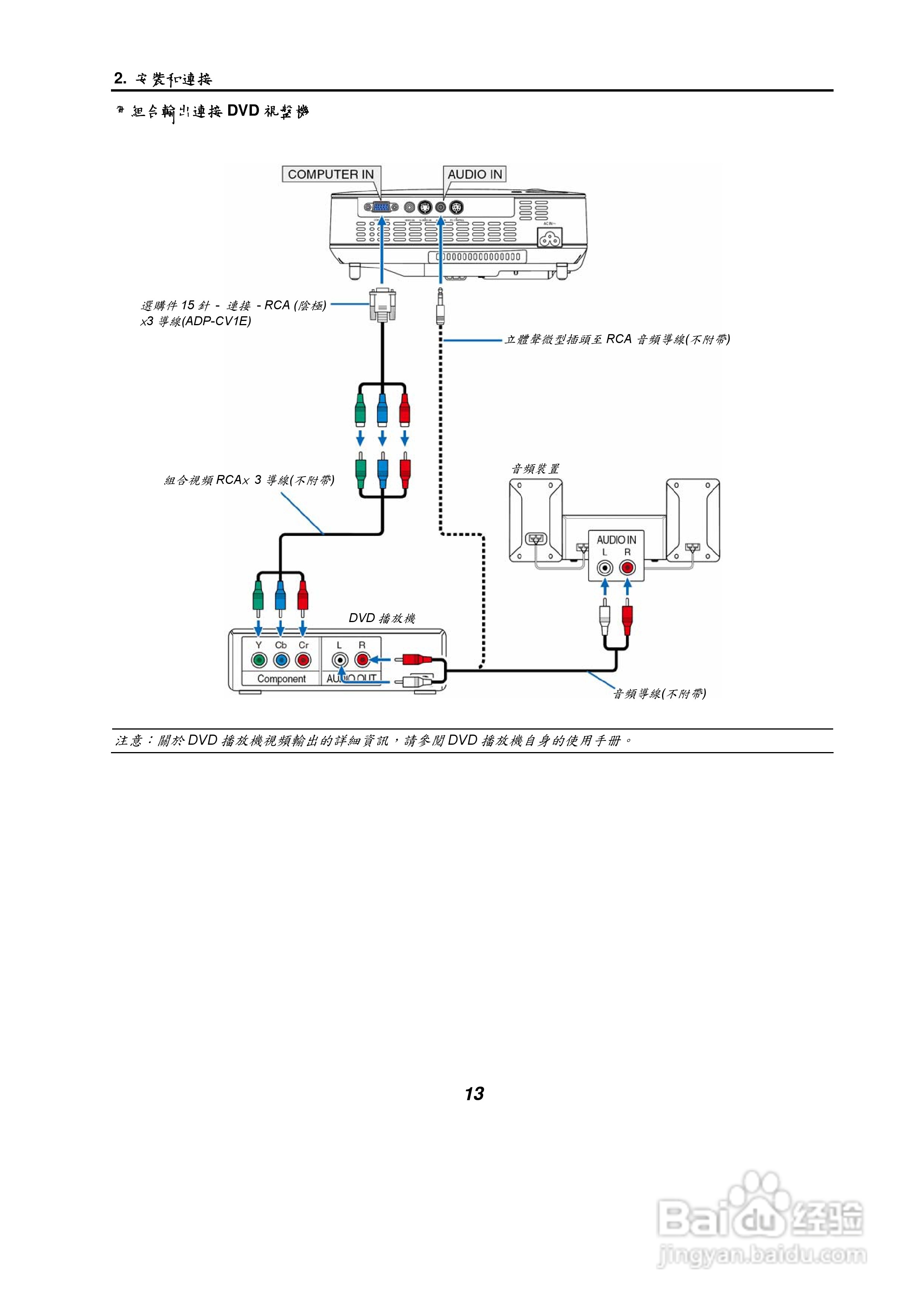
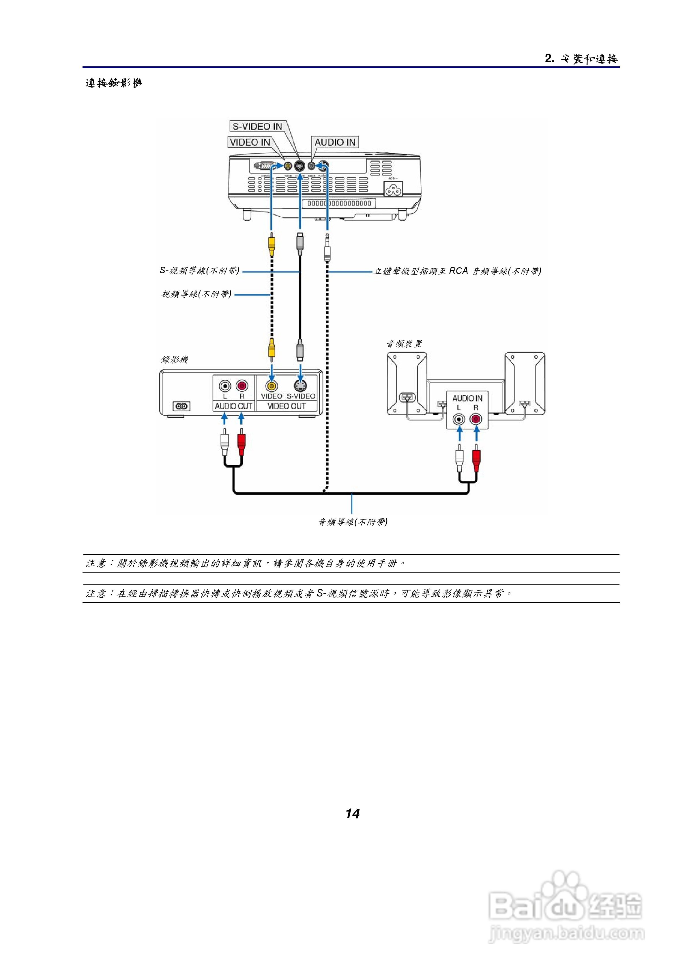
本篇为《NEC NP61/NP41手提式投影机使用手册》,主要介绍该产品的使用方法以及常见故障解决方案。
(共篇)
上一篇:
|
下一篇:
声明:
本网站引用、摘录或转载内容仅供网站访问者交流或参考,不代表本站立场,如存在版权或非法内容,请联系站长删除,联系邮箱:site.kefu@qq.com。
相关推荐
投影机怎样连接使用
阅读量:85
NEC NP2000/NP1000投影机使用手册:[4]
阅读量:101
NEC NP2000/NP1000投影机使用手册:[5]
阅读量:25
NEC NP2000/NP1000投影机使用手册:[6]
阅读量:156
NEC NP2000/NP1000投影机使用手册:[7]
阅读量:65
猜你喜欢
米色配什么颜色好看
水洗皮是什么皮
抹茶是什么
四物汤是什么
头发白是什么原因
骚组词是什么
氟利昂是什么
chick是什么意思
gcd是什么意思
小满是什么意思
猜你喜欢
电视4k是什么意思
同工同酬是什么意思
什么是3d电影
刷牙出血是什么原因
燃气灶什么牌子好
die是什么意思
actor是什么意思
580分能上什么大学
timing是什么意思
唯唯诺诺是什么意思