小度生活
首页
美食营养
手工爱好
生活家居
返回
小度生活
首页
美食营养
游戏数码
手工爱好
生活家居
健康养生
运动户外
职场理财
情感交际
母婴教育
时尚美容
知识问答
生活知识
搜索
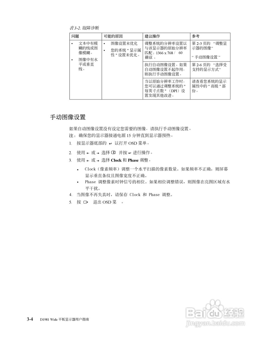
联想D1981W液晶显示器使用说明书:[3]
2025-10-23 04:44:40
/>
(共篇)
上一篇:
声明:
本网站引用、摘录或转载内容仅供网站访问者交流或参考,不代表本站立场,如存在版权或非法内容,请联系站长删除,联系邮箱:site.kefu@qq.com。
相关推荐
联想D185液晶显示器使用说明书:[3]
阅读量:144
联想D186W液晶显示器使用说明书:[3]
阅读量:80
联想L195液晶显示器使用说明书:[3]
阅读量:192
联想电脑bios设置图解教程
阅读量:33
联想error1962解决步骤
阅读量:148
猜你喜欢
生活因友谊而精彩
如何重装系统win7
如何写散文
vlog是什么意思
reset是什么意思
新白洁性荡生活
如何折百合花
商业策划书怎么写
余姚生活网
如何增强性能力
猜你喜欢
暴风城怎么去达拉然
金乡县生活网
皮肤黑的人怎么变白
从怎么看到怎么办
如何引导学生自主学习
爱奇艺如何下载视频
从零开始的异世界生活
颐指气使是什么意思
信用卡积分怎么算
sku是什么意思啊