小度生活
首页
美食营养
手工爱好
生活家居
返回
小度生活
首页
美食营养
游戏数码
手工爱好
生活家居
健康养生
运动户外
职场理财
情感交际
母婴教育
时尚美容
知识问答
生活知识
搜索
YAMATAKE数字指示调节器SDC20/21使用说明书:[3]
2025-10-13 20:53:59
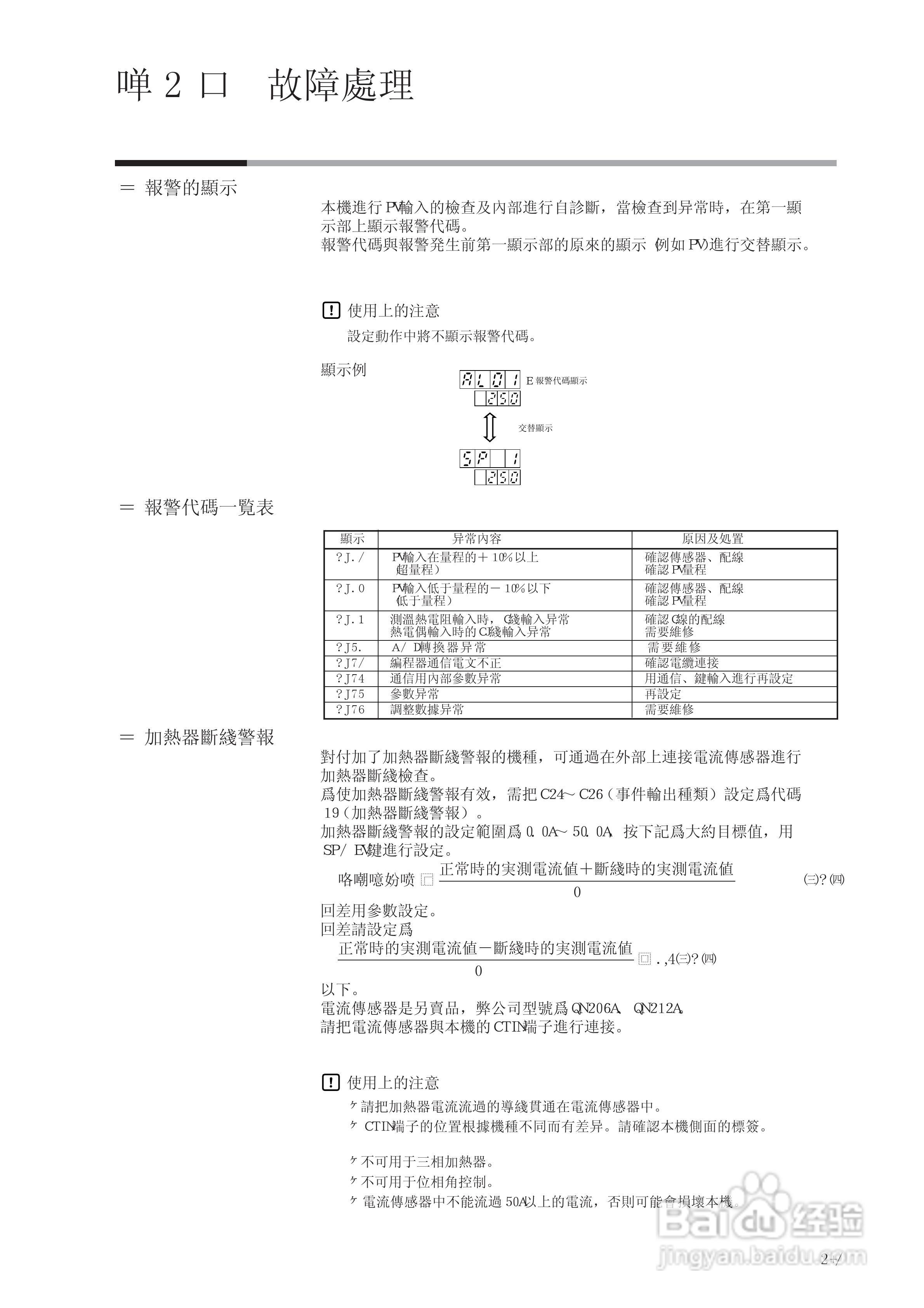
本篇为《YAMATAKE数字指示调节器SDC20/21使用说明书》,主要介绍该产品的使用方法以及常见故障解决方案。
(共篇)
上一篇:
|
下一篇:
声明:
本网站引用、摘录或转载内容仅供网站访问者交流或参考,不代表本站立场,如存在版权或非法内容,请联系站长删除,联系邮箱:site.kefu@qq.com。
相关推荐
快普M6 OA 协同办公系统
阅读量:165
秒开网络加速MQA-R200部署说明
阅读量:174
CTS系列穿轴式张力传感器使用说明书
阅读量:160
YAMATAKE数字指示调节器SDC20/21使用说明书:[1]
阅读量:95
金蝶云 Cloud IIS管理器配置
阅读量:160
猜你喜欢
脑核磁共振检查什么
提拉米苏的意思
concert是什么意思
增根是什么意思
false是什么意思
念念有词什么意思
error是什么意思
什么姿势最容易受孕
什么人不能吃萝卜
trc是什么意思
猜你喜欢
单相思是什么意思
什么是阿富汗玉
循循善诱的意思
什么是液晶电视
什么依然半命题作文
404 not found是什么意思
以的意思
光子嫩肤有什么用
可恶的意思
国企混改是什么意思