声宝AW-A63BR型杀菌窗型冷气机说明书

2026-03-26 05:49:45

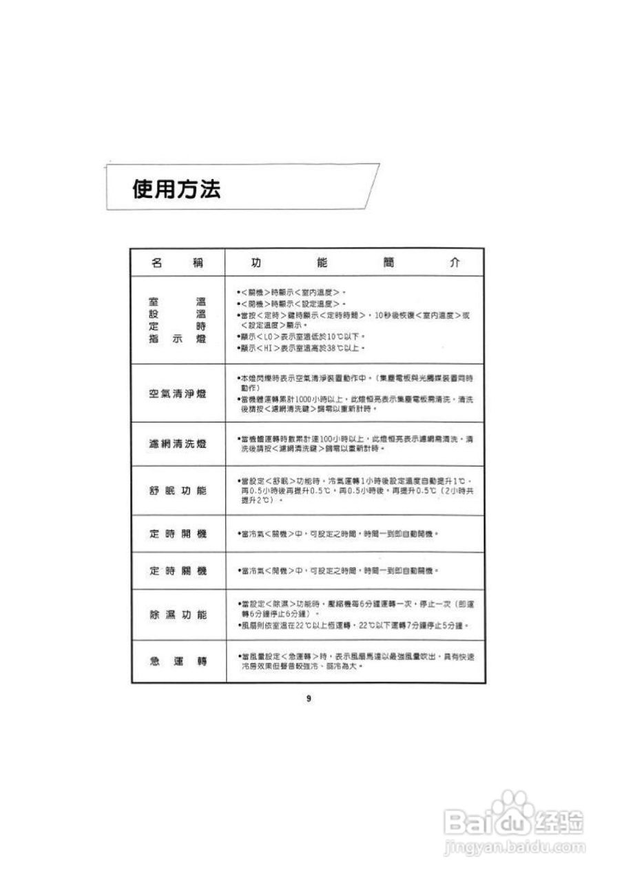
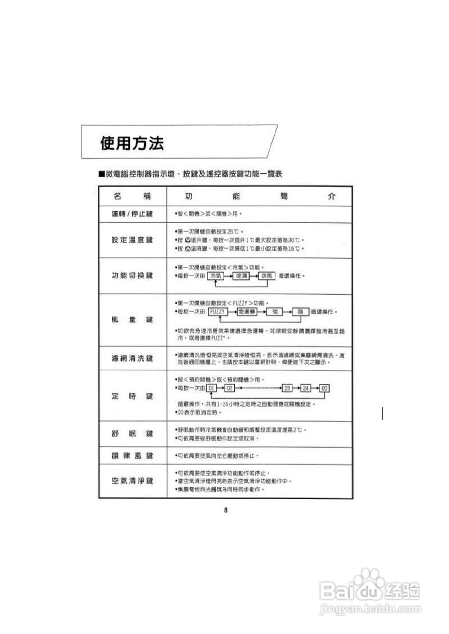
声宝AW-A63BR型杀菌窗型冷气机说明书

声宝AW-A63BR型杀菌窗型冷气机说明书

声宝AW-A63BR型杀菌窗型冷气机说明书

声宝AW-A63BR型杀菌窗型冷气机说明书

声宝AW-A63BR型杀菌窗型冷气机说明书

声宝AW-A63BR型杀菌窗型冷气机说明书

声宝AW-A63BR型杀菌窗型冷气机说明书

声宝AW-A63BR型杀菌窗型冷气机说明书

声宝AW-A63BR型杀菌窗型冷气机说明书

声宝AW-A63BR型杀菌窗型冷气机说明书

声宝AW-A63BR型杀菌窗型冷气机说明书

声宝AW-A63BR型杀菌窗型冷气机说明书

声宝AW-A63BR型杀菌窗型冷气机说明书

声宝AW-A63BR型杀菌窗型冷气机说明书

声宝AW-A63BR型杀菌窗型冷气机说明书

声宝AW-A63BR型杀菌窗型冷气机说明书

声宝AW-A63BR型杀菌窗型冷气机说明书

声宝AW-A63BR型杀菌窗型冷气机说明书

声宝AW-A63BR型杀菌窗型冷气机说明书

声明:本网站引用、摘录或转载内容仅供网站访问者交流或参考,不代表本站立场,如存在版权或非法内容,请联系站长删除,联系邮箱:site.kefu@qq.com。
猜你喜欢