小度生活
首页
美食营养
手工爱好
生活家居
返回
小度生活
首页
美食营养
游戏数码
手工爱好
生活家居
健康养生
运动户外
职场理财
情感交际
母婴教育
时尚美容
知识问答
生活知识
生活百科
搜索
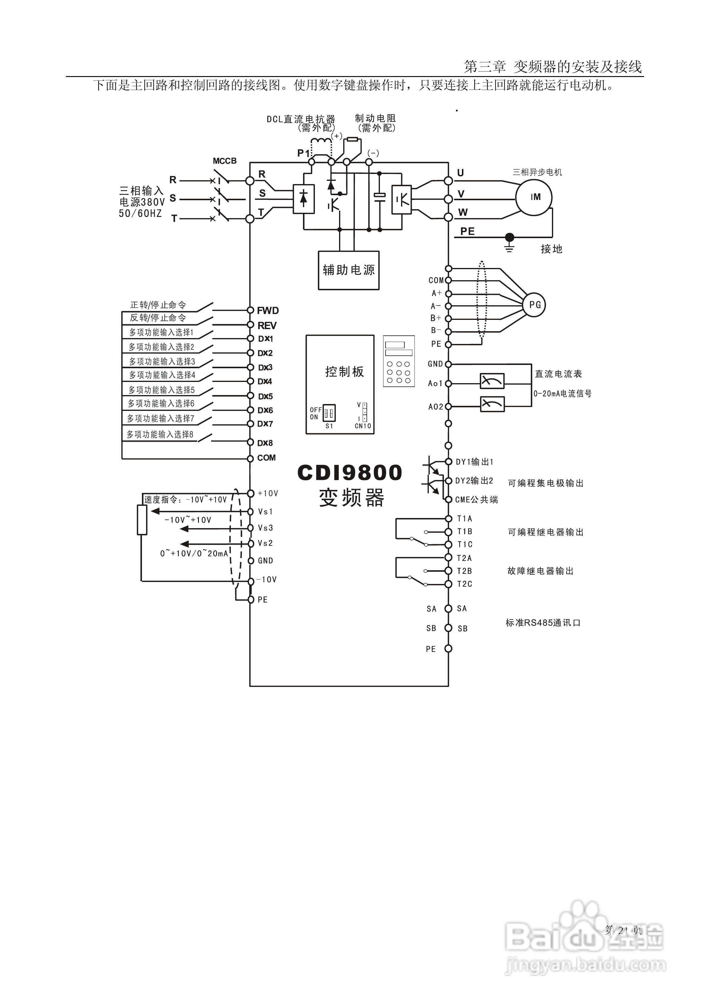
德力西CDI9800系列变频调速器说明书:[3]
2026-05-11 02:49:03
本篇为《德力西CDI9800系列变频调速器说明书》,主要介绍该产品的使用方法以及常见故障解决方案。
(共篇)
上一篇:
|
下一篇:
声明:
本网站引用、摘录或转载内容仅供网站访问者交流或参考,不代表本站立场,如存在版权或非法内容,请联系站长删除,联系邮箱:site.kefu@qq.com。
相关推荐
四个你不知道的QQ绝密技巧!D
阅读量:144
VIM伟恩 VIM E68手机说明书:[1]
阅读量:26
JZ4871单声道音频功放说明书
阅读量:68
UG10.0练习三维建模七十六
阅读量:165
TC无法通过WI域名正确访问WI界面的解决方法
阅读量:125
猜你喜欢
夏士莲洗发水怎么样
年平均增长率怎么算
静脉曲张怎么调理最好
牡丹花怎么栽培
plane怎么读
户口本丢了怎么办
五音不全怎么办
电脑微信怎么加好友
鸽子蛋怎么吃
貔貅怎么开光
猜你喜欢
元朝怎么灭亡的
纤维瘤怎么治疗
泰拉瑞亚翅膀怎么做
干黄花菜怎么吃
怎么做贺卡
脸上起红疙瘩怎么回事
苹果怎么下载东西
北京信息科技大学怎么样
联想手机怎么样
晚上失眠怎么办