小度生活
首页
美食营养
手工爱好
生活家居
返回
小度生活
首页
美食营养
游戏数码
手工爱好
生活家居
健康养生
运动户外
职场理财
情感交际
母婴教育
时尚美容
知识问答
生活知识
搜索
伦茨9300标准型伺服驱动器操作手册:[4]
2026-02-15 17:48:02
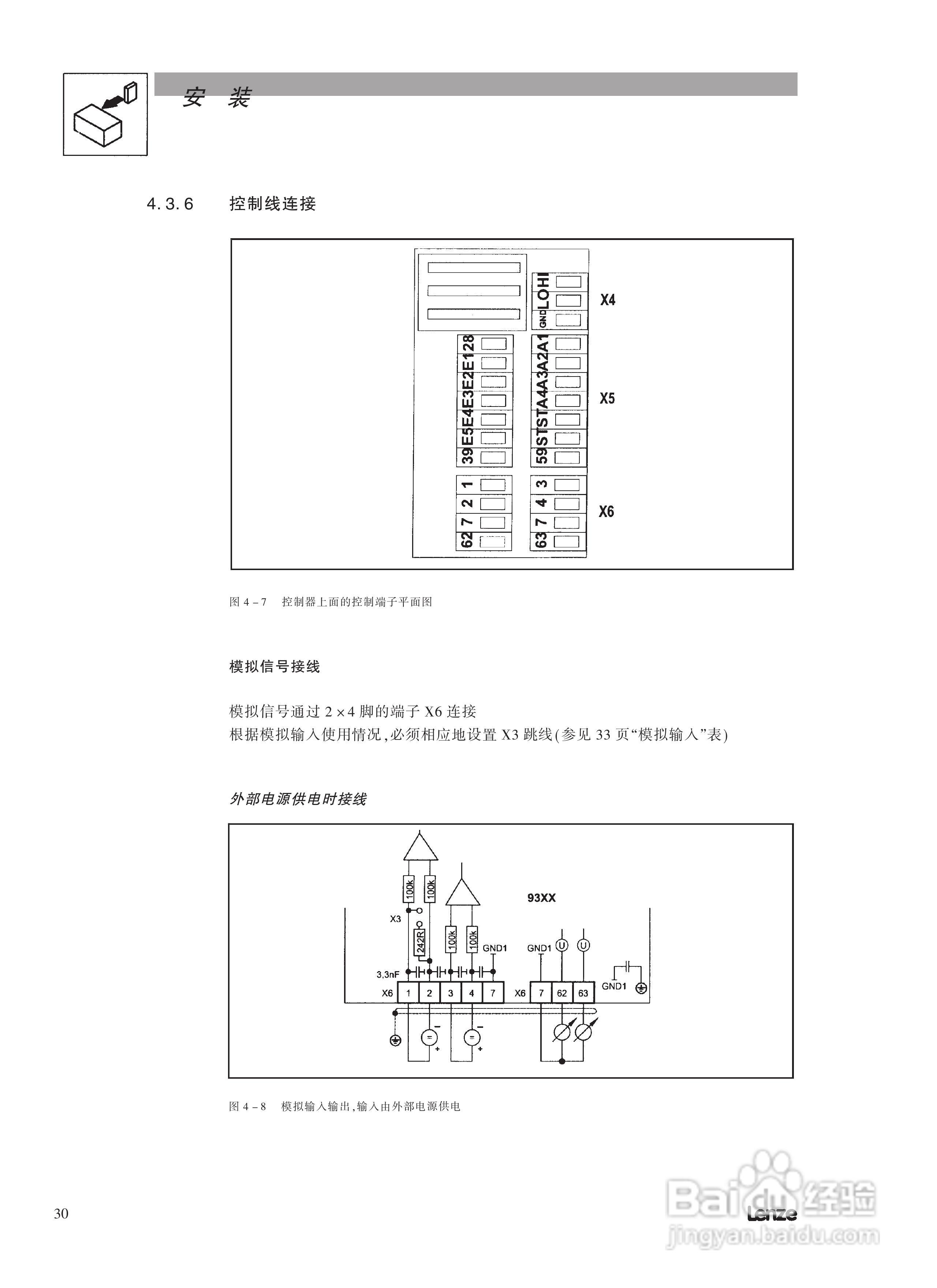
本篇为《伦茨9300标准型伺服驱动器操作手册》,主要介绍该产品的使用方法以及常见故障解决方案。
(共篇)
上一篇:
|
下一篇:
声明:
本网站引用、摘录或转载内容仅供网站访问者交流或参考,不代表本站立场,如存在版权或非法内容,请联系站长删除,联系邮箱:site.kefu@qq.com。
相关推荐
伦茨9300标准型伺服驱动器操作手册:[5]
阅读量:132
伺服驱动器浅析
阅读量:78
伺服驱动器选型
阅读量:60
线性伺服驱动器
阅读量:82
伺服驱动器速度怎么计算
阅读量:20
猜你喜欢
扁豆的功效与作用
在男神身上运动h
简谱乐理知识
幼儿园大班安全知识
石斛的功效与作用吃法
青果的功效与作用
厉兵秣马什么意思
什么奶粉好吸收
劈腿什么意思
什么东西解酒最快
猜你喜欢
运动会作文结尾
人参健脾丸的功效与作用
什么精华好用
鸡蛋花的功效与作用
珍珠粉的功效与作用
消防小知识
attach什么意思
b2驾照能开什么车
天津有什么特产
缩量下跌意味什么