小度生活
首页
美食营养
手工爱好
生活家居
返回
小度生活
首页
美食营养
游戏数码
手工爱好
生活家居
健康养生
运动户外
职场理财
情感交际
母婴教育
时尚美容
知识问答
生活知识
生活百科
搜索
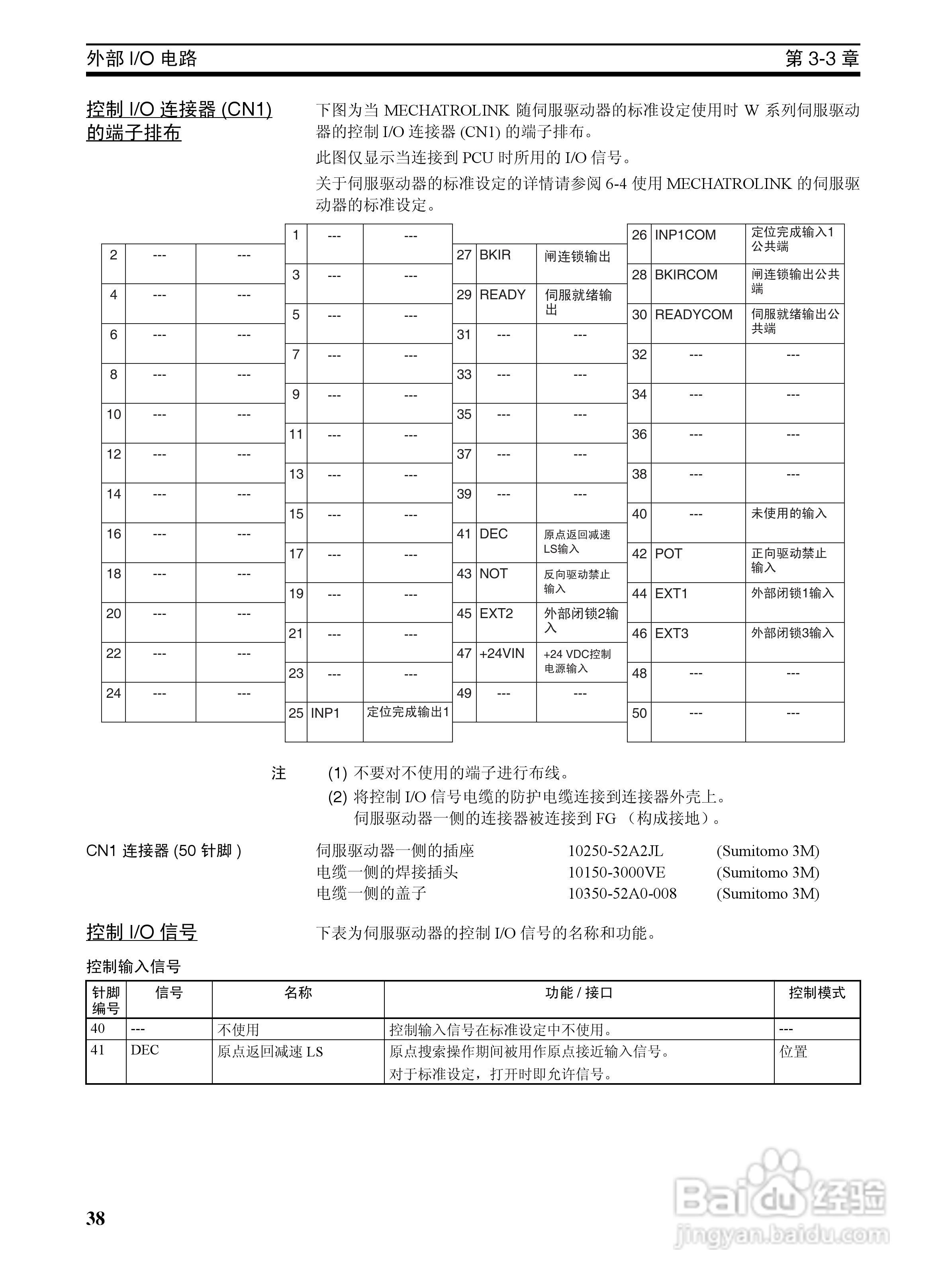
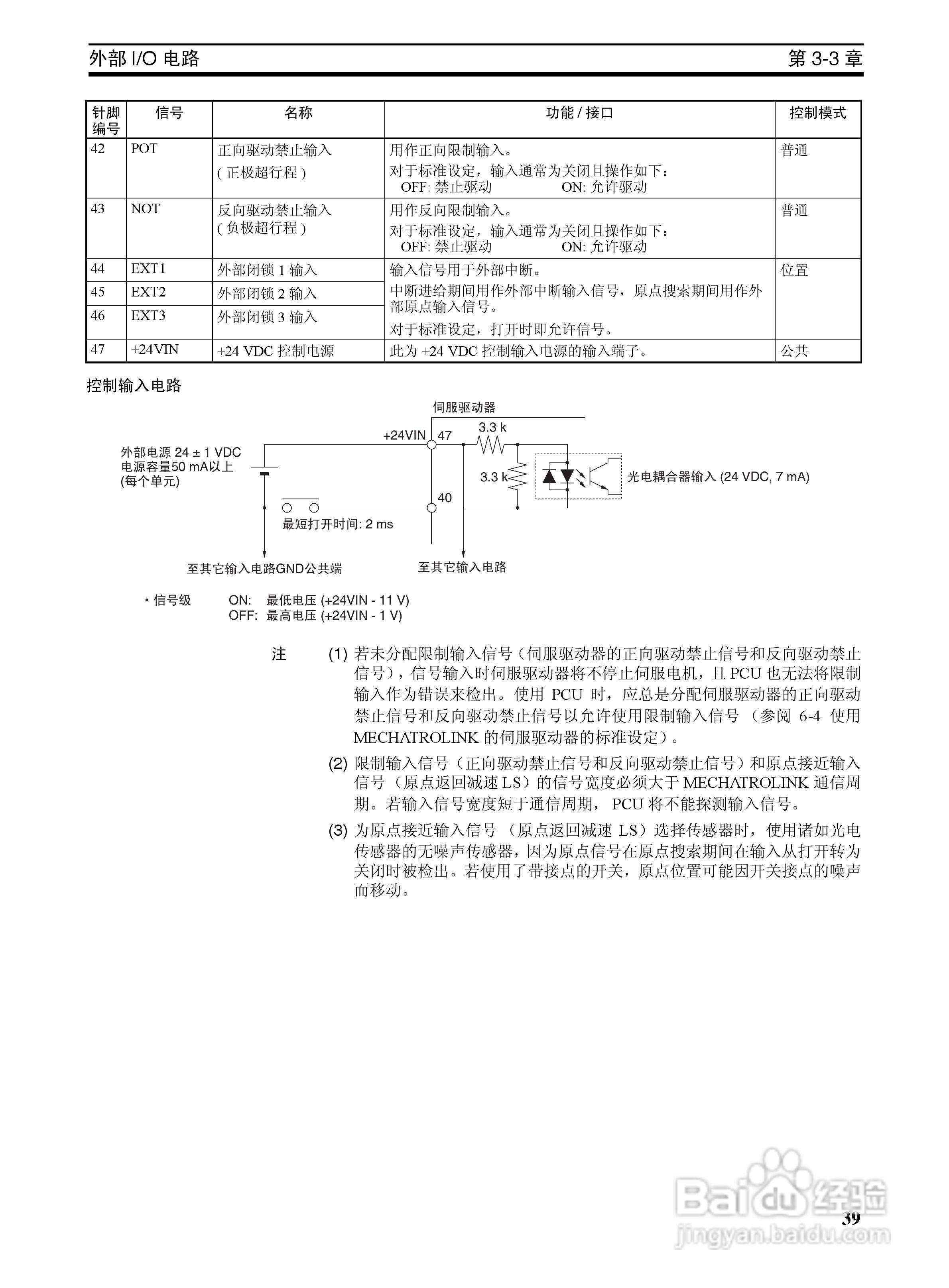
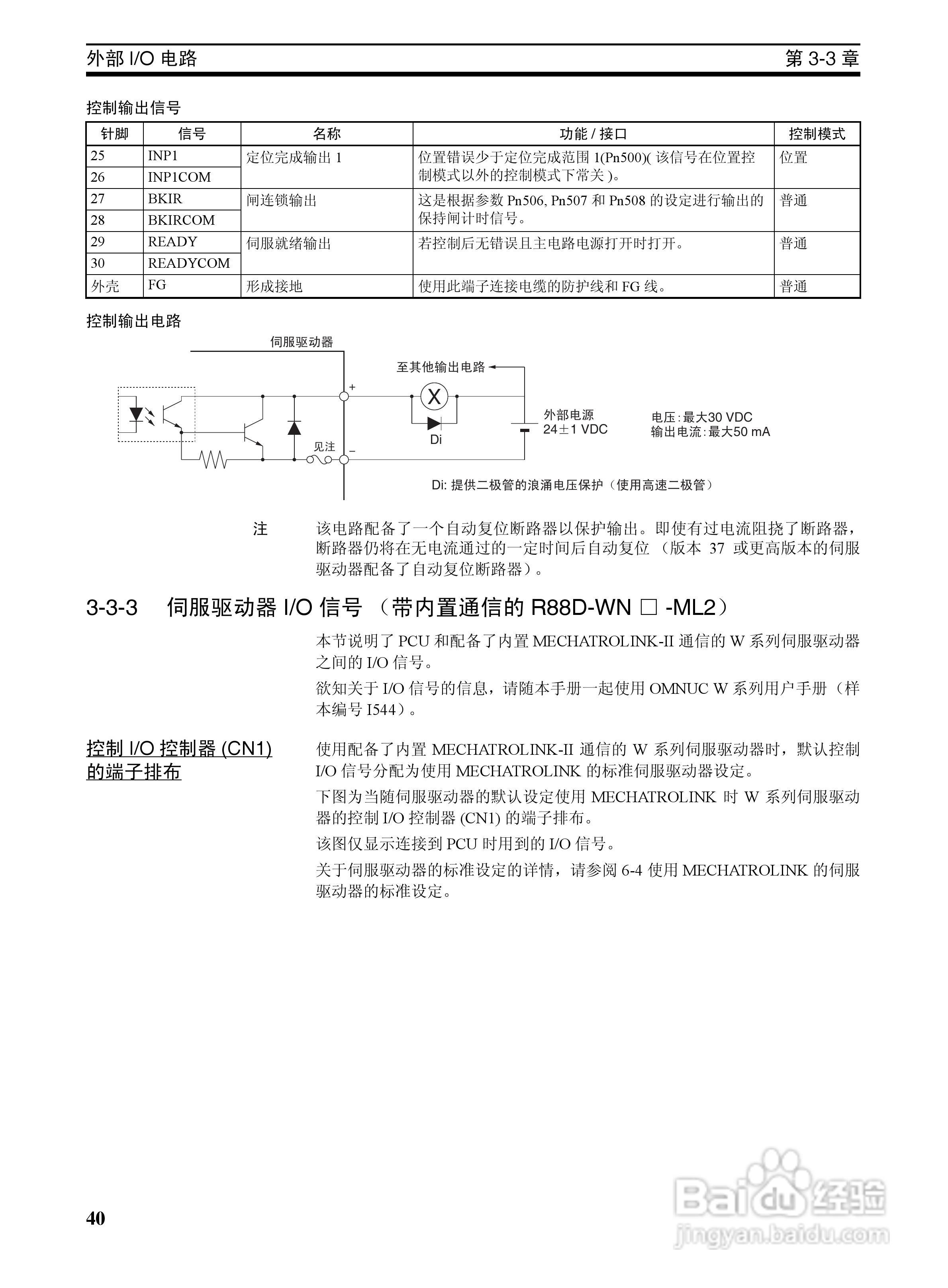
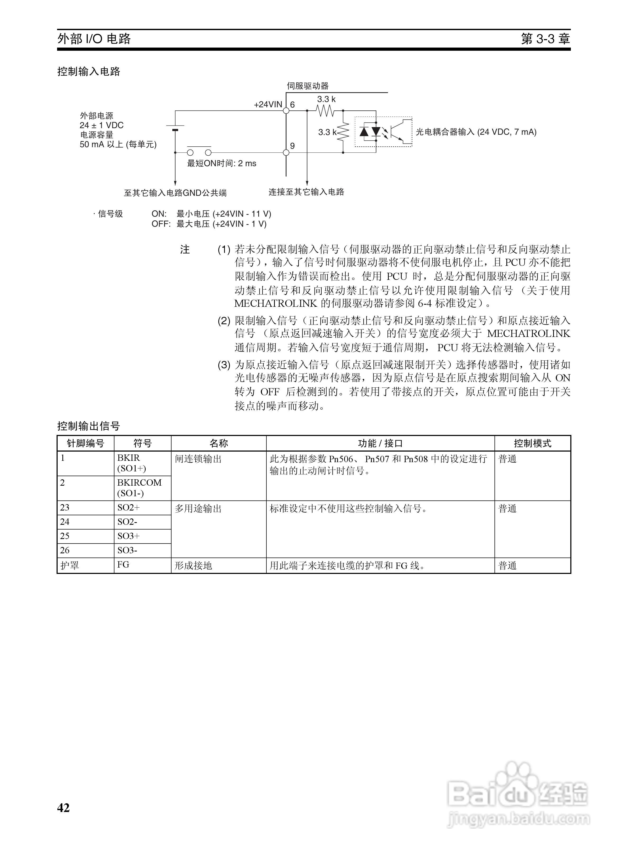
OMRON SYSMAC CJ1W-NCF71位置控制单元操作手册:[6]
2026-03-27 02:21:12
本篇为《OMRON SYSMAC CJ1W-NCF71位置控制单元操作手册》,主要介绍该产品的使用方法以及常见故障解决方案。
(共篇)
上一篇:
|
下一篇:
声明:
本网站引用、摘录或转载内容仅供网站访问者交流或参考,不代表本站立场,如存在版权或非法内容,请联系站长删除,联系邮箱:site.kefu@qq.com。
相关推荐
OMRON SYSMAC CJ1W-NCF71位置控制单元操作手册:[37]
阅读量:149
OMRON SYSMAC CJ1W-NCF71位置控制单元操作手册:[40]
阅读量:135
OMRON SYSMAC CJ1W-NCF71位置控制单元操作手册:[21]
阅读量:34
OMRON SYSMAC CJ1W-NCF71位置控制单元操作手册:[50]
阅读量:27
OMRON SYSMAC CJ1W-NCF71位置控制单元操作手册:[32]
阅读量:43
猜你喜欢
hcg低怎么办
水晶宝宝怎么生孩子
胸部刺痛怎么回事
家里潮湿怎么办
末影龙怎么驯服
狗身上有跳蚤怎么办
违章停车怎么处理
间接转述句怎么改
电脑很慢很卡怎么办
角膜炎怎么治疗
猜你喜欢
月经量太少怎么办
windows.old怎么删除
小狗拉肚子了怎么办
作业没写完怎么办
路虎极光怎么样
北汽幻速s6怎么样
云南白药胶囊怎么吃
肛瘘是怎么引起的
智能电表怎么看
betty怎么读