小度生活
首页
美食营养
手工爱好
生活家居
返回
小度生活
首页
美食营养
游戏数码
手工爱好
生活家居
健康养生
运动户外
职场理财
情感交际
母婴教育
时尚美容
知识问答
生活知识
搜索
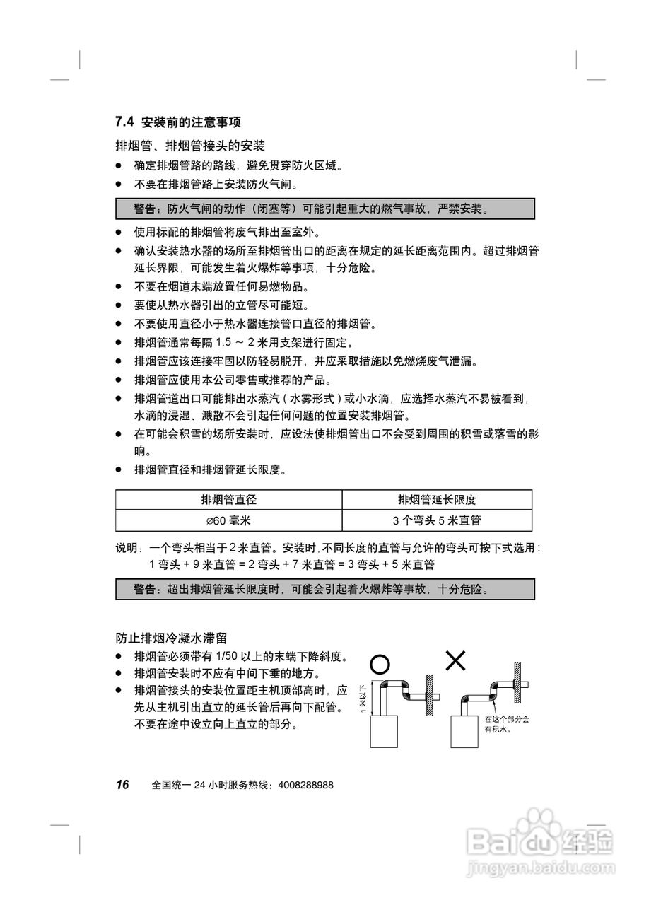
史密斯JSQ26-EX热水器使用说明书:[2]
2026-02-23 09:35:35
(共篇)
上一篇:
|
下一篇:
声明:
本网站引用、摘录或转载内容仅供网站访问者交流或参考,不代表本站立场,如存在版权或非法内容,请联系站长删除,联系邮箱:site.kefu@qq.com。
相关推荐
怎样清除资源管理器搜索记录?
阅读量:36
爱普生EB-825H投影仪使用说明书:[10]
阅读量:187
高清播放机固件升级需要注意的事项
阅读量:159
室内甲醛危害对人体有何种影响?
阅读量:92
Win7访问指定计算机共享资源的步骤
阅读量:67
猜你喜欢
奥迪q5怎么样
微信支付怎么开通
胎儿脐带绕颈怎么办
电子邮箱怎么注册申请
正新鸡排怎么样
邓丽君是怎么死的
tcl电视质量怎么样
阳光保险公司怎么样
恶魔英文怎么写
卡巴斯基怎么样
猜你喜欢
小舌头掉下来怎么办
电脑微信怎么看朋友圈
右胸口疼是怎么回事
申请书怎么写范文
怎么变成双眼皮
广东科技学院怎么样
cad转pdf怎么转
烧烤的调料怎么配
副乳怎么办
腿肚子疼是怎么回事