小度生活
首页
美食营养
手工爱好
生活家居
返回
小度生活
首页
美食营养
游戏数码
手工爱好
生活家居
健康养生
运动户外
职场理财
情感交际
母婴教育
时尚美容
知识问答
生活知识
生活百科
搜索
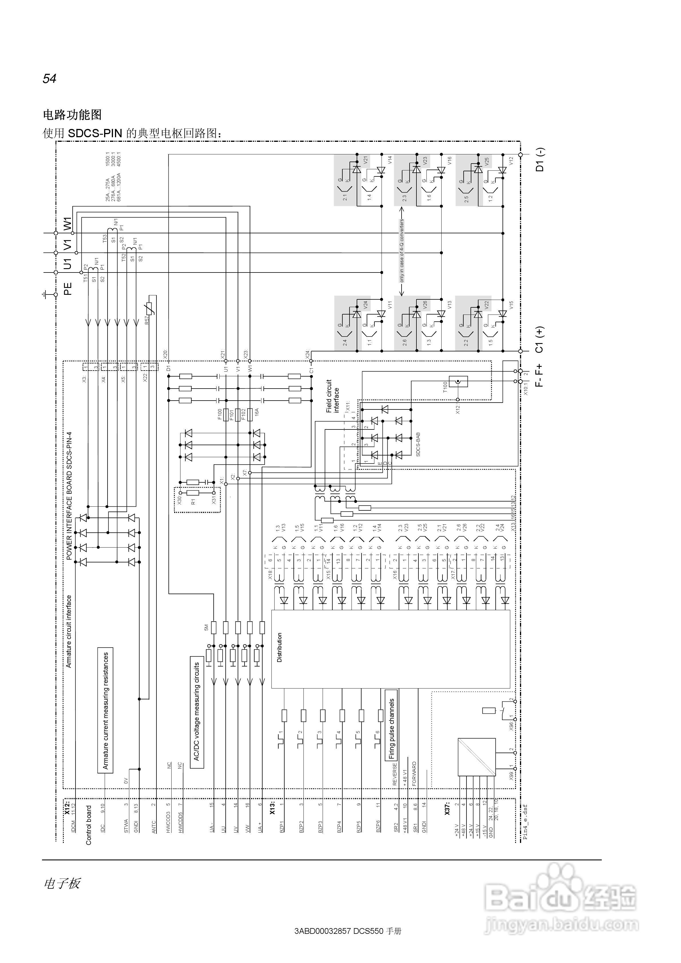
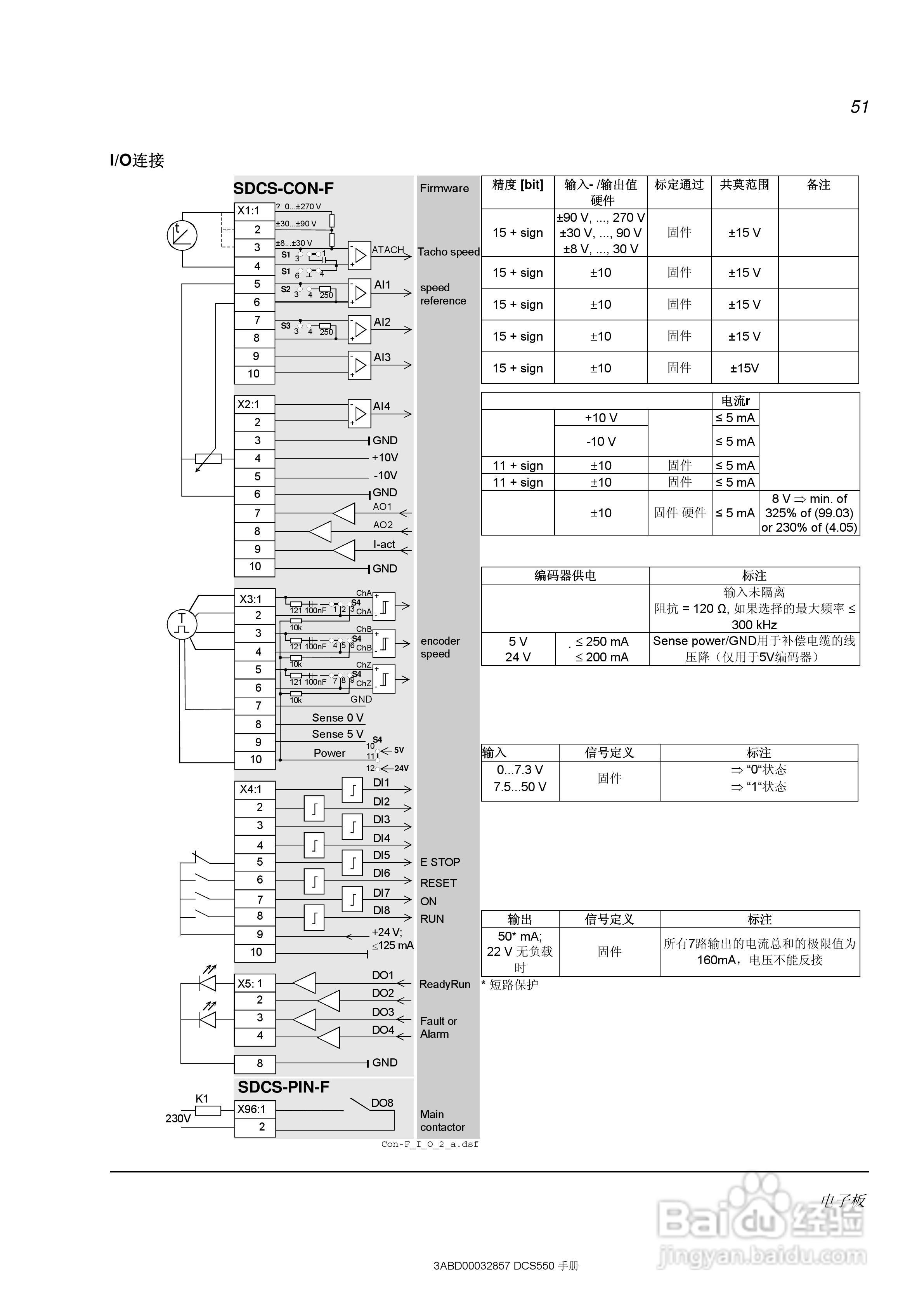
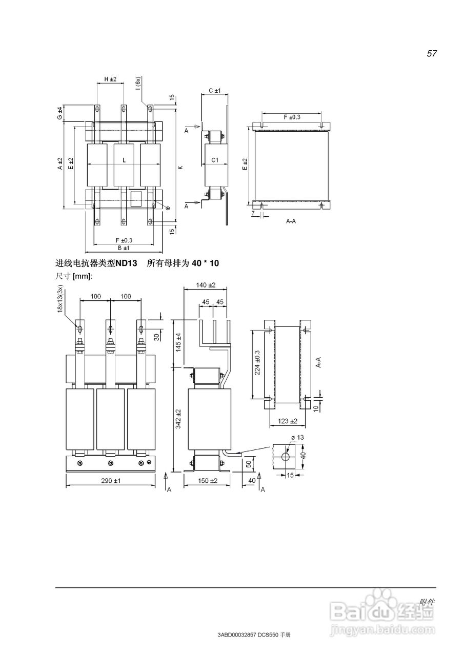
ABB直流调速器DCS550使用手册:[6]
2026-04-26 14:18:59
本篇为《ABB直流调速器DCS550使用手册》,主要介绍该产品的使用方法以及常见故障解决方案。
(共篇)
上一篇:
|
下一篇:
声明:
本网站引用、摘录或转载内容仅供网站访问者交流或参考,不代表本站立场,如存在版权或非法内容,请联系站长删除,联系邮箱:site.kefu@qq.com。
相关推荐
蓝宝PURE WHITE A55M (PW-A8A75M)主板使用手册:[6]
阅读量:181
如何自定义Winodow 7 桌面图片
阅读量:83
LOLs8土匪流EZ偷钱强势天赋搭配详解
阅读量:172
VMware虚拟机里的系统怎么添加声卡?
阅读量:35
终极比拼,翔升Z87+i5平台PK Z77+i7
阅读量:147
猜你喜欢
清新的近义词
孕期感冒
慈祥的近义词
淘宝联盟怎么赚钱
淡雅的近义词
出汗多是怎么回事
万圣节用英语怎么说
电脑dns怎么设置
小腿浮肿怎么办
放纵的近义词
猜你喜欢
风寒感冒和风热感冒的区别
包包子怎么发面
才华横溢的近义词
不同凡响的近义词
怎么减肥更快
坚强的近义词
齐肩短发发型图片
柔美的近义词
懊丧的近义词
怎么赚钱白手起家