小度生活
首页
美食营养
手工爱好
生活家居
返回
小度生活
首页
美食营养
游戏数码
手工爱好
生活家居
健康养生
运动户外
职场理财
情感交际
母婴教育
时尚美容
知识问答
生活知识
生活百科
搜索
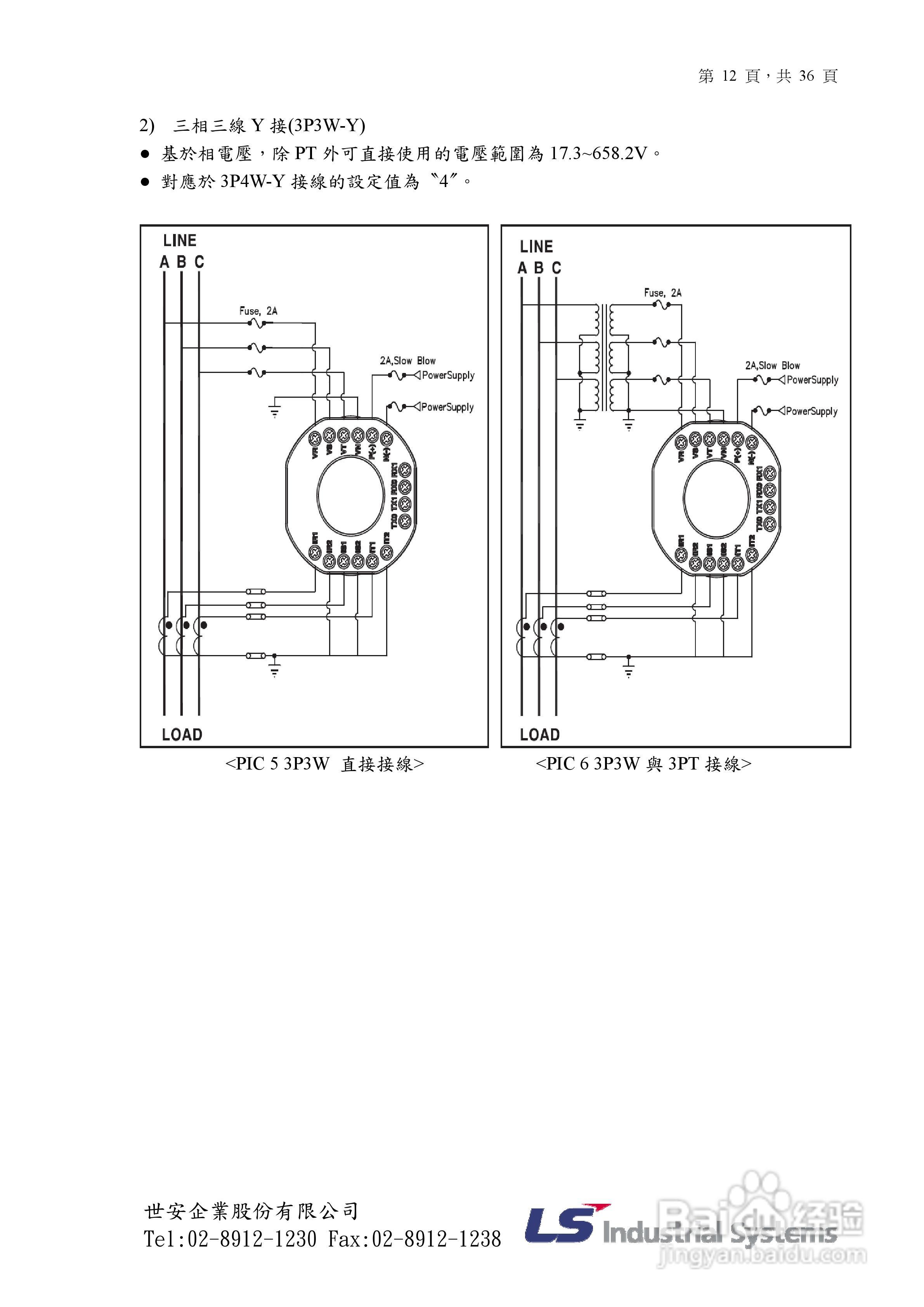
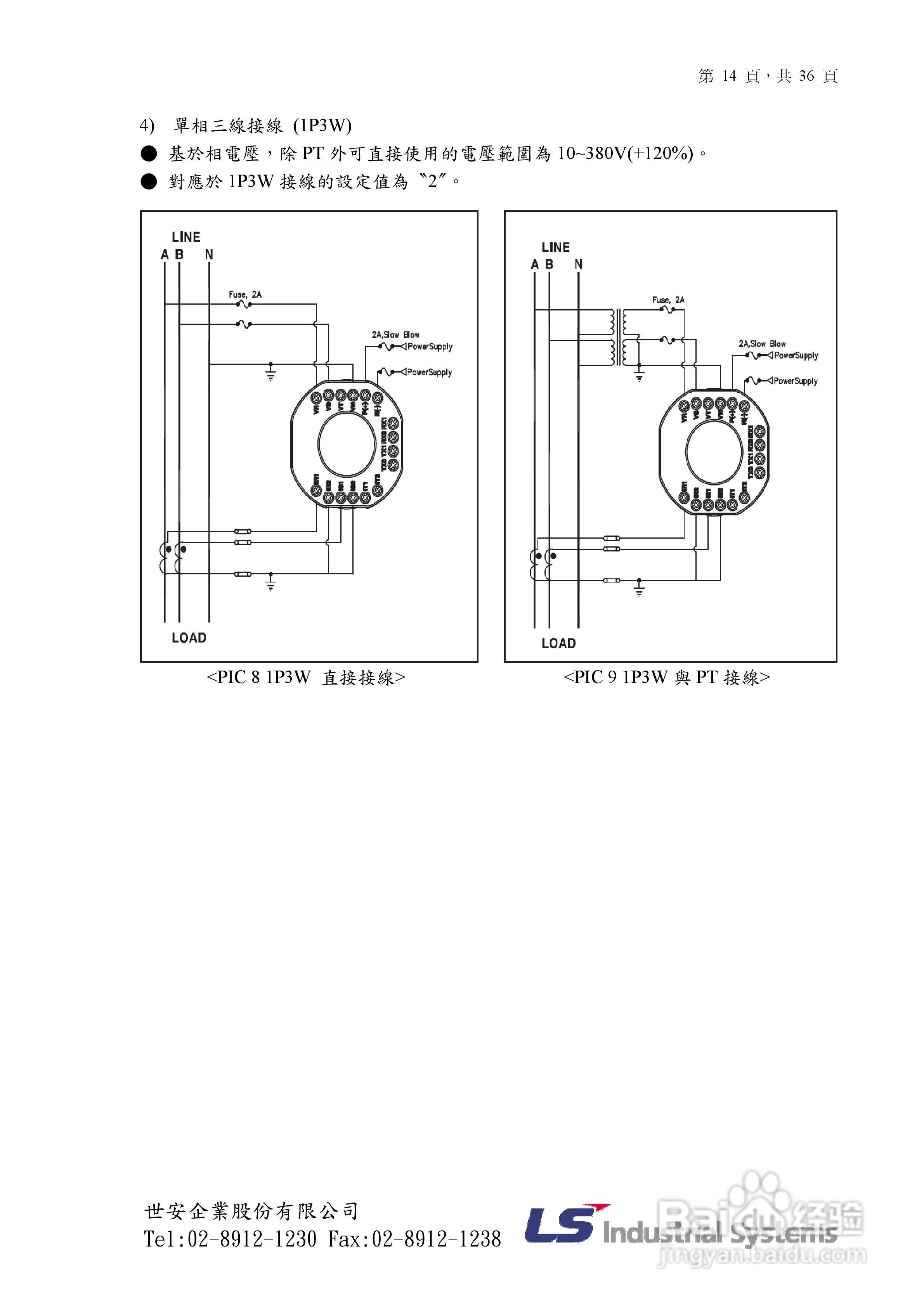
GIMAC-i数位电表使用手册:[2]
2026-03-30 09:06:13
本篇为《GIMAC-i数位电表使用手册》,主要介绍该产品的使用方法以及常见故障解决方案。
(共篇)
上一篇:
|
下一篇:
声明:
本网站引用、摘录或转载内容仅供网站访问者交流或参考,不代表本站立场,如存在版权或非法内容,请联系站长删除,联系邮箱:site.kefu@qq.com。
相关推荐
三相电表如何短接
阅读量:159
怎样接电表线
阅读量:57
如何能让电表节能
阅读量:90
怎么让电表倒转
阅读量:69
智能电表方案开发
阅读量:194
猜你喜欢
塞罕坝林场在哪里
济南周边旅游景点
唱吧电脑版怎么下载
怎么登陆路由器
脸上肉太多怎么办
打印机如何双面打印
qq好友恢复在哪里
如何与人沟通
泰国化妆品怎么样
康师傅是哪里的
猜你喜欢
如何去除水印
肾阴虚如何调理
安吉尔饮水机怎么样
怎么清除ie缓存
可c可d怎么样
什么泡水喝补肾壮阳
煮栗子怎么好剥皮
怎么学好英语的方法
如何合并pdf文件
如何做好管理