小度生活
首页
美食营养
手工爱好
生活家居
返回
小度生活
首页
美食营养
游戏数码
手工爱好
生活家居
健康养生
运动户外
职场理财
情感交际
母婴教育
时尚美容
知识问答
生活知识
搜索
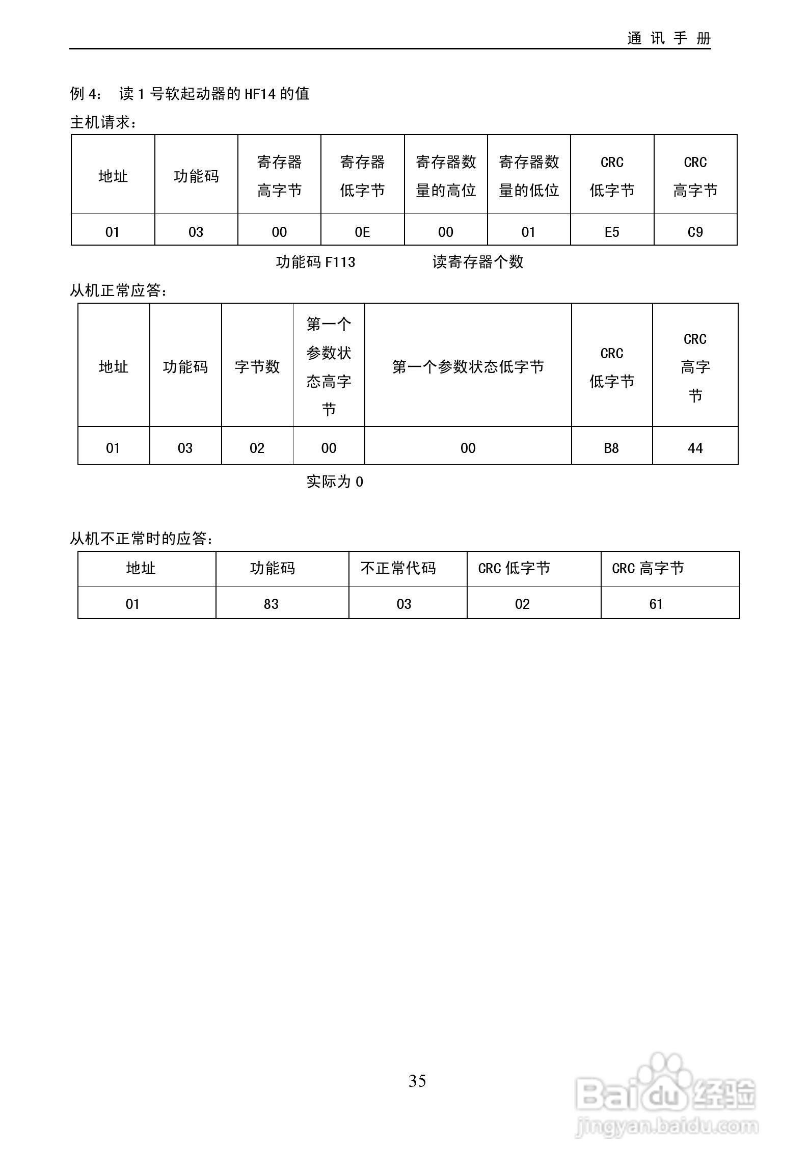
欧瑞HFR2500软启动器使用说明书:[4]
2025-10-11 20:31:58
本篇为《欧瑞HFR2500软启动器使用说明书》,主要介绍该产品的使用方法以及常见故障解决方案。
(共篇)
上一篇:
声明:
本网站引用、摘录或转载内容仅供网站访问者交流或参考,不代表本站立场,如存在版权或非法内容,请联系站长删除,联系邮箱:site.kefu@qq.com。
相关推荐
小红书修改关注的兴趣标签
阅读量:36
防毒面具使用方法
阅读量:39
法院拍卖的房子、车子等物产哪里可以买?
阅读量:186
小红书怎么开启发现页内容自动刷新功能
阅读量:168
干粉灭火器有效期几年
阅读量:91
猜你喜欢
逊色是什么意思
苛刻是什么意思
鹤发童颜的意思
什么叫股权激励
什么是投资收益
摩托车机油什么牌子好
985211大学是什么意思
accurate什么意思
procedure什么意思
中药黄精的作用
猜你喜欢
集思广益的意思
人之常情什么意思
牛鞭的功效与作用
信仰是什么意思
双飞是什么意思
录取通知书什么时候
坚持什么工作总基调
地摊卖什么好
卵泡期是什么意思
张国荣什么时候去世的