小度生活
首页
美食营养
手工爱好
生活家居
返回
小度生活
首页
美食营养
游戏数码
手工爱好
生活家居
健康养生
运动户外
职场理财
情感交际
母婴教育
时尚美容
知识问答
生活知识
搜索
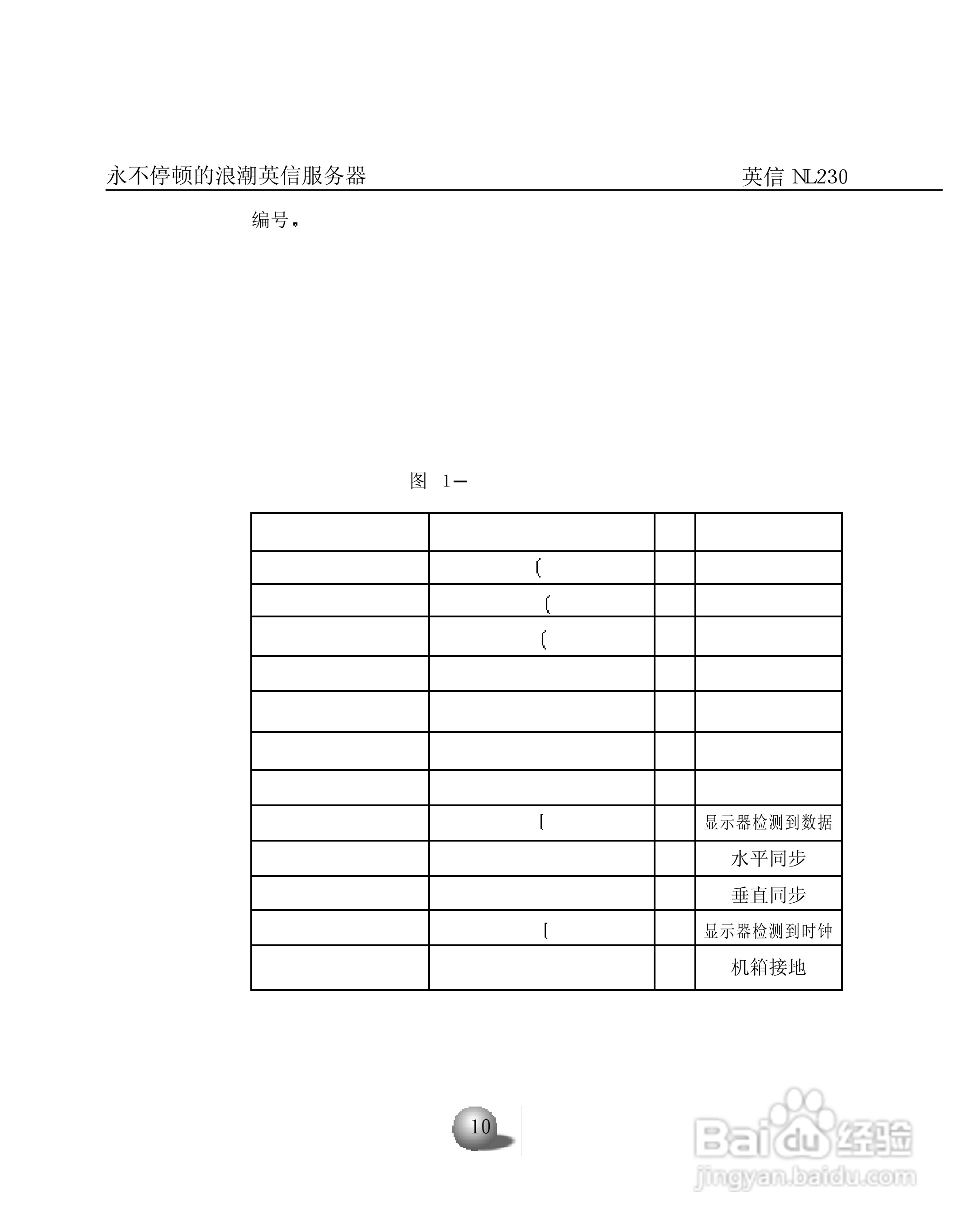
浪潮英信服务器NL230用户手册说明书:[2]
2026-02-14 09:51:43
本篇为《浪潮英信服务器NL230用户手册说明书》,主要介绍该产品的使用方法以及常见故障解决方案。
(共篇)
上一篇:
|
下一篇:
声明:
本网站引用、摘录或转载内容仅供网站访问者交流或参考,不代表本站立场,如存在版权或非法内容,请联系站长删除,联系邮箱:site.kefu@qq.com。
相关推荐
浪潮英信服务器NL230G2用户手册说明书:[2]
阅读量:24
浪潮英信服务器NL230G2用户手册说明书:[5]
阅读量:70
浪潮英信服务器NL380G2用户手册说明书:[2]
阅读量:57
浪潮服务器系统安装
阅读量:128
浪潮服务器热备盘配置
阅读量:160
猜你喜欢
money什么意思
桃花运是什么意思
虔诚是什么意思
三个马念什么
攻受是什么意思
word是什么
唐氏筛查什么时候做
容易上火是什么原因
四级什么时候出成绩
情人节送女朋友什么礼物好
猜你喜欢
hospital是什么意思
诺氟沙星胶囊治什么
无线桥接是什么意思
学而不厌的厌是什么意思
微博是什么
隔壁老王是什么意思
什么是蜱虫
孟姜女姓什么
什么是领导力
投鼠忌器是什么意思