小度生活
首页
美食营养
手工爱好
生活家居
返回
小度生活
首页
美食营养
游戏数码
手工爱好
生活家居
健康养生
运动户外
职场理财
情感交际
母婴教育
时尚美容
知识问答
生活知识
生活百科
搜索
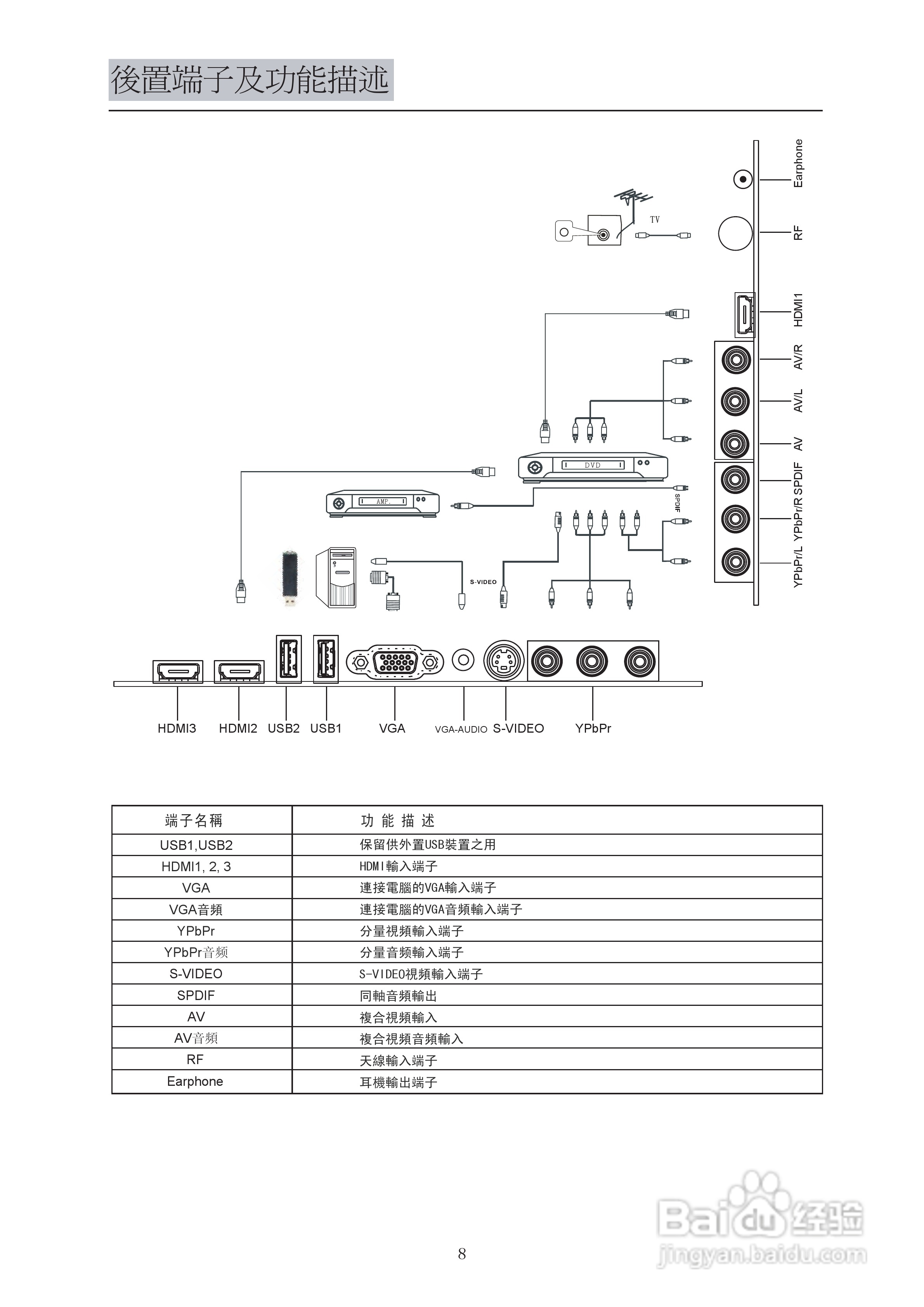
VDiCi 32LEDS762电视机使用手册:[1]
2026-05-05 05:02:07
(共篇)
下一篇:
声明:
本网站引用、摘录或转载内容仅供网站访问者交流或参考,不代表本站立场,如存在版权或非法内容,请联系站长删除,联系邮箱:site.kefu@qq.com。
相关推荐
VDiCi 32LEDS762电视机使用手册:[3]
阅读量:187
VDiCi 32LEDS762电视机使用手册:[6]
阅读量:99
电视机尺寸怎么算
阅读量:36
VDiCi 32LEDS762电视机使用手册:[4]
阅读量:150
VDiCi 32LEDS762电视机使用手册:[2]
阅读量:55
猜你喜欢
怎么知道wifi密码
吉他f和弦怎么按
米线怎么做
有黑眼圈怎么办
日本豆腐怎么做好吃
单眼皮怎么变双眼皮
入党志愿书怎么写
立体图形怎么画
飞机杯怎么清洗
怎么在网上赚钱
猜你喜欢
心脏造影怎么做
电脑文件夹怎么加密
爱要怎么说出口吉他谱
怎么注销微博账号
word格式刷怎么用
转正申请怎么写
怎么织围巾
消防员怎么考
珍珠粉面膜怎么做
肾疼是怎么回事