小度生活
首页
美食营养
手工爱好
生活家居
返回
小度生活
首页
美食营养
游戏数码
手工爱好
生活家居
健康养生
运动户外
职场理财
情感交际
母婴教育
时尚美容
知识问答
生活知识
生活百科
搜索
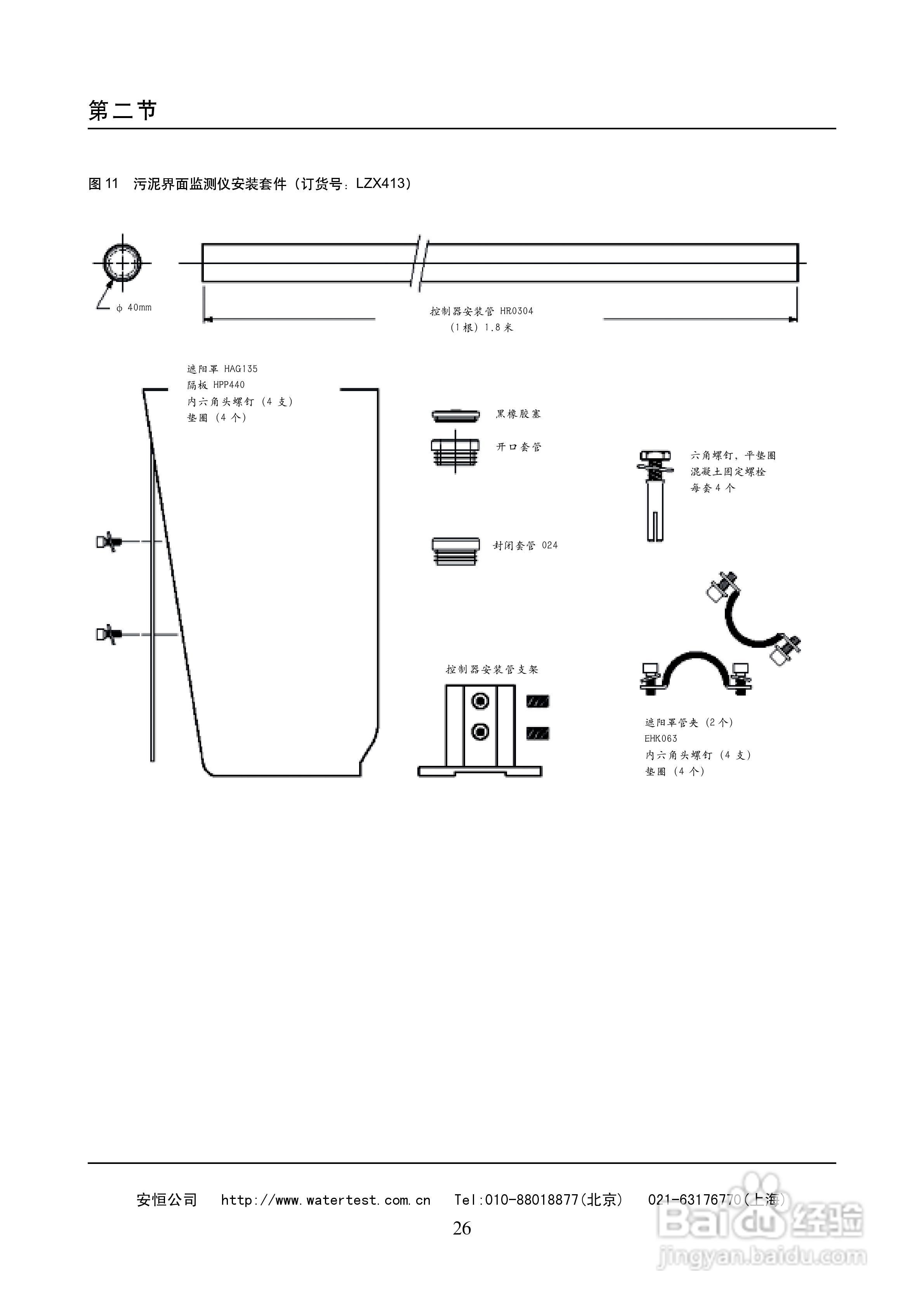
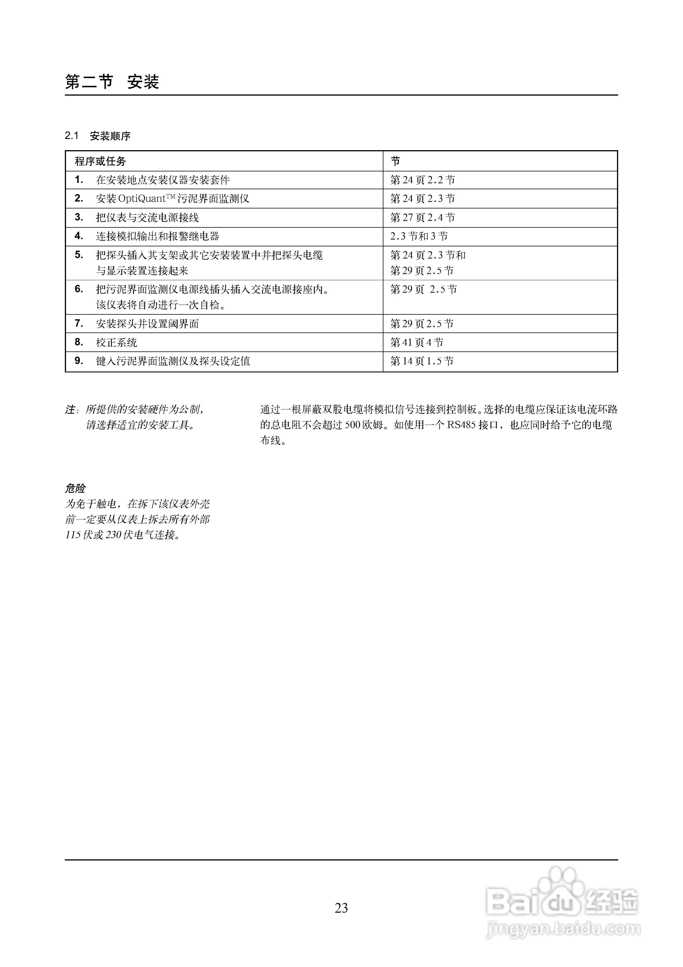
OptiQuantTM 污泥界面监测仪说明书:[3]
2026-03-29 11:43:55
本篇为《OptiQuantTM 污泥界面监测仪说明书》,主要介绍该产品的使用方法以及常见故障解决方案。
(共篇)
上一篇:
|
下一篇:
声明:
本网站引用、摘录或转载内容仅供网站访问者交流或参考,不代表本站立场,如存在版权或非法内容,请联系站长删除,联系邮箱:site.kefu@qq.com。
相关推荐
NOx自动监测仪使用说明书:[3]
阅读量:150
JM系列监测仪产品说明书:[3]
阅读量:152
NOx自动监测仪使用说明书:[2]
阅读量:76
JM系列监测仪产品说明书:[2]
阅读量:112
SI-TM216六通道膜厚监测仪使用说明书:[3]
阅读量:159
猜你喜欢
knock是什么意思
碧绿碧绿的什么
草泥马是什么
什么狗最贵
dessert是什么意思
孔雀养殖
admire是什么意思
哲学的基本问题是什么
男士运动裤
not at all是什么意思
猜你喜欢
教师节给老师送什么礼物好
大v是什么意思
6月19日是什么日子
两个石念什么
制作课件用什么软件
运动服装
望洋兴叹是什么意思
seal是什么意思
鲜玉米中含有大量的哪种天然维生素
faq是什么意思