如何测量电能表上的功率相位角ES2010E相位表
1、测量电表

2、将被测电压线L、N对应接入仪表的U1红、COM黑插孔

3、电流钳I1钳住被测L线路,可以测试单相线路电压、电流、相位、频率、功率参数等,ES2010E测量电压,电流,相位,频率等,无需换档。正确插上即可读数

4、ES2010E为二通道相位表。所以也可以用U2红、COM、I2通道测试。


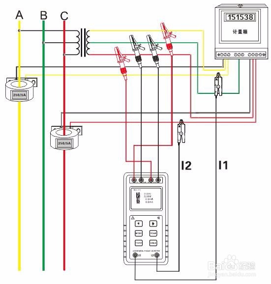
1、将被测电压线UA黄、UB绿、UC红对应接入仪表的U1红、COM黑、U2红插孔
2、电流钳I1、I2对应钳住被测线路IA、IC
3、可以测试三相三线电压、电流、相位、频率、功率、功率因数等。参考接线见下图


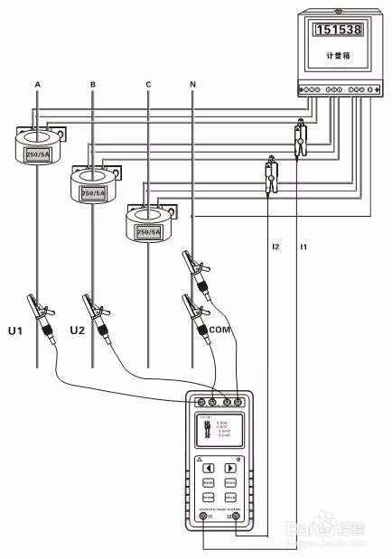
1、步骤一(先测A、B线),UA黄对应U1红,UB绿对应U2红,N黑对应COM黑

2、步骤二(再测B、C线),UB绿对应U1红,UC红对应U2红,N黑对应COM黑

声明:本网站引用、摘录或转载内容仅供网站访问者交流或参考,不代表本站立场,如存在版权或非法内容,请联系站长删除,联系邮箱:site.kefu@qq.com。
阅读量:78
阅读量:101
阅读量:114
阅读量:165
阅读量:183