小度生活
首页
美食营养
手工爱好
生活家居
返回
小度生活
首页
美食营养
游戏数码
手工爱好
生活家居
健康养生
运动户外
职场理财
情感交际
母婴教育
时尚美容
知识问答
搜索
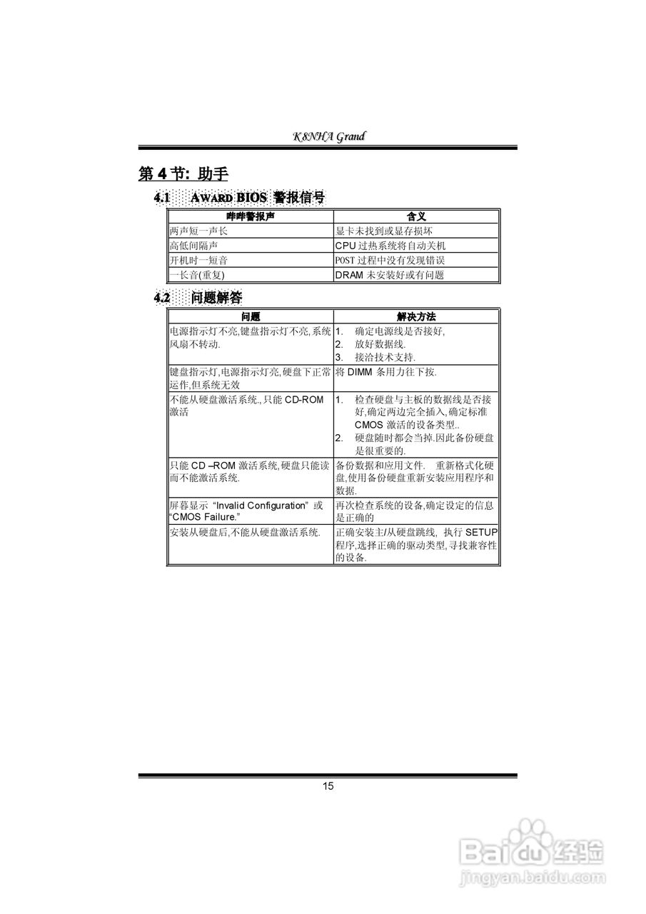
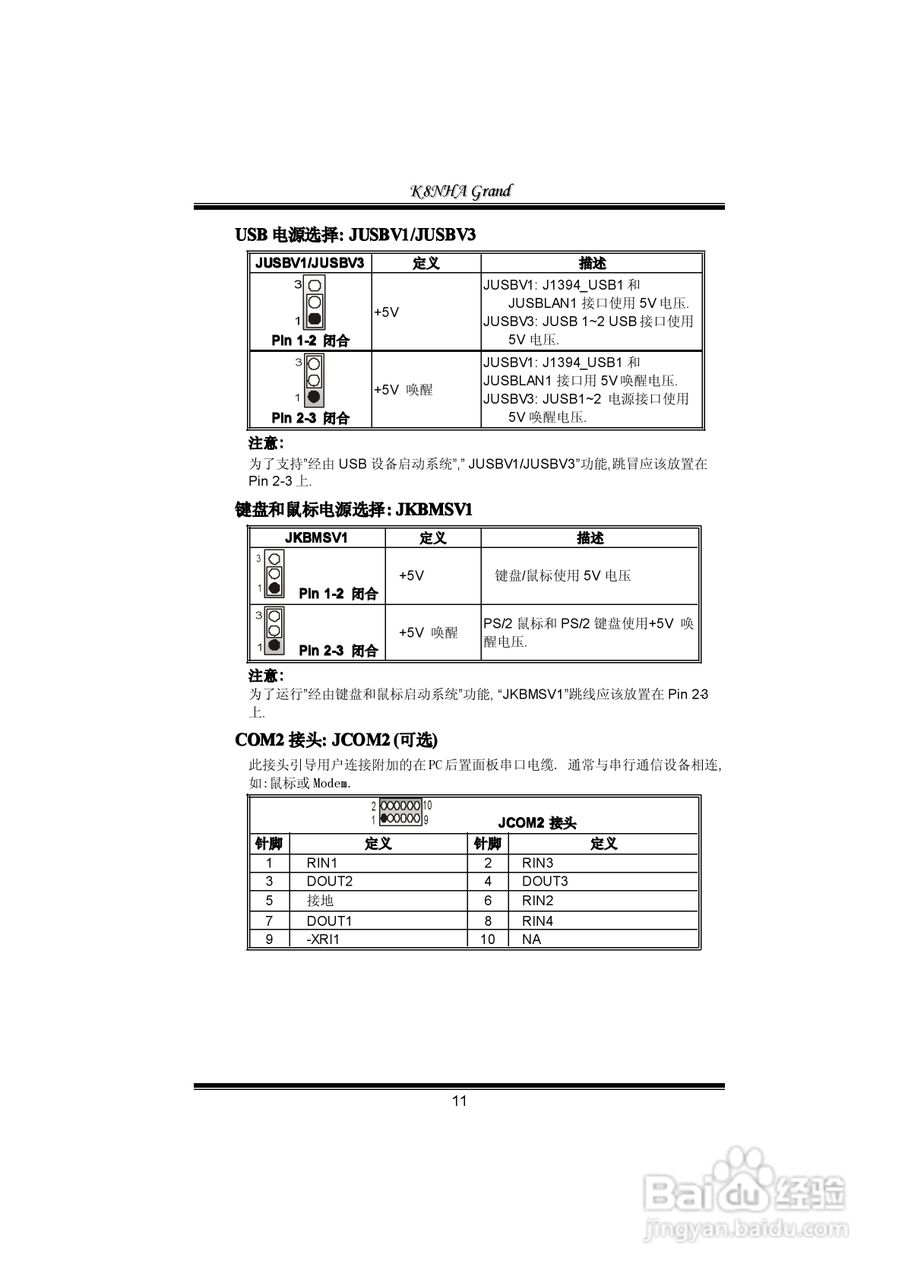
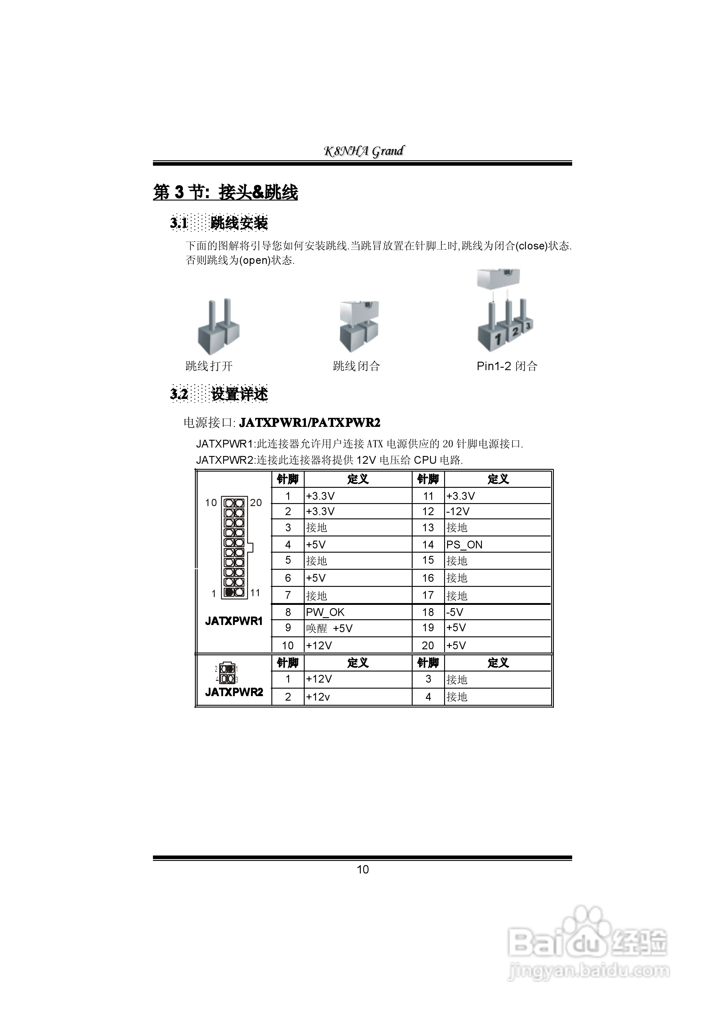
映泰K8NHA Grand型主板说明书:[2]
2025-11-19 07:58:18
本篇为《映泰K8NHA Grand型主板说明书》,主要介绍该产品的使用方法以及常见故障解决方案。
(共篇)
上一篇:
|
下一篇:
声明:
本网站引用、摘录或转载内容仅供网站访问者交流或参考,不代表本站立场,如存在版权或非法内容,请联系站长删除,联系邮箱:site.kefu@qq.com。
相关推荐
映泰K8NHA Grand型主板说明书:[4]
阅读量:44
映泰U8798 Grand 7.x主板说明书:[2]
阅读量:172
映泰U8798主板说明书:[2]
阅读量:73
映泰主板怎么设置u盘启动
阅读量:57
映泰主板升级方法
阅读量:187
猜你喜欢
put out是什么意思
pwr是什么意思
慈善的意思
高处不胜寒的意思
大学生活是什么样的
视察的意思
延绵的意思
什么叫唯心主义
什么红酒最好
本命年送什么好
猜你喜欢
争执的意思
坚强不屈的意思
空空落落的意思
sumif是什么意思
什么是建仓
贴墙纸用什么胶水
修造是什么意思
梦到鱼是什么意思
mad是什么意思
什么单机游戏最好玩