小度生活
首页
美食营养
手工爱好
生活家居
返回
小度生活
首页
美食营养
游戏数码
手工爱好
生活家居
健康养生
运动户外
职场理财
情感交际
母婴教育
时尚美容
知识问答
生活知识
生活百科
搜索
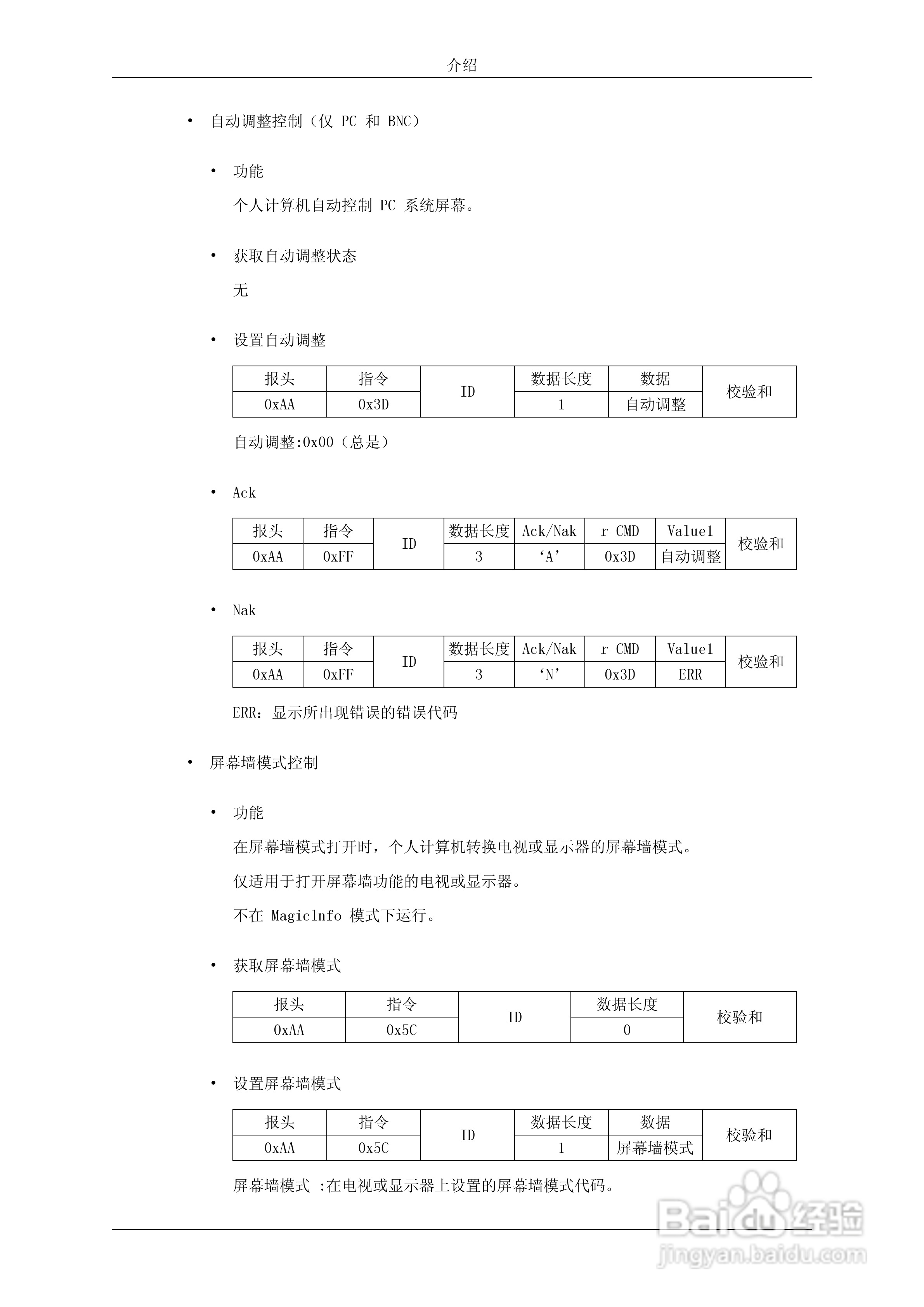
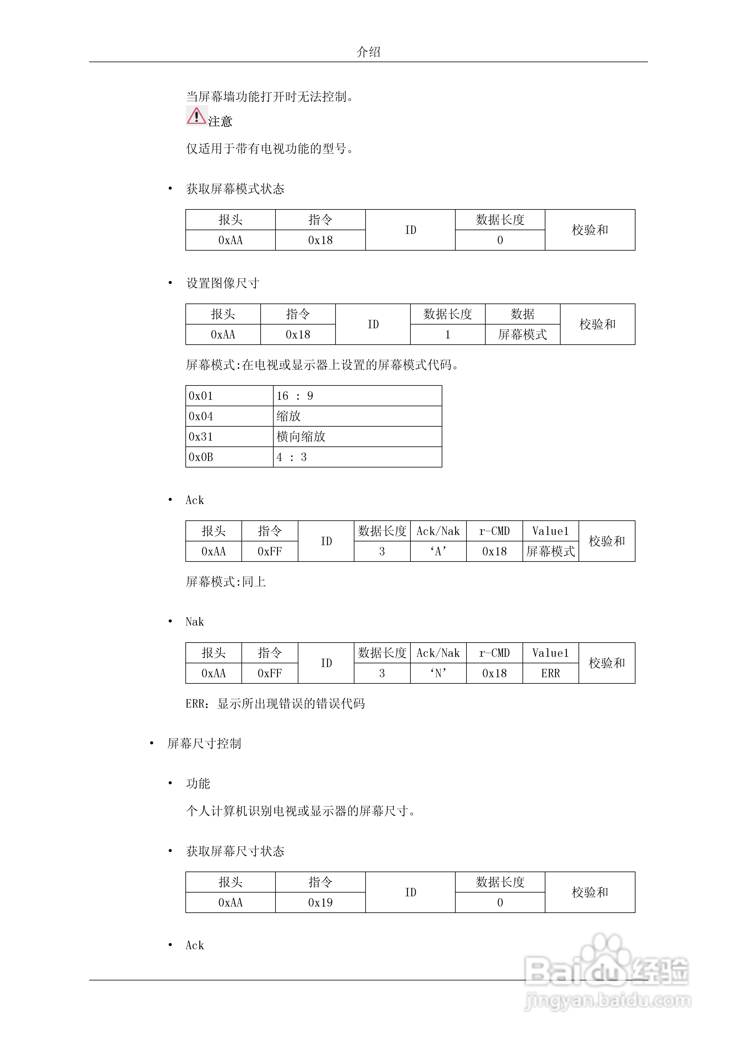
三星460DR-2液晶显示器使用说明书:[3]
2026-05-25 01:54:47
(共篇)
上一篇:
|
下一篇:
声明:
本网站引用、摘录或转载内容仅供网站访问者交流或参考,不代表本站立场,如存在版权或非法内容,请联系站长删除,联系邮箱:site.kefu@qq.com。
相关推荐
三星460DR液晶显示器使用说明书:[2]
阅读量:155
三星460DR-2液晶显示器使用说明书:[14]
阅读量:168
三星460DR液晶显示器使用说明书:[7]
阅读量:179
三星s8闹钟图标怎么关
阅读量:98
三星s8怎么双清
阅读量:105
猜你喜欢
dating什么意思
什么是上证指数
什么样的女人阴道紧
科学技术在社会发展中的作用
他达那非片功效与作用
什么样的女人不能娶
康复新液的作用
桑叶茶的功效与作用
历史知识点
胆囊的作用
猜你喜欢
育儿知识
知识产权代理
一进门看见什么最好
阿奇霉素片的作用功效
金银花的功效与作用
刚怀孕应该注意什么
装修设计用什么软件
宇宙知识
兴奋剂的作用
什么之什么