STC单片机程序下载失败怎么办
1、STC单片机下载程序主要分三部分:
单片机最小系统、下载电路、计算机端
下载失败一般从这三个方面来解决问题。
2、最小系统的问题:
3、不是STC系列单片机,如果是AT或其他品牌单片机,下载方式与STC不同。
4、单片机损坏,比如有的单片机内由于ISP系统引导码出错,能运行之前下载进的程序,但不能下载程序;或者单片机已损坏。
5、晶振问题,如:没有晶振,晶振放在插座上接触不良,或者引脚太长不起振等。
最小系统电路图如下,由电源、单片机、复位电路、晶振时钟电路组成:
STC89C52RC单片机:
6、

7、

8、下载电路的问题:
9、下载芯片损坏(一般下载涉及的芯片有PL2303、CH341、MAX232)。
10、PL2303的晶振不是12M。
11、USB接口松动,下载线断路等。
12、接线错误,如:TXD、RXD接反。
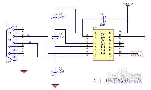
MAX232电路图(串口电平转换):
USB转串口(一般用CH341芯片):
USB-TTL小板(一般用PL2303芯片):
USB-TTL电路图:
13、

14、

15、

16、

17、计算机端的问题:
18、下载软件的问题,最好使用STC_ISP最新版本,在Win7系统中有时可能要以管理员身份运行。
19、驱动安装的问题,如果设备管理器中有COM口“USB to Serial”且无感叹号,一般驱动就没有问题,但是还是可以重装驱动看看;安装的驱动要与系统对应(Windows7 32位、64位或者WindowsXP)。
20、COM口设置错,一般下载时会提示打开串口失败。
21、单片机的型号设置错,一般下载时会提示不是此型号的单片机。
22、波特率太高,适当调低一点或许有用,高、低波特率都选1200。
23、操作步骤的问题:
24、注意先点电脑上的下载按钮后给单片机上电。
25、下载程序顺序如下:
26、1.装载好要烧的单片机程序。
27、2.设置单片机型号,COM口,波特率等参数。
28、3.点击 “下载”。
29、4.给单片机上电。
30、5.下载软件显示:正在下载....
31、6.下载完成。
32、另外STC_ISP软件中对下载失败给出的提示有:
33、1.在单片机停电状态下,点下载按钮,再给单片机上电
34、2.停止下载,重新选择 RS-232 串口, 接好电缆
35、3.可能需要先将 P1.0/P1.1 短接到地
36、4.可能外部时钟未接
37、5.因 PLCC、PQFP 转换座引线过长而引起时钟不振荡,请
调整参数
38、6.可能要升级电脑端的 STC-ISP.exe 软件
39、7.若仍然不成功,可能 MCU/单片机内无 ISP 系统引导码,
或需退回升级,或 MCU 已损坏
40、8.若使用 USB 转 RS-232 串口线下载,可能会遇到不兼容
的问题,可以让我们帮助购买兼容的 USB 转 RS-232
串口线
41、如果一时找不到问题,条件允许的情况下,可以这样做:
42、检查单片机是不是STC系列、是否有晶振,以及最小系统电路是否有错。
43、检查串口设置,操作步骤(先下载后上电)。
44、换个串口(对于有串口的台式机),或者换个USB口。
45、重启下载软件再试。
46、重启计算机。
47、换最新的下载软件(在宏晶官网下载)。
48、重装驱动(如果是有串口的台式机,直接连接串口则不需要驱动)。
49、换其他单片机。
50、换一根下载线。
51、换其他电脑。
52、
