小度生活
首页
美食营养
手工爱好
生活家居
返回
小度生活
首页
美食营养
游戏数码
手工爱好
生活家居
健康养生
运动户外
职场理财
情感交际
母婴教育
时尚美容
知识问答
生活知识
生活百科
搜索
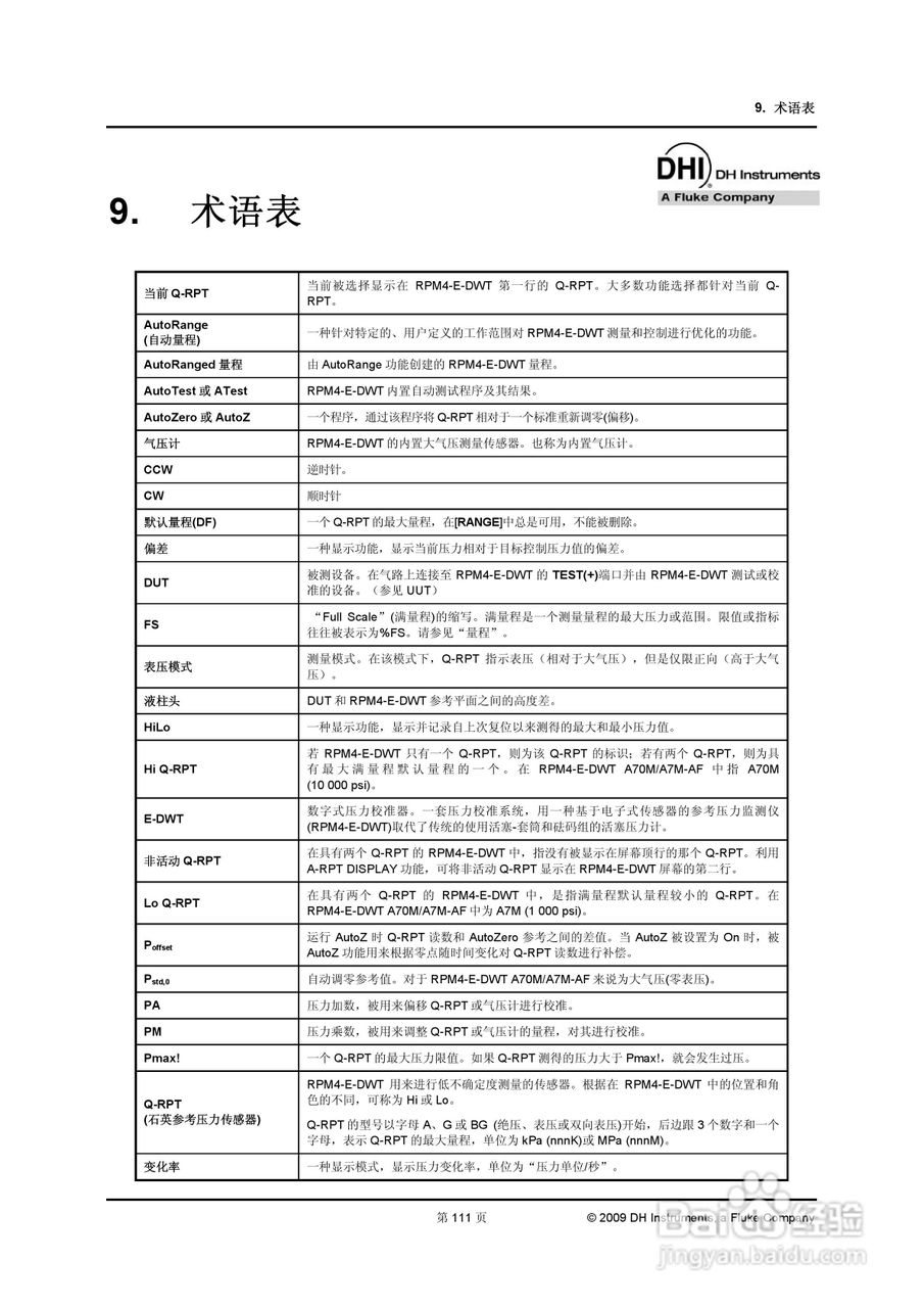
EDWT+数字式压力校准器用户手册:[13]
2026-03-25 22:59:24
本篇为《EDWT+数字式压力校准器用户手册》,主要介绍该产品的使用方法以及常见故障解决方案。
(共篇)
上一篇:
声明:
本网站引用、摘录或转载内容仅供网站访问者交流或参考,不代表本站立场,如存在版权或非法内容,请联系站长删除,联系邮箱:site.kefu@qq.com。
相关推荐
EDWT+数字式压力校准器用户手册:[8]
阅读量:104
EDWT+数字式压力校准器用户手册:[4]
阅读量:47
EDWT+数字式压力校准器用户手册:[7]
阅读量:86
EDWT+数字式压力校准器用户手册:[6]
阅读量:135
EDWT+数字式压力校准器用户手册:[9]
阅读量:148
猜你喜欢
经常趴着睡觉对身体有什么危害
java什么意思
养殖业什么前景最好
黑山羊养殖基地
打两个喷嚏是什么意思
提肛运动的正确做法
野兔养殖
butter是什么意思
坦然什么意思
cnas是什么意思
猜你喜欢
什么是圈梁
schedule是什么意思
qsv是什么格式
香港的市花是什么
形影不离是什么意思
乌冬面是什么面
q235是什么材料
肆无忌惮什么意思
白细胞低什么原因
cycle是什么意思