小度生活
首页
美食营养
手工爱好
生活家居
返回
小度生活
首页
美食营养
游戏数码
手工爱好
生活家居
健康养生
运动户外
职场理财
情感交际
母婴教育
时尚美容
知识问答
生活知识
生活百科
搜索
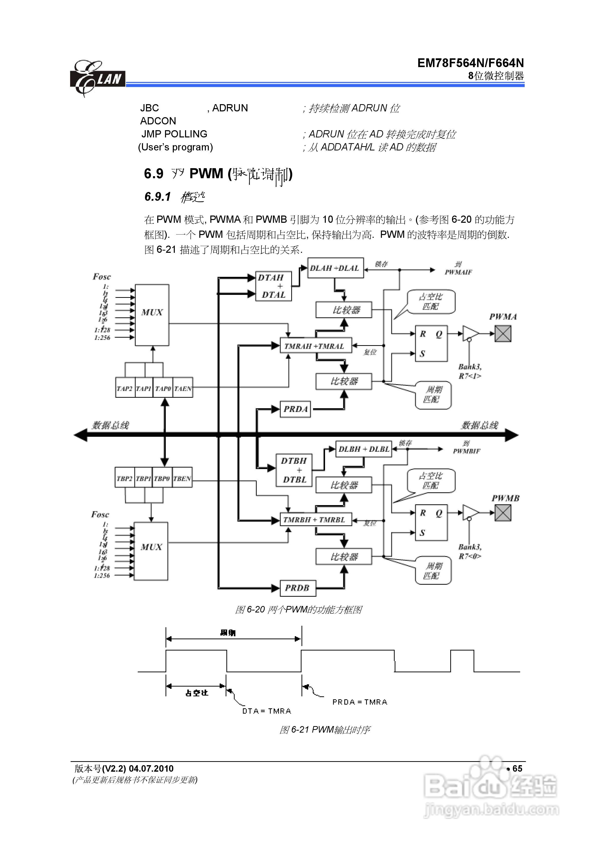
EM78F564N/F664N 8位微控制器说明书:[8]
2026-04-01 03:39:07
本篇为《EM78F564N/F664N 8位微控制器说明书》,主要介绍该产品的使用方法以及常见故障解决方案。
(共篇)
上一篇:
|
下一篇:
声明:
本网站引用、摘录或转载内容仅供网站访问者交流或参考,不代表本站立场,如存在版权或非法内容,请联系站长删除,联系邮箱:site.kefu@qq.com。
相关推荐
EM78F564N/F664N 8位微控制器说明书:[12]
阅读量:138
EM78F562N/F662N 8位微控制器说明书:[8]
阅读量:155
8位无保qq怎么上保
阅读量:164
8位风格照片工坊中怎么调整色盘
阅读量:148
Winbond W78E516B 8位微控制器说明书:[3]
阅读量:116
猜你喜欢
骨密度怎么检查
我的世界矿车怎么用
怎么注册谷歌账号
撮怎么读
清子阚姓氏怎么读音
department怎么读
怎么办理临时身份证
体温怎么写
便秘怎么调理
怎么做披萨
猜你喜欢
汗斑怎么治
锁屏密码忘了怎么办
beats耳机怎么样
芒果怎么切方便吃
dnf冒险团怎么升级
打印机怎么共享
回收站清空了怎么恢复
苹果11怎么关机
月经一直不停怎么办
夏士莲洗发水怎么样