小度生活
首页
美食营养
手工爱好
生活家居
返回
小度生活
首页
美食营养
游戏数码
手工爱好
生活家居
健康养生
运动户外
职场理财
情感交际
母婴教育
时尚美容
知识问答
生活知识
搜索
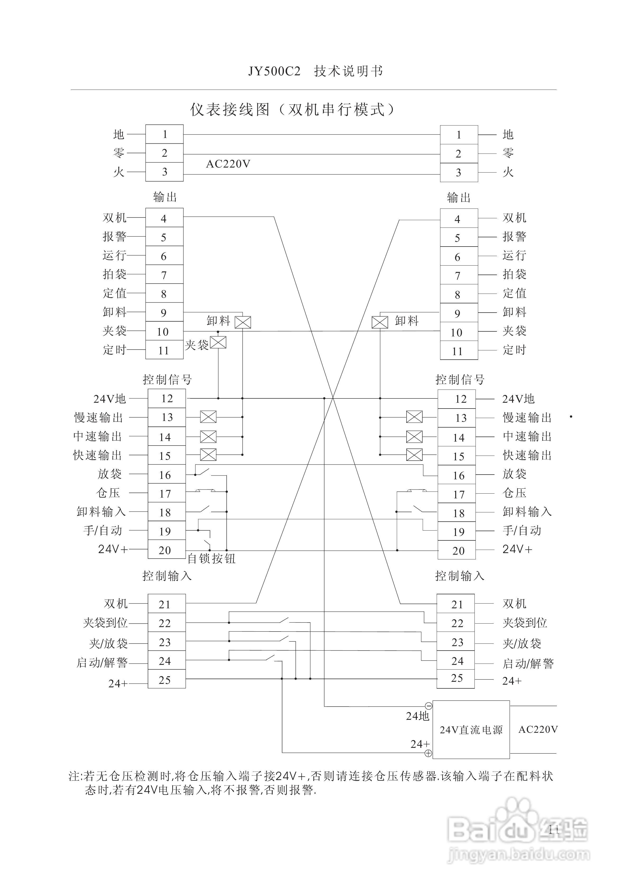
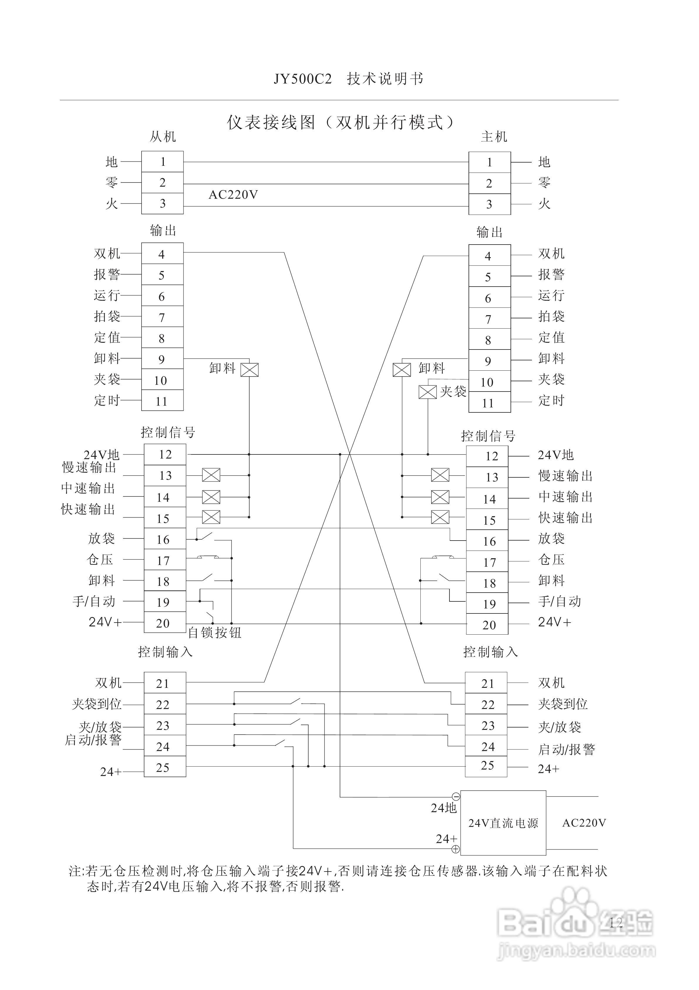
龙芯JY500C3定量包装控制器说明书:[2]
2026-02-05 14:59:20
本篇为《龙芯JY500C3定量包装控制器说明书》,主要介绍该产品的使用方法以及常见故障解决方案。
(共篇)
上一篇:
|
下一篇:
声明:
本网站引用、摘录或转载内容仅供网站访问者交流或参考,不代表本站立场,如存在版权或非法内容,请联系站长删除,联系邮箱:site.kefu@qq.com。
相关推荐
龙芯JY500C3定量包装控制器说明书:[3]
阅读量:146
龙芯JY500C3定量包装控制器说明书:[4]
阅读量:66
龙芯JY500A10配料定量控制器说明书:[2]
阅读量:78
龙芯JY500B3壁挂式皮带秤控制器说明书:[2]
阅读量:171
龙芯JY500A10配料定量控制器说明书:[1]
阅读量:146
猜你喜欢
如何催乳通乳
密西西比河上的生活
如何护肝养肝
如果时光真的真的能够倒流是什么歌
u盘有写保护怎么办
如何加盟快递公司
李尖尖是什么电视剧
如何正确祛斑
如何去除斑点
远景怎么样
猜你喜欢
cad线条怎么加粗
夹心生活
马3昂克赛拉怎么样
上海链家地产怎么样
淘宝子帐号怎么登录
高考分数怎么查询
如何减肥不反弹
如何做微商步骤
怎么能快速有钱
panasonic是什么牌子