小度生活
首页
美食营养
手工爱好
生活家居
返回
小度生活
首页
美食营养
游戏数码
手工爱好
生活家居
健康养生
运动户外
职场理财
情感交际
母婴教育
时尚美容
知识问答
生活知识
搜索
IFJ100-HA8变频器操作手册:[3]
2026-02-06 08:30:54
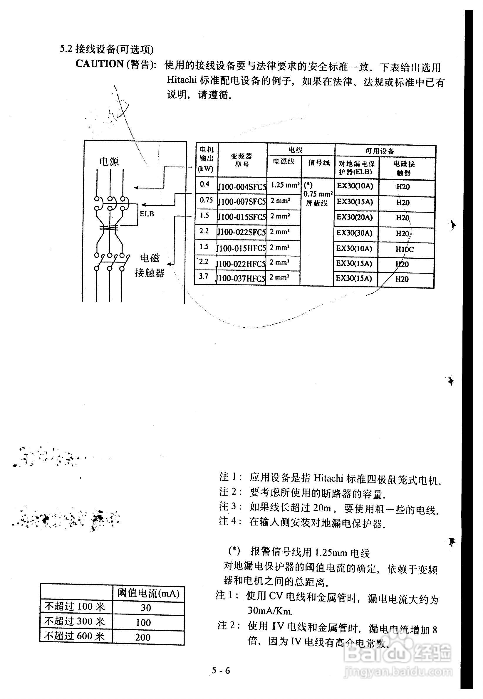
本篇为《IFJ100-HA8变频器操作手册》,主要介绍该产品的使用方法以及常见故障解决方案。
(共篇)
上一篇:
|
下一篇:
声明:
本网站引用、摘录或转载内容仅供网站访问者交流或参考,不代表本站立场,如存在版权或非法内容,请联系站长删除,联系邮箱:site.kefu@qq.com。
相关推荐
IFJ100-HA8变频器操作手册:[6]
阅读量:156
怎样调试变频器之三
阅读量:191
变频器调试接线教程
阅读量:66
变频器选型原则及步骤
阅读量:92
变频器维修教程
阅读量:26
猜你喜欢
xxs是什么意思
苯丙酮尿症是什么病
3月26日是什么星座
什么是谓语
孔雀的尾巴像什么
中专是什么意思
一分钟能干什么
梦见怀孕是什么意思
共襄盛举是什么意思
c2驾照能开什么车
猜你喜欢
automatic是什么意思
无间道是什么意思
西出阳关无故人的前一句是什么
lol什么意思
点痣后要注意什么
hpv是什么疫苗
真正的爱情是什么
色拉油是什么油
美工是做什么的
early什么意思