小度生活
首页
美食营养
手工爱好
生活家居
返回
小度生活
首页
美食营养
游戏数码
手工爱好
生活家居
健康养生
运动户外
职场理财
情感交际
母婴教育
时尚美容
知识问答
生活知识
生活百科
搜索
PS1150-100实验室开关电源用户使用手册:[2]
2026-04-03 20:54:53
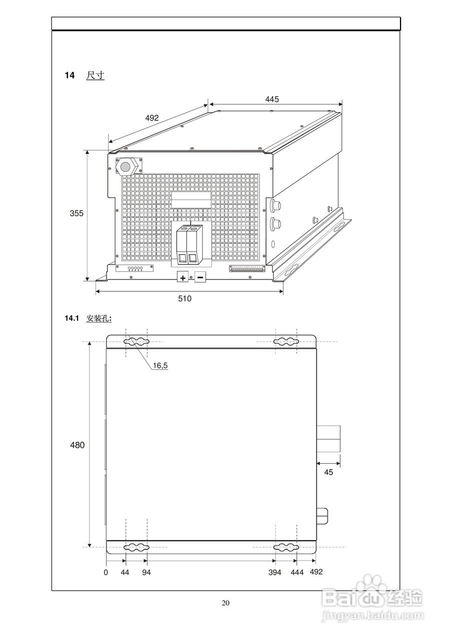
本篇为《PS1150-100实验室开关电源用户使用手册》,主要介绍该产品的使用方法以及常见故障解决方案。
(共篇)
上一篇:
声明:
本网站引用、摘录或转载内容仅供网站访问者交流或参考,不代表本站立场,如存在版权或非法内容,请联系站长删除,联系邮箱:site.kefu@qq.com。
相关推荐
PS1150-100实验室开关电源用户使用手册:[1]
阅读量:92
PS48300-30智能高频开关电源系统用户手册:[9]
阅读量:169
PS48300-30智能高频开关电源系统用户手册:[7]
阅读量:136
PS48300-30智能高频开关电源系统用户手册:[6]
阅读量:82
PS48300-30智能高频开关电源系统用户手册:[5]
阅读量:20
猜你喜欢
什么的故事
5.12是什么节日
非负整数是什么
may什么意思
阴历是什么
下海什么意思
南京大屠杀是什么时候
韬光养晦是什么意思
凌迟是什么意思
gsm是什么意思
猜你喜欢
touch什么意思
什么是词
喝什么茶养胃
白驹过隙是什么意思
recently什么意思
黑洞里面是什么
惬意什么意思
偏偏喜欢你爱你没道理是什么歌
凤凰女是什么意思
欲穷千里目的穷是什么意思