小度生活
首页
美食营养
手工爱好
生活家居
返回
小度生活
首页
美食营养
游戏数码
手工爱好
生活家居
健康养生
运动户外
职场理财
情感交际
母婴教育
时尚美容
知识问答
生活知识
生活百科
搜索
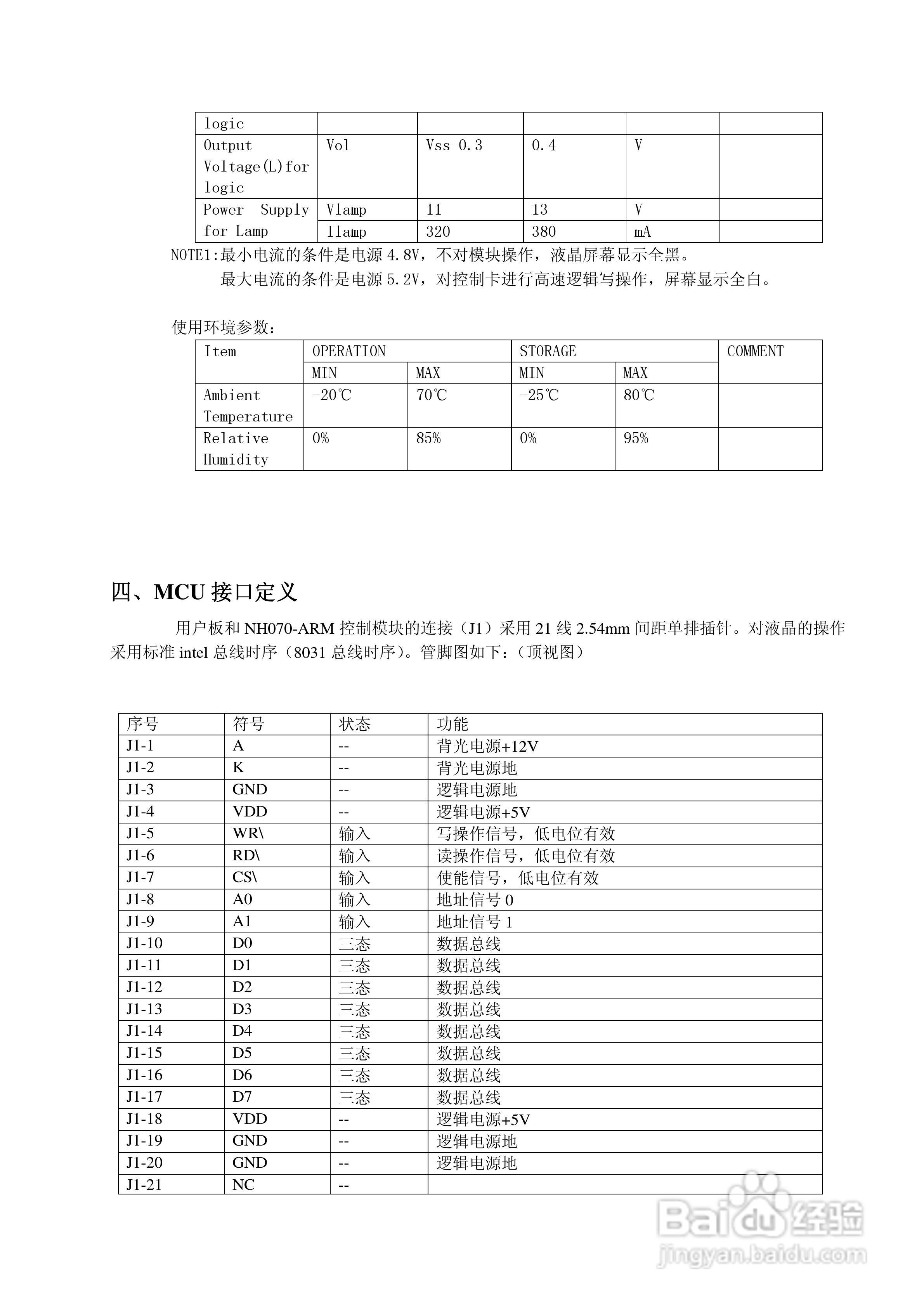
NH070-ARM彩色液晶显示控制模块使用说明书:[1]
2026-05-05 20:42:02
本篇为《NH070-ARM彩色液晶显示控制模块使用说明书》,主要介绍该产品的使用方法以及常见故障解决方案。
(共篇)
下一篇:
声明:
本网站引用、摘录或转载内容仅供网站访问者交流或参考,不代表本站立场,如存在版权或非法内容,请联系站长删除,联系邮箱:site.kefu@qq.com。
相关推荐
联众LZ-DT便携式振动校验仪使用说明书
阅读量:167
GW827频谱仪说明书:[8]
阅读量:27
日立R-Z437电冰箱使用说明书
阅读量:46
DBZK-IV真空开关真空度测试仪
阅读量:44
海尔PU37K1彩电使用说明书:[3]
阅读量:184
猜你喜欢
经常口腔溃疡是什么原因引起的
10月13日是什么星座
sexy什么意思
apqp是什么意思
鞭策是什么意思
pr是什么
什么而不什么
1月6日是什么星座
在什么中成长作文
业障是什么意思
猜你喜欢
什么是事业单位
gdp是什么
凤凰男是什么意思
usa是什么意思
富时中国a50指数是什么意思
2003年属什么生肖
湿气重是什么原因造成的
扬程是什么意思
gray是什么颜色
孤鸾煞是什么意思