小度生活
首页
美食营养
手工爱好
生活家居
返回
小度生活
首页
美食营养
游戏数码
手工爱好
生活家居
健康养生
运动户外
职场理财
情感交际
母婴教育
时尚美容
知识问答
生活知识
搜索
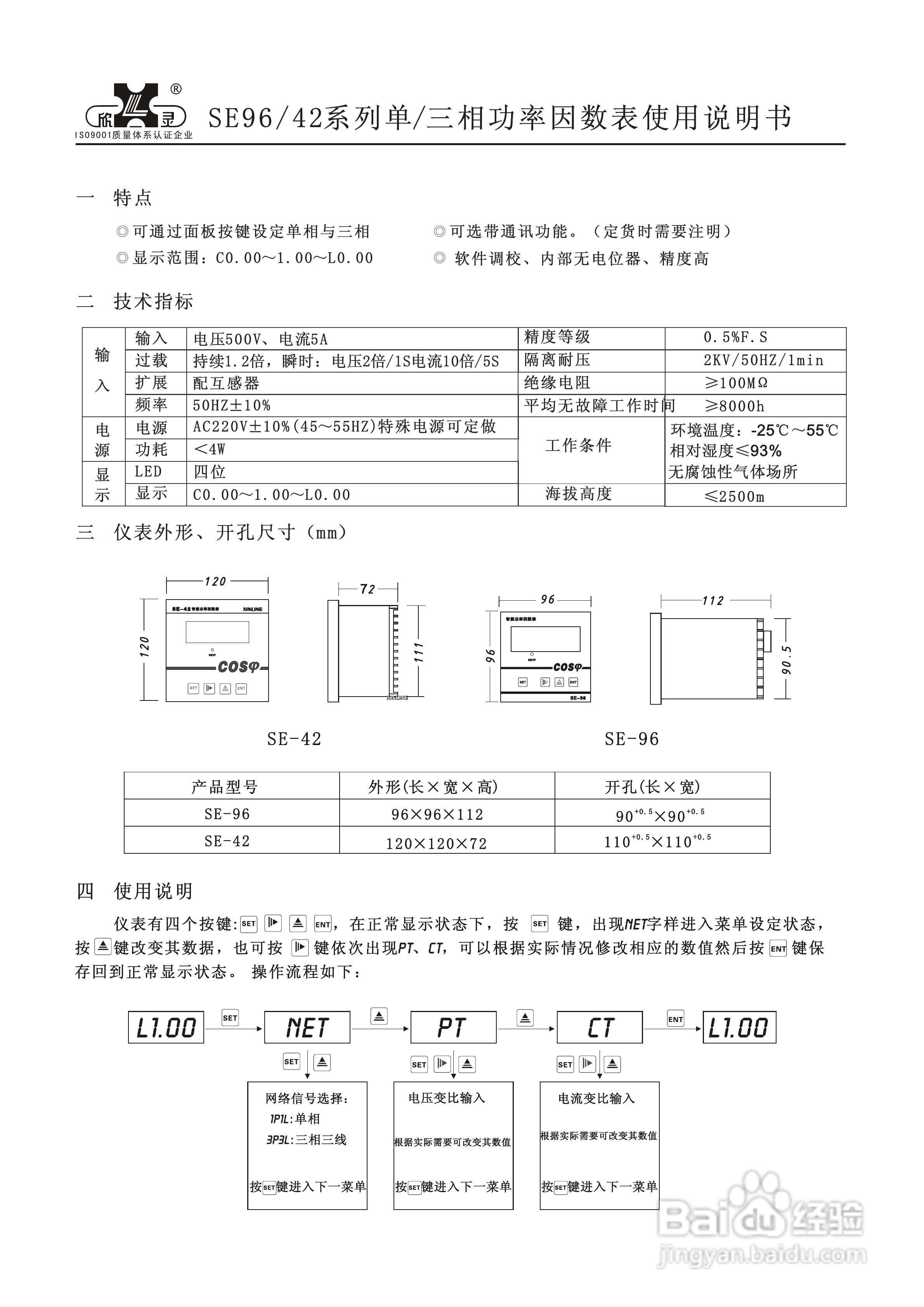
欣灵SE-42三相有功无功、功率因数表说明书
2026-01-13 12:05:42
声明:
本网站引用、摘录或转载内容仅供网站访问者交流或参考,不代表本站立场,如存在版权或非法内容,请联系站长删除,联系邮箱:site.kefu@qq.com。
相关推荐
不花钱就美白的秘方
阅读量:108
调节阀类型及选型
阅读量:179
如何注册开通百融网账户?
阅读量:76
饺情深的水饺到底怎么做的。
阅读量:23
水下婚纱摄影技巧
阅读量:176
猜你喜欢
ftp是什么意思
中央委员什么级别
often是什么意思
端午节是什么时候
football是什么意思
enzo是什么牌子
什么的话语
浴霸是什么
临空墙是什么意思
伊是什么意思
猜你喜欢
25岁属什么
机架是什么
惠州有什么好玩的地方
氯仿是什么
属龙的和什么属相最配
心影增大是什么意思
七年之痒是什么意思
rabbit是什么意思
traffic是什么意思
什么是闺蜜