小度生活
首页
美食营养
手工爱好
生活家居
返回
小度生活
首页
美食营养
游戏数码
手工爱好
生活家居
健康养生
运动户外
职场理财
情感交际
母婴教育
时尚美容
知识问答
生活知识
生活百科
搜索
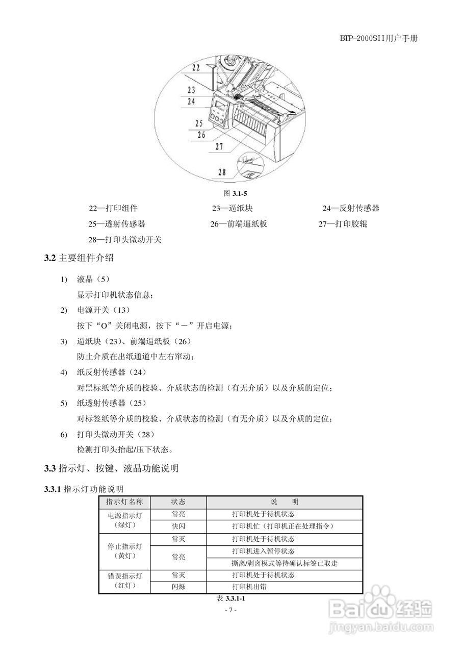
新北洋BTP-2000SII 标签打印机用户手册:[1]
2026-05-11 06:16:39
本篇为《新北洋BTP-2000SII 标签打印机用户手册》,主要介绍该产品的使用方法以及常见故障解决方案。
(共篇)
下一篇:
声明:
本网站引用、摘录或转载内容仅供网站访问者交流或参考,不代表本站立场,如存在版权或非法内容,请联系站长删除,联系邮箱:site.kefu@qq.com。
相关推荐
怎么搭建网络打印机 网络打印机怎么配置
阅读量:92
RPC服务器不可用怎么办?
阅读量:122
富士通扫描仪高海拔模式设置
阅读量:148
HDMI网线延长器的连接步骤
阅读量:121
PE系统进去怎么查找桌面文件
阅读量:97
猜你喜欢
were是什么意思
石破天惊的意思
注册资金是什么意思
house是什么意思
遥望的意思
缝隙的意思
小萝莉是什么意思
三秋是什么意思
硬卧代硬座什么意思
meal是什么意思
猜你喜欢
穷家富路什么意思
四班三倒什么意思
增持和买入有什么区别
什么叫嵌入式系统
娓娓而谈的意思
萍水相逢是什么意思
receive是什么意思
弃什么图什么
乌镇有什么好玩的景点
什么是蠕虫病毒