小度生活
首页
美食营养
手工爱好
生活家居
返回
小度生活
首页
美食营养
游戏数码
手工爱好
生活家居
健康养生
运动户外
职场理财
情感交际
母婴教育
时尚美容
知识问答
生活知识
生活百科
搜索
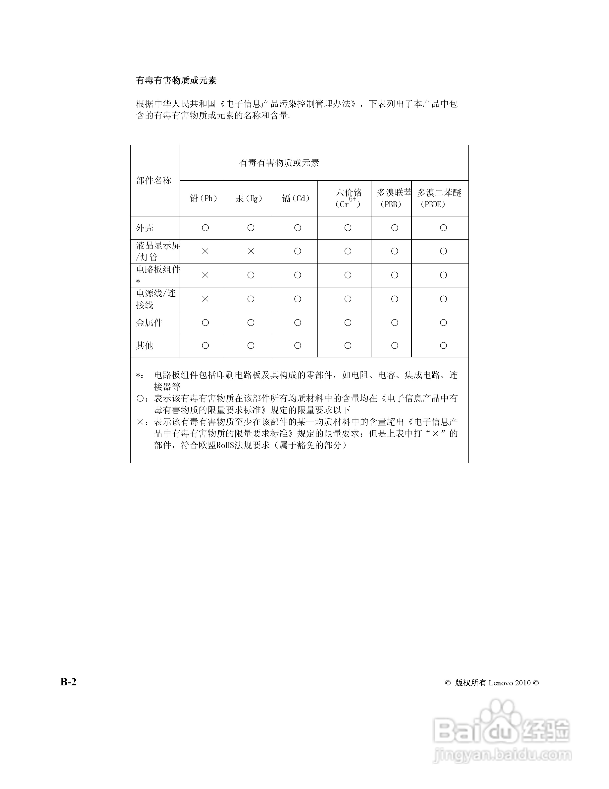
联想D2081wA液晶显示器使用说明书:[3]
2026-05-14 02:15:13
/>
(共篇)
上一篇:
声明:
本网站引用、摘录或转载内容仅供网站访问者交流或参考,不代表本站立场,如存在版权或非法内容,请联系站长删除,联系邮箱:site.kefu@qq.com。
相关推荐
联想D2081wA液晶显示器使用说明书:[2]
阅读量:138
明基G2000WA液晶显示器使用说明书:[3]
阅读量:123
明基G2000WA液晶显示器使用说明书:[2]
阅读量:123
明基G2201WA液晶显示器使用说明书:[1]
阅读量:52
联想error1962解决步骤
阅读量:83
猜你喜欢
柏氏护肤品怎么样
自己交社保怎么交
jones怎么读
起亚kx3傲跑怎么样
腱鞘炎是怎么回事
雅诗兰黛怎么样
小米手机死机怎么办
血液循环不好怎么办
卫生许可证怎么办理
宝马x5怎么样
猜你喜欢
老花镜怎么配
怎么写议论文
苹果手机怎么发彩信
打印机怎么换墨盒
烤鸡腿怎么腌制
毛毯怎么洗
网页打不开怎么办
北京工商大学怎么样
博美犬怎么训练
胎儿脐带绕颈怎么办