小度生活
首页
美食营养
手工爱好
生活家居
返回
小度生活
首页
美食营养
游戏数码
手工爱好
生活家居
健康养生
运动户外
职场理财
情感交际
母婴教育
时尚美容
知识问答
生活知识
生活百科
搜索
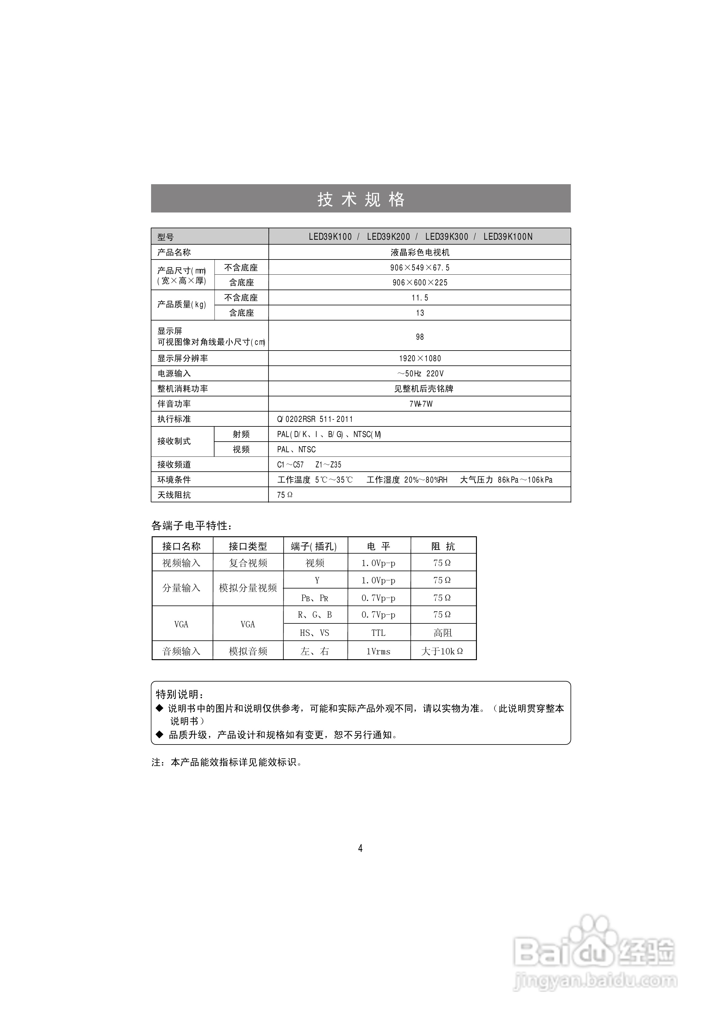
海信LED39K100N液晶彩电使用说明书:[1]
2026-03-27 20:19:23
(共篇)
下一篇:
声明:
本网站引用、摘录或转载内容仅供网站访问者交流或参考,不代表本站立场,如存在版权或非法内容,请联系站长删除,联系邮箱:site.kefu@qq.com。
相关推荐
笔记本和电视怎么连接
阅读量:41
东芝TS803手机使用说明书:[1]
阅读量:125
KS8800系列(UA55KS8800JXXZ、UA65KS8800JXXZ)电视如何下载固件?
阅读量:31
乐视智能电视怎么看直播,通用教程
阅读量:90
电脑里的本地视频怎么投放到电视收看,操作方法
阅读量:125
猜你喜欢
罚款单怎么写
鱿鱼怎么炒好吃又嫩
描写方法有哪些及作用
全身美白方法
溺水自救方法
猪头肉怎么做好吃
感冒喝什么汤好
林清轩怎么样
红薯怎么做好吃
孩子的教育方式和方法
猜你喜欢
肉丸子怎么做好吃
qq网名大全
打呼噜最佳治疗方法
社会调查研究与方法
炖肘子的家常做法
惊喜用英文怎么说
怎么可以美白
薄雾怎么读
端口映射怎么设置
众泰t600怎么样