小度生活
首页
美食营养
手工爱好
生活家居
返回
小度生活
首页
美食营养
游戏数码
手工爱好
生活家居
健康养生
运动户外
职场理财
情感交际
母婴教育
时尚美容
知识问答
生活知识
生活百科
搜索
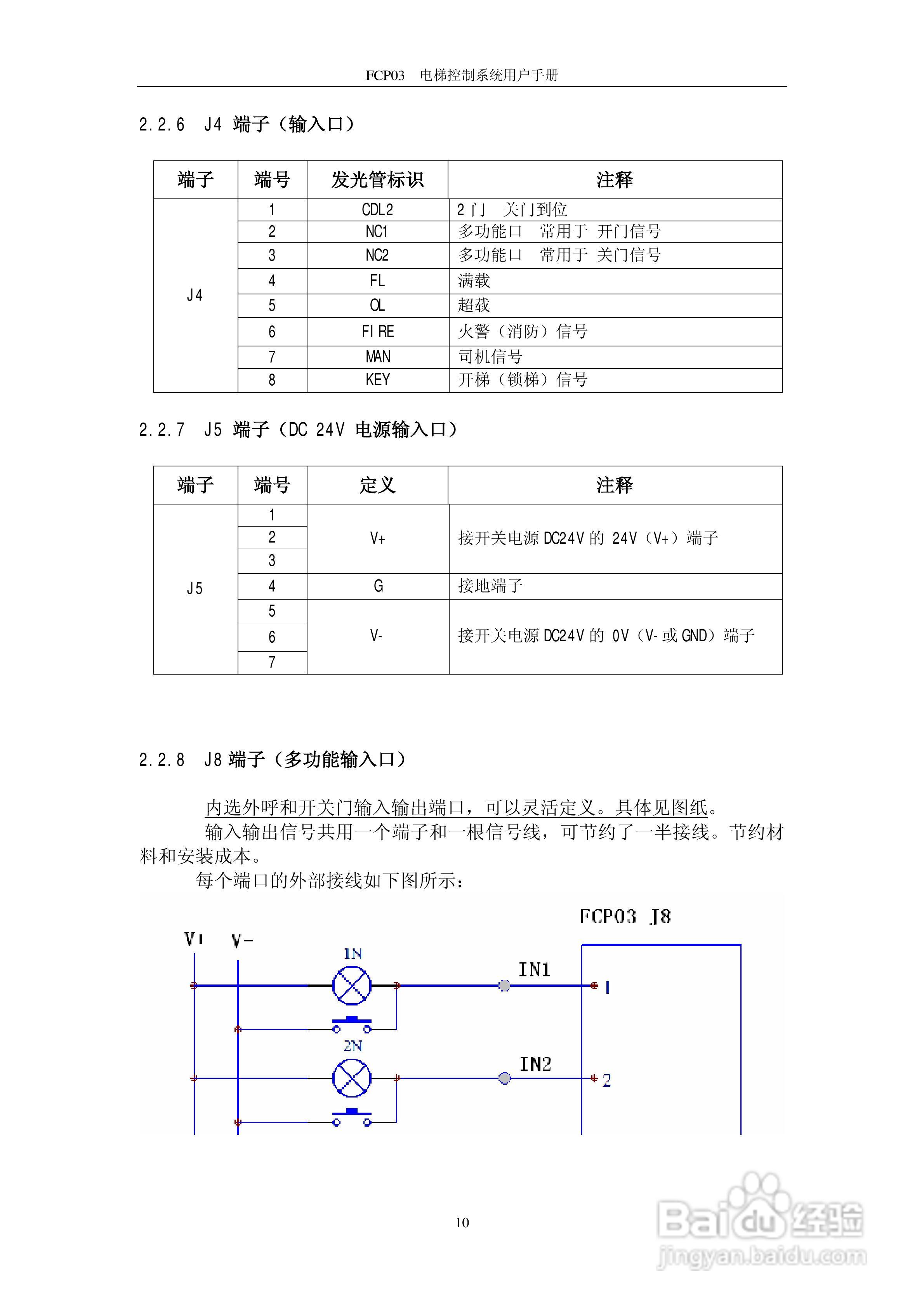
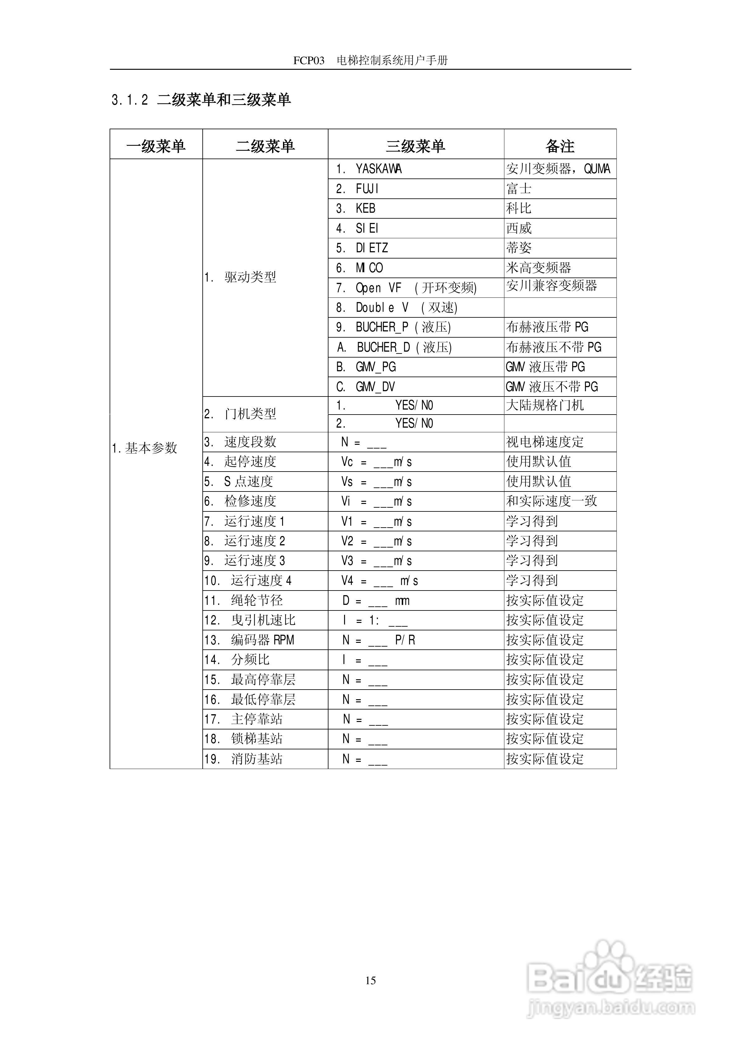
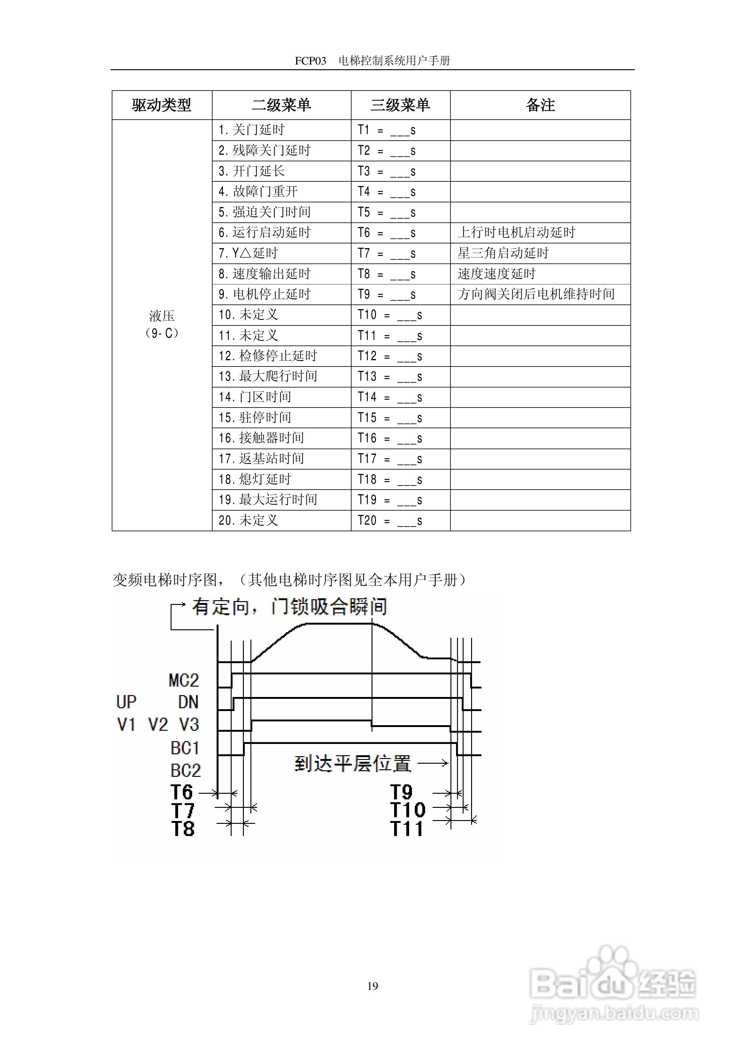
菲康电子FCP03并口电梯控制器用户手册:[2]
2026-03-25 14:49:43
本篇为《菲康电子FCP03并口电梯控制器用户手册》,主要介绍该产品的使用方法以及常见故障解决方案。
(共篇)
上一篇:
声明:
本网站引用、摘录或转载内容仅供网站访问者交流或参考,不代表本站立场,如存在版权或非法内容,请联系站长删除,联系邮箱:site.kefu@qq.com。
相关推荐
下雪后怎么清理车上的雪?
阅读量:106
百度顺风车首单1元怎么用
阅读量:102
如何选购厨刀
阅读量:82
巫师3 如何开船
阅读量:125
大帝的邀请任务攻略
阅读量:51
猜你喜欢
陕西旅游集团公司
贡嘎山旅游攻略
如何去掉妊娠纹
千岛湖在哪里
杭州旅游网
石斛泡水喝的功效
慕思凯奇床垫怎么样
横店影视城在哪里
无线路由器怎么用
如何提高党性修养
猜你喜欢
专业代码在哪里查询
发烧了怎么办如何退烧
半年线怎么看
晚安的朋友圈说说
惠普m1005怎么扫描
如何锻炼记忆力
卫生间有异味怎么办
如何养肝护肝排毒
笔记本散热不好怎么办
我的世界如何驯服马