小度生活
首页
美食营养
手工爱好
生活家居
返回
小度生活
首页
美食营养
游戏数码
手工爱好
生活家居
健康养生
运动户外
职场理财
情感交际
母婴教育
时尚美容
知识问答
生活知识
搜索
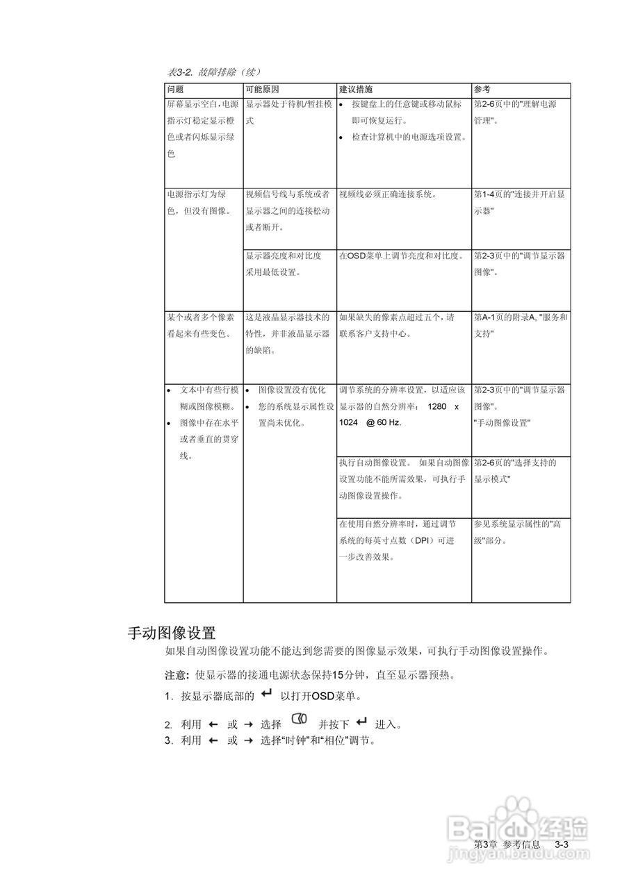
联想L1710D液晶显示器使用说明书:[3]
2025-10-23 11:26:21
(共篇)
上一篇:
声明:
本网站引用、摘录或转载内容仅供网站访问者交流或参考,不代表本站立场,如存在版权或非法内容,请联系站长删除,联系邮箱:site.kefu@qq.com。
相关推荐
联想L2321P液晶显示器使用说明书:[2]
阅读量:106
联想L2021wD液晶显示器使用说明书:[3]
阅读量:121
联想L1951pwD液晶显示器使用说明书:[4]
阅读量:159
联想LT2024wA液晶显示器使用说明书:[3]
阅读量:193
联想L2221PwA液晶显示器使用说明书:[2]
阅读量:159
猜你喜欢
怎样设置无线路由器
如何拒绝面试邀请
新皮鞋磨脚后跟怎么办
瓦斯琪怎么打
日本旅游费用
putty怎么用
怎么消除川字纹
怎么转换mp4格式
兵俑哪里多
阿瓦隆洗发水怎么样
猜你喜欢
如何设置wifi密码
怎么查询驾驶证信息
显卡垂直同步怎么关
康恩贝保健品怎么样
安徽旅游集团
柠檬片泡水
安卓手机如何截屏
绵羊皮皮衣怎么保养
笔记本电脑如何截屏
如何在家赚钱