小度生活
首页
美食营养
手工爱好
生活家居
返回
小度生活
首页
美食营养
游戏数码
手工爱好
生活家居
健康养生
运动户外
职场理财
情感交际
母婴教育
时尚美容
知识问答
生活知识
生活百科
搜索
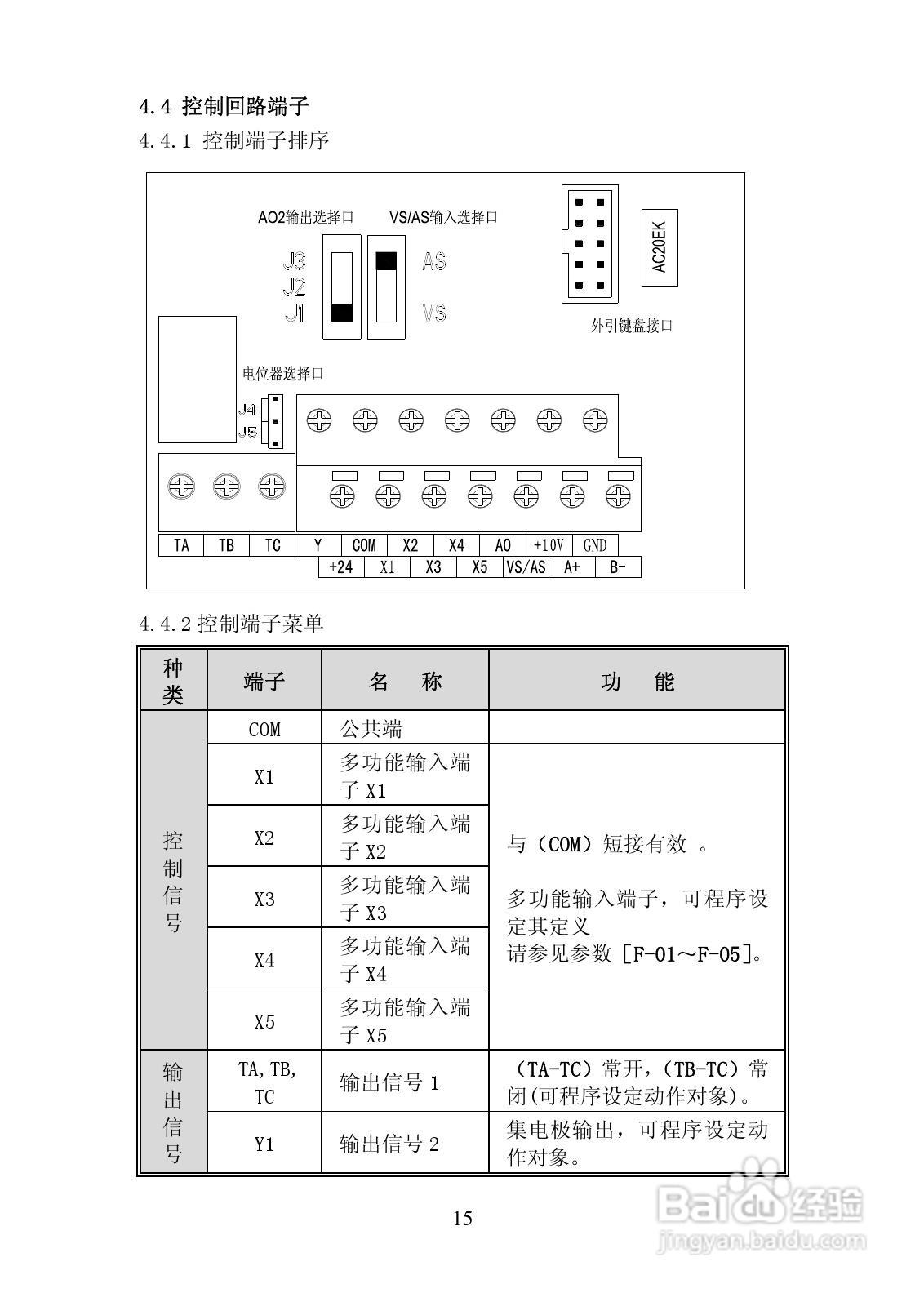
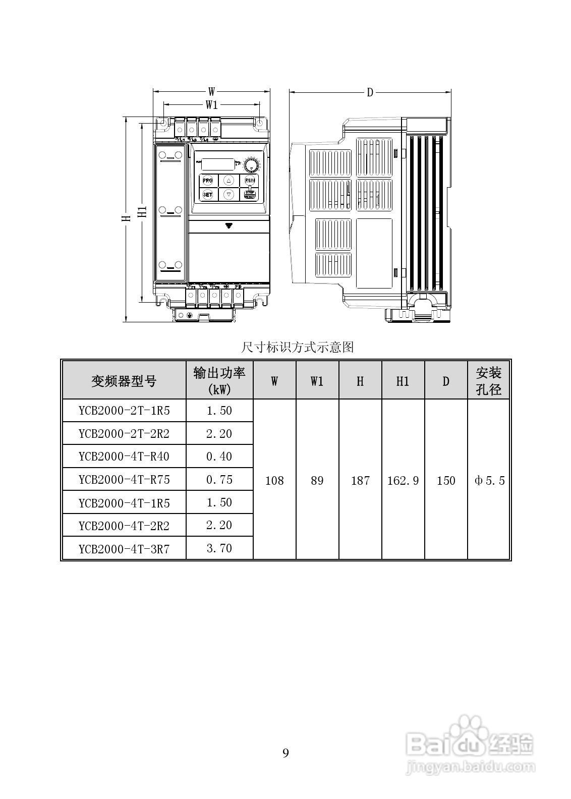
长城高科YCB2000-4T-3R7变频器说明书:[2]
2026-04-03 08:22:58
本篇为《长城高科YCB2000-4T-3R7变频器说明书》,主要介绍该产品的使用方法以及常见故障解决方案。
(共篇)
上一篇:
|
下一篇:
声明:
本网站引用、摘录或转载内容仅供网站访问者交流或参考,不代表本站立场,如存在版权或非法内容,请联系站长删除,联系邮箱:site.kefu@qq.com。
相关推荐
长城高科YCB2000-4T-3R7变频器说明书:[3]
阅读量:167
阿尔法(ALPHA)ALPHA2000-3280G变频器说明书:[2]
阅读量:183
阿尔法(ALPHA)ALPHA2000-3280P变频器说明书:[2]
阅读量:185
阿尔法(ALPHA)ALPHA2000-3132Z变频器说明书:[2]
阅读量:31
欧瑞FX2000-1100T3D变频器使用说明书:[2]
阅读量:187
猜你喜欢
日批是什么意思
送男生什么礼物好
poor是什么意思
url是什么意思
手上长透明小水泡是什么原因
太子龙男装什么档次
阴霾是什么意思
care什么意思
什么是领导力
什么是正整数
猜你喜欢
杜蕾斯是什么
12月3日是什么星座
火钳刘明什么意思
倒立有什么好处
k值是什么意思
火影忍者什么时候出的
q币是什么
心跳过缓是什么原因
大驿土命是什么意思
爱情是什么东西