小度生活
首页
美食营养
手工爱好
生活家居
返回
小度生活
首页
美食营养
游戏数码
手工爱好
生活家居
健康养生
运动户外
职场理财
情感交际
母婴教育
时尚美容
知识问答
生活知识
生活百科
搜索
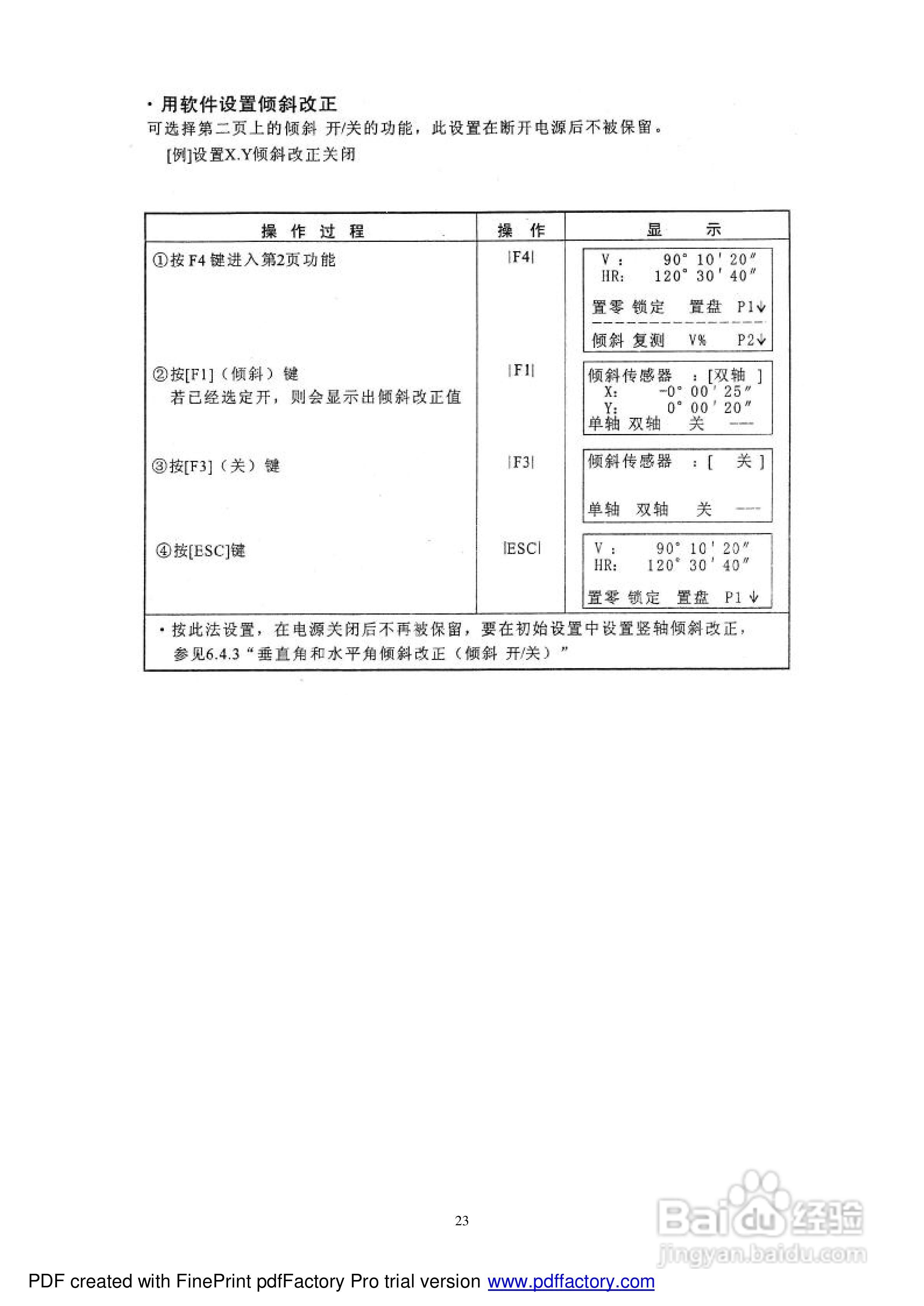
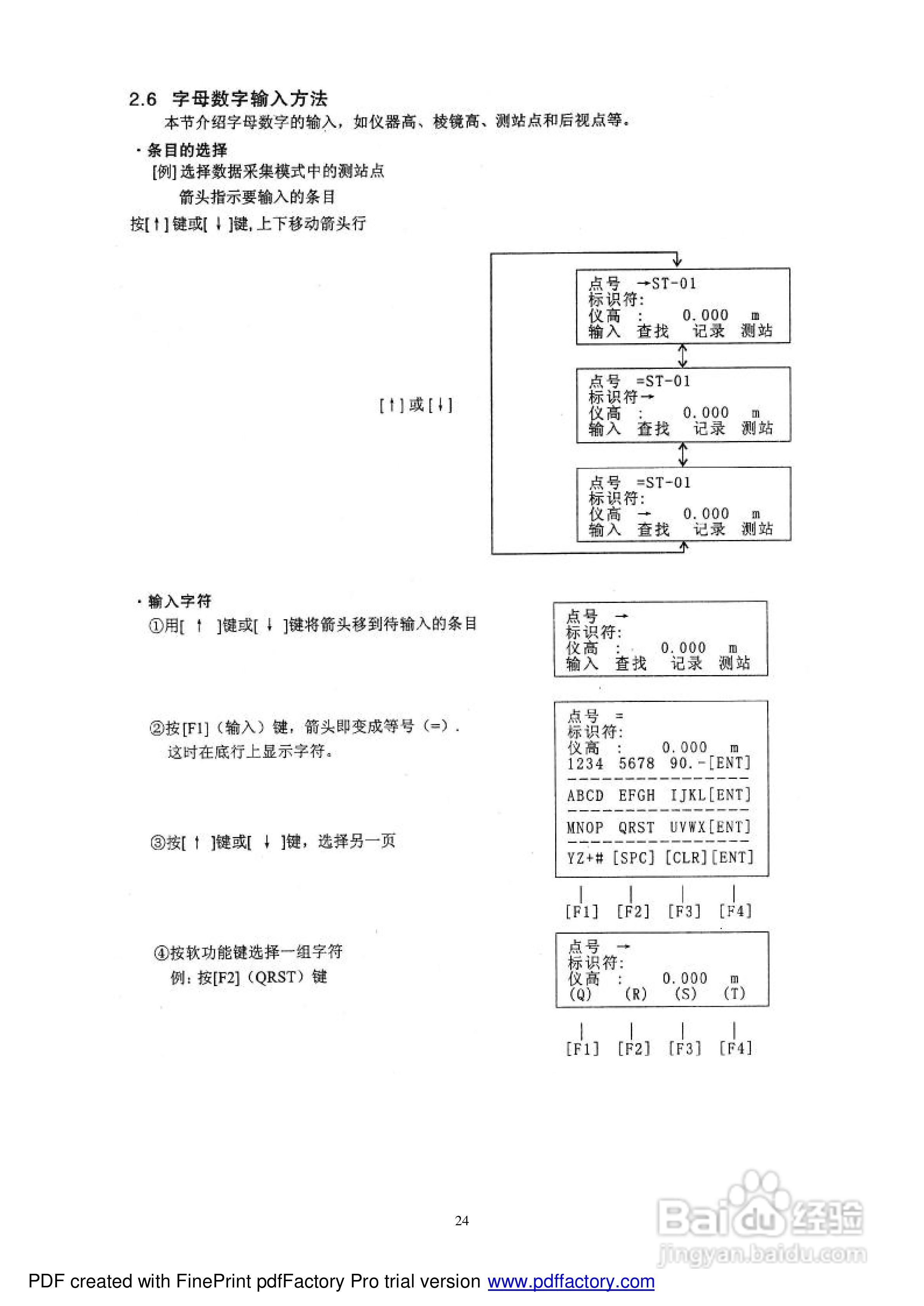
拓普康GTS-330N型电子全站仪使用说明书:[3]
2026-05-01 20:15:45
本篇为《拓普康GTS-330N型电子全站仪使用说明书》,主要介绍该产品的使用方法以及常见故障解决方案。
(共篇)
上一篇:
声明:
本网站引用、摘录或转载内容仅供网站访问者交流或参考,不代表本站立场,如存在版权或非法内容,请联系站长删除,联系邮箱:site.kefu@qq.com。
相关推荐
全站仪使用说明书
阅读量:70
拓普康自动跟踪全站仪MS05A使用手册:[23]
阅读量:77
拓普康自动跟踪全站仪MS05A使用手册:[8]
阅读量:185
全站仪测图使用步骤
阅读量:162
拓普康自动跟踪全站仪MS05A使用手册:[21]
阅读量:66
猜你喜欢
什么是报关员
独立院校是什么意思
品位的意思
同学生日祝福语
风韵犹存的意思
什么游戏赚钱人民币快
奶粉一段二段什么意思
铭是什么意思
陨石的意思
繁花似锦是什么意思
猜你喜欢
生意祝福语大全
primary是什么意思
一级建造师证书什么时候领取
bh是什么意思
最美的祝福
证券公司是做什么的
祝福新人的诗句
马云马化腾什么关系
狗血是什么意思
零存整取是什么意思